GM Service Manual Online
For 1990-2009 cars only
Figure 1:

Blower Controls


Object Number: 769543  Size: FS
Master Electrical Component List
Air Delivery Description and Operation
Compressor Controls - V6 L36
HVAC and TURN B/U Fuses
HVAC and TURN B/U Fuses
Battery Positive Voltage Bussing
G201
G200 Page 1 of 3
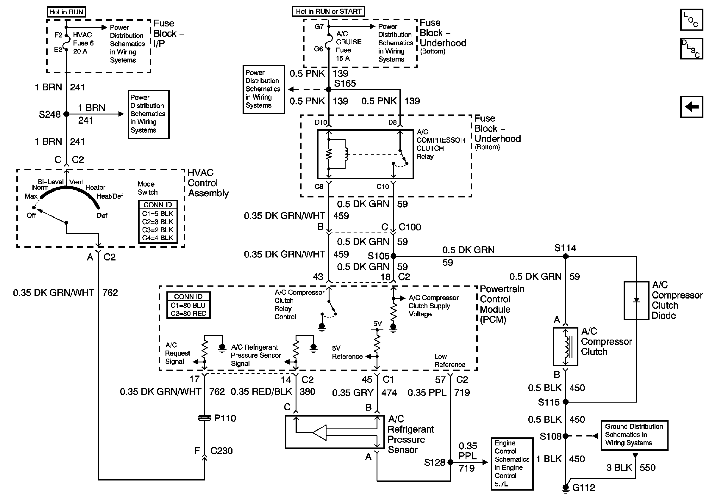
Figure 2:

Compressor Controls (V6 L36)


Object Number: 769550  Size: FS
Master Electrical Component List
Air Temperature Description and Operation
Compressor Controls - V8 LS1
Blower Controls
ETC and A/C CRUISE Fuses
ETC and A/C CRUISE Fuses
HVAC and TURN B/U Fuses
HVAC and TURN B/U Fuses
Fuel Controls-Fuel Pump Controls
Fuel Controls-Fuel Pump Controls
G112 V8 LS1
Figure 3:

Compressor Controls (V8 LS1)


Object Number: 769552  Size: FS
Master Electrical Component List
Air Temperature Description and Operation
Compressor Controls - V6 L36
ETC and A/C CRUISE Fuses
ETC and A/C CRUISE Fuses
HVAC and TURN B/U Fuses
HVAC and TURN B/U Fuses
Engine Data Sensors-Pressure and Temperature
G112 V8 LS1