GM Service Manual Online
For 1990-2009 cars only
Makes
🢒
Pontiac
🢒
2002
🢒
Firebird
🢒
Body and Accessories
🢒
Doors
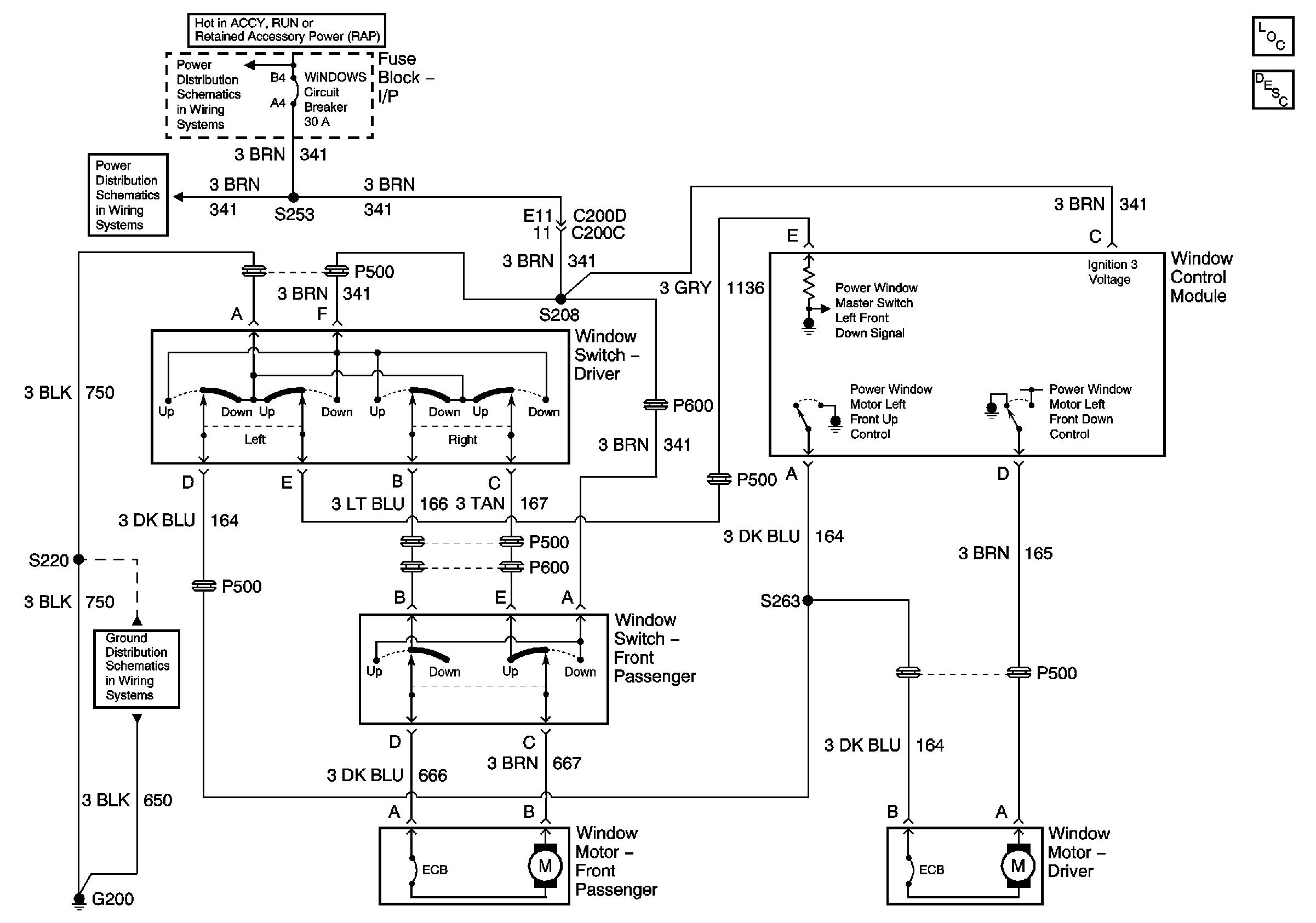
🢒 Power Window Schematics
Master Electrical Component List
Power Windows Description and Operation
WINDOWS CKT BRKR, RADIO, STG WHL CNTRL, WIPER/WASH Fuses
WINDOWS CKT BRKR, RADIO, STG WHL CNTRL, WIPER/WASH Fuses
G200 Page 1 of 3