GM Service Manual Online
For 1990-2009 cars only
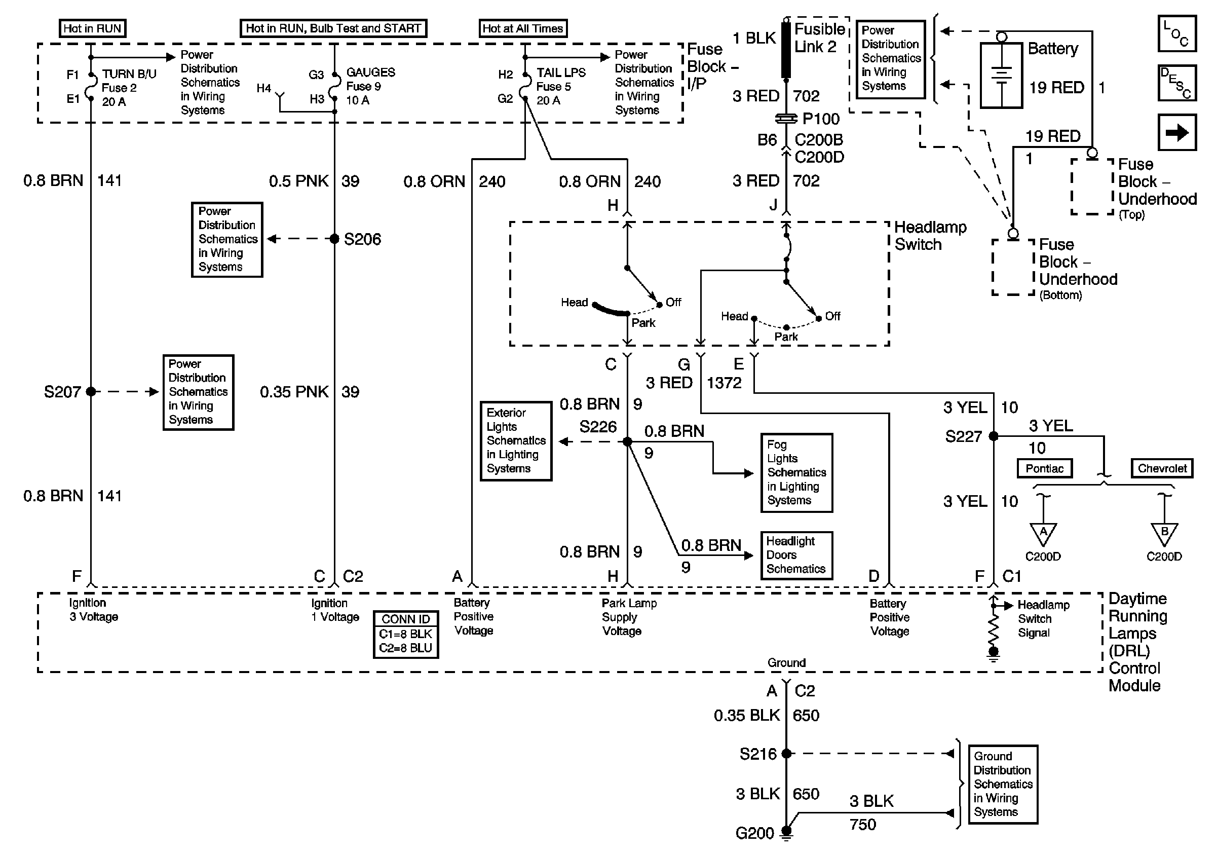
Figure 1:

Power, Ground and Headlight Switch Control - Pontiac, Chevrolet - Domestic and Gulf


Object Number: 774177  Size: FS
Master Electrical Component List
Exterior Lighting Systems Description and Operation
DRL Controls
HVAC and TURN B/U Fuses
I/P-2,TAIL LPS, STOP/HAZARD,PWR ACCY and CIG/ACCY Fuses
Battery Positive Voltage Bussing
AIR BAG and GAUGES Fuses
HVAC and TURN B/U Fuses
Front Parklamps Chevrolet Domestic and Gulf
Foglights Chevrolet Domestic and Gulf
Headlight Doors Schematic
Headlights Pontiac
Headlights Chevrolet Domestic and Gulf
G200 Page 1 of 3
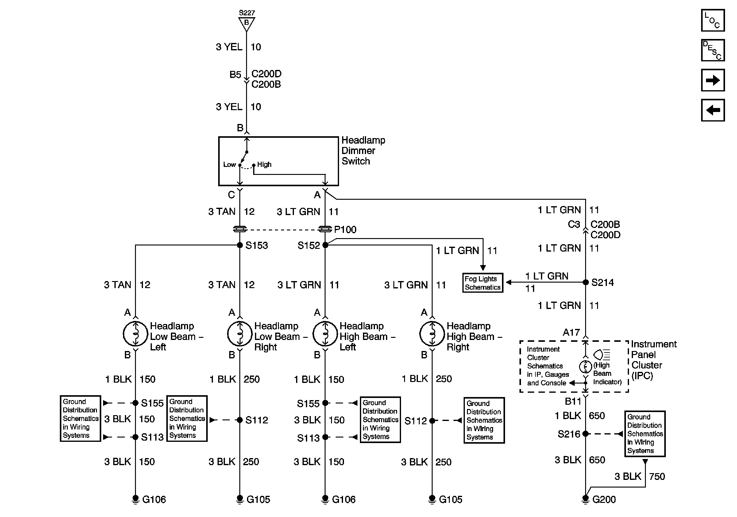
Figure 2:

DRL Controls


Object Number: 774219  Size: FS
Master Electrical Component List
Exterior Lighting Systems Description and Operation
Headlights Pontiac
Power,Ground and Switch Control
Brake Warning System Schematics
G106
G106
G105
Turn Signal Lamps Chevrolet Domestic and Gulf
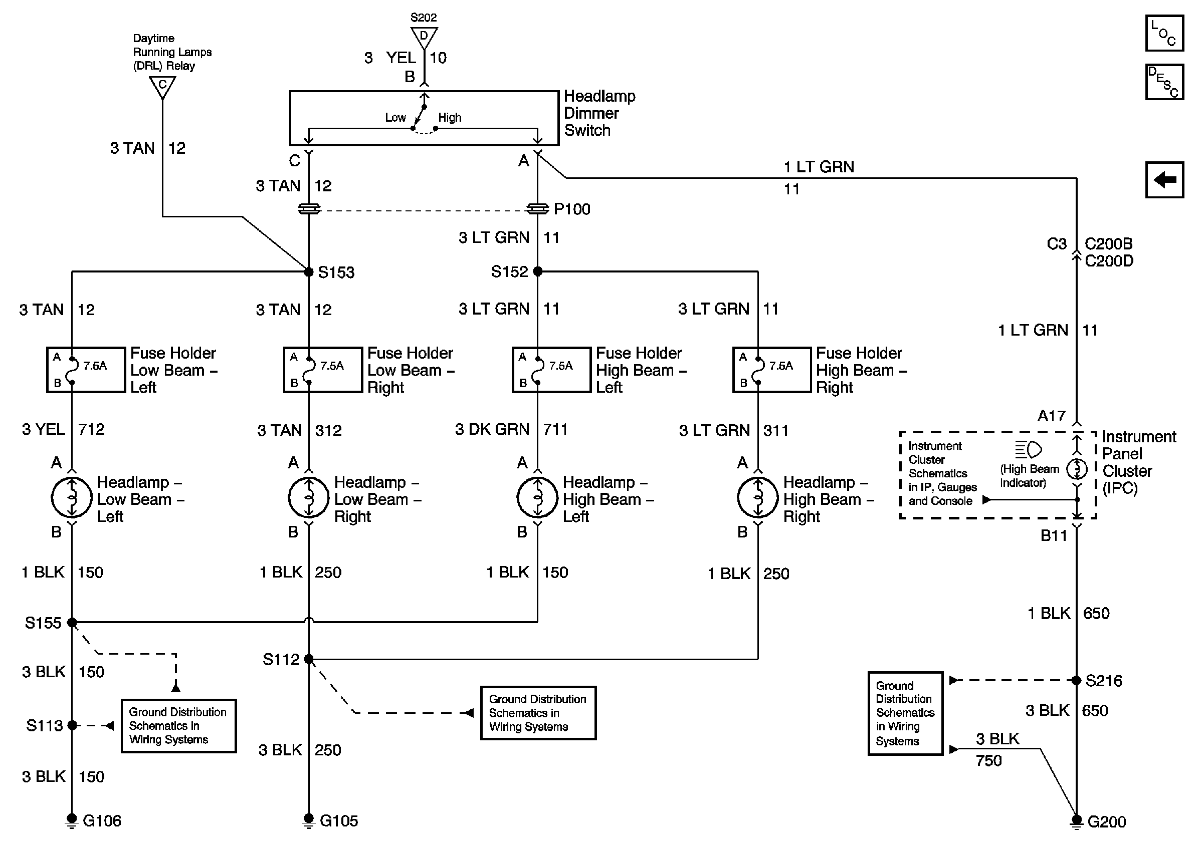
Figure 3:

Headlights - Pontiac


Object Number: 774220  Size: FS
Master Electrical Component List
Exterior Lighting Systems Description and Operation
Headlights Chevrolet Domestic and Gulf
DRL Controls
Power,Ground and Switch Control
Foglights Pontiac
Lamp Indicators
G200 Page 1 of 3
G106
G105
Headlight Doors Schematic
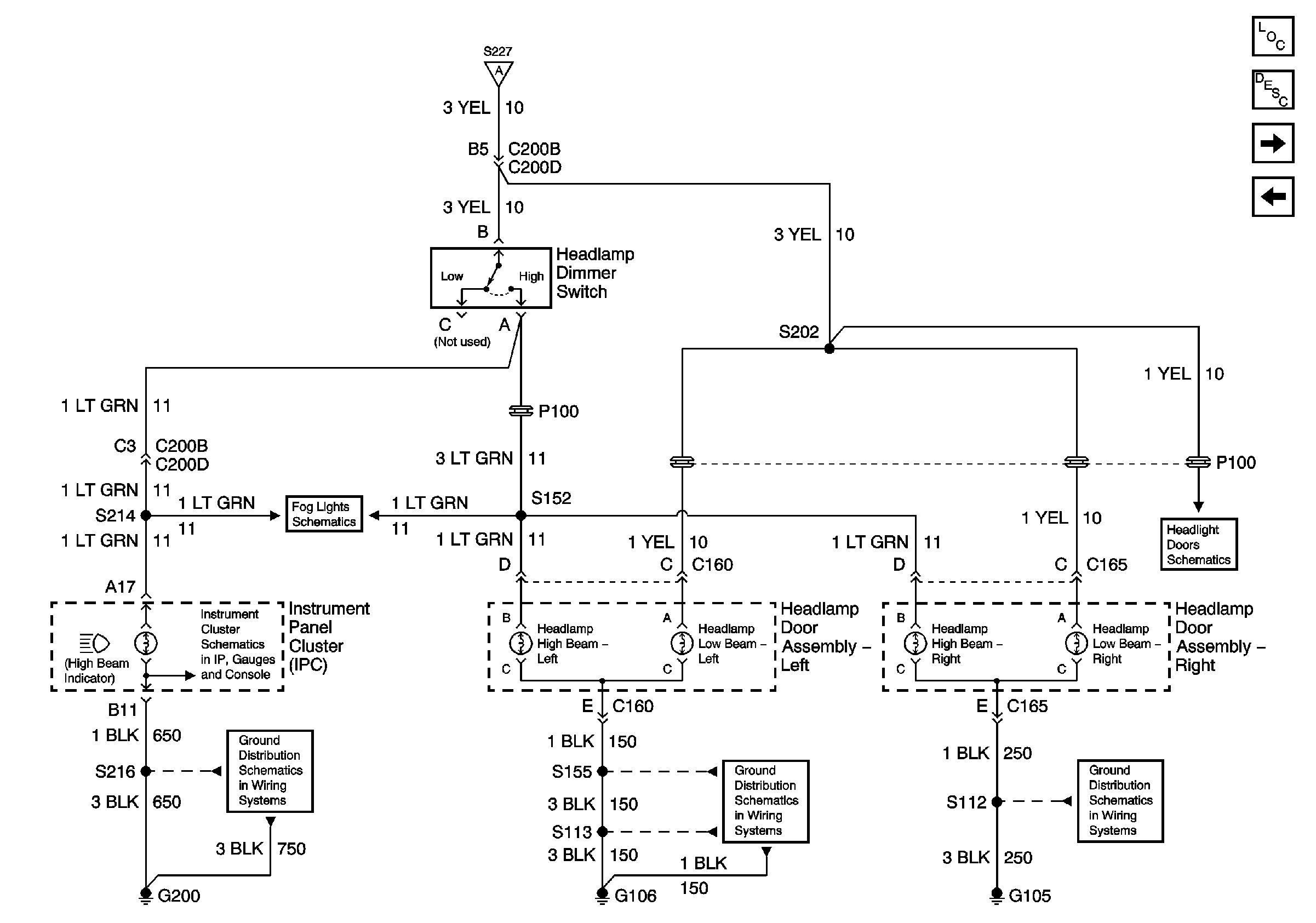
Figure 4:

Headlights - Chevrolet - Domestic and Gulf


Object Number: 768769  Size: FS
Master Electrical Component List
Exterior Lighting Systems Description and Operation
Power,Ground and Headlight Switch Control Chevrolet Scandanavia
Headlights Pontiac
Power,Ground and Switch Control
G106
G105
G106
G105
Foglights Chevrolet Domestic and Gulf
Lamp Indicators
G200 Page 1 of 3
Figure 5:

Power,Ground and Headlight Switch Control - Chevrolet - Scandanavia


Object Number: 774175  Size: FS
Master Electrical Component List
Exterior Lighting Systems Description and Operation
Headlights Chevrolet Scandinavia
Headlights Chevrolet Domestic and Gulf
HVAC and TURN B/U Fuses
HVAC and TURN B/U Fuses
HVAC and TURN B/U Fuses
Headlights Chevrolet Scandinavia
G106
G106
Battery Positive Voltage Bussing
Rear Fog Lights Chevrolet Europe
Headlight Leveling Schematic
Headlights Chevrolet Scandinavia
Figure 6:

Headlights - Chevrolet - Scandanavia


Object Number: 813193  Size: FS
Master Electrical Component List
Exterior Lighting Systems Description and Operation
Power,Ground and Headlight Switch Control Chevrolet Scandanavia
Power,Ground and Headlight Switch Control Chevrolet Scandanavia
Power,Ground and Headlight Switch Control Chevrolet Scandanavia
G106
G105
Lamp Indicators
G200 Page 1 of 3