GM Service Manual Online
For 1990-2009 cars only
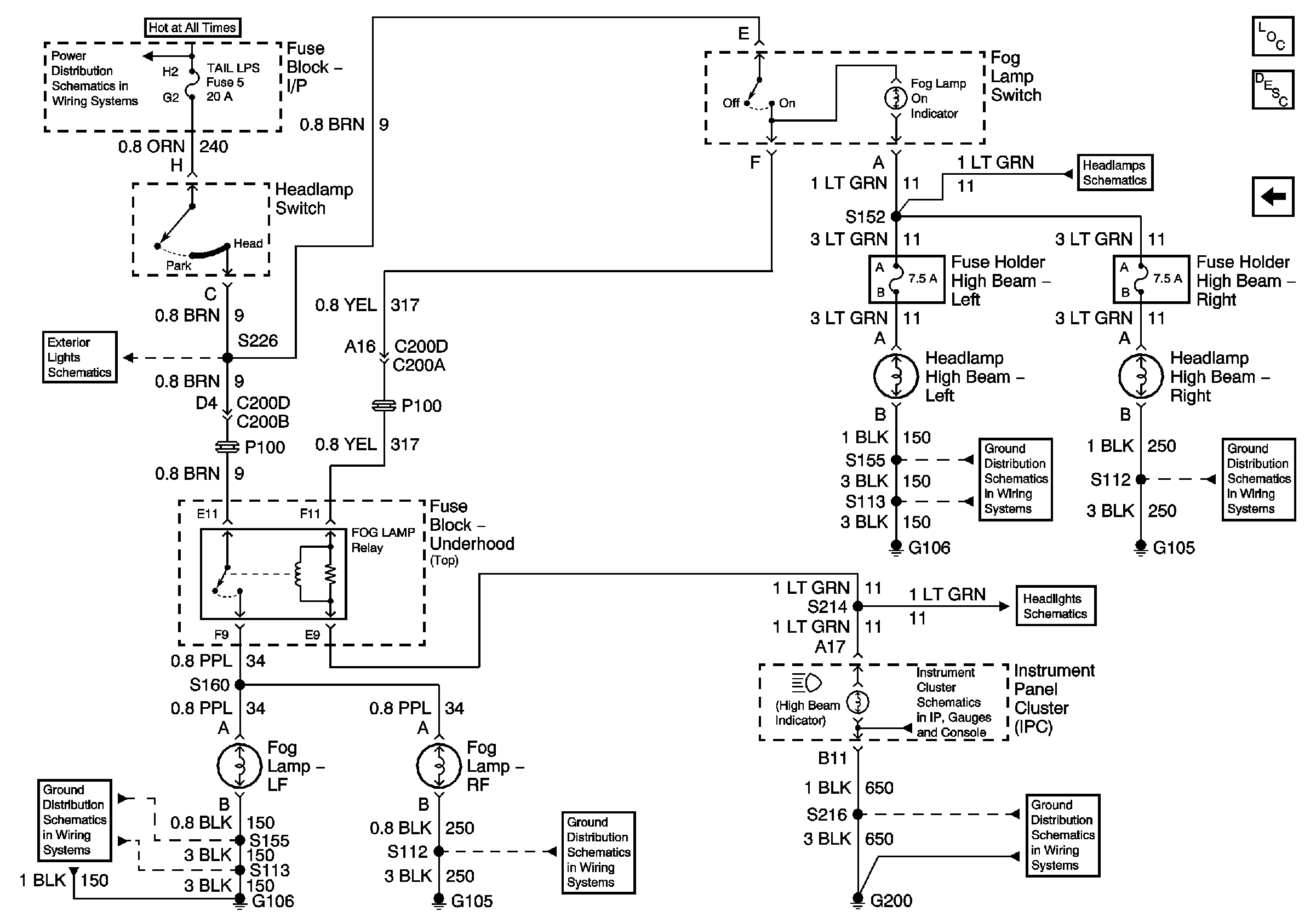
Figure 1:

Fog Lights - Chevrolet - Domestic and Gulf


Object Number: 774239  Size: FS
Master Electrical Component List
Exterior Lighting Systems Description and Operation
Foglights Pontiac
I/P-2,TAIL LPS, STOP/HAZARD,PWR ACCY and CIG/ACCY Fuses
I/P-2,TAIL LPS, STOP/HAZARD,PWR ACCY and CIG/ACCY Fuses
Power,Ground and Switch Control
Front Parklamps Chevrolet Domestic and Gulf
G106
G105
Headlights Chevrolet Domestic and Gulf
G106
G105
Headlights Chevrolet Domestic and Gulf
Lamp Indicators
G200 Page 1 of 3
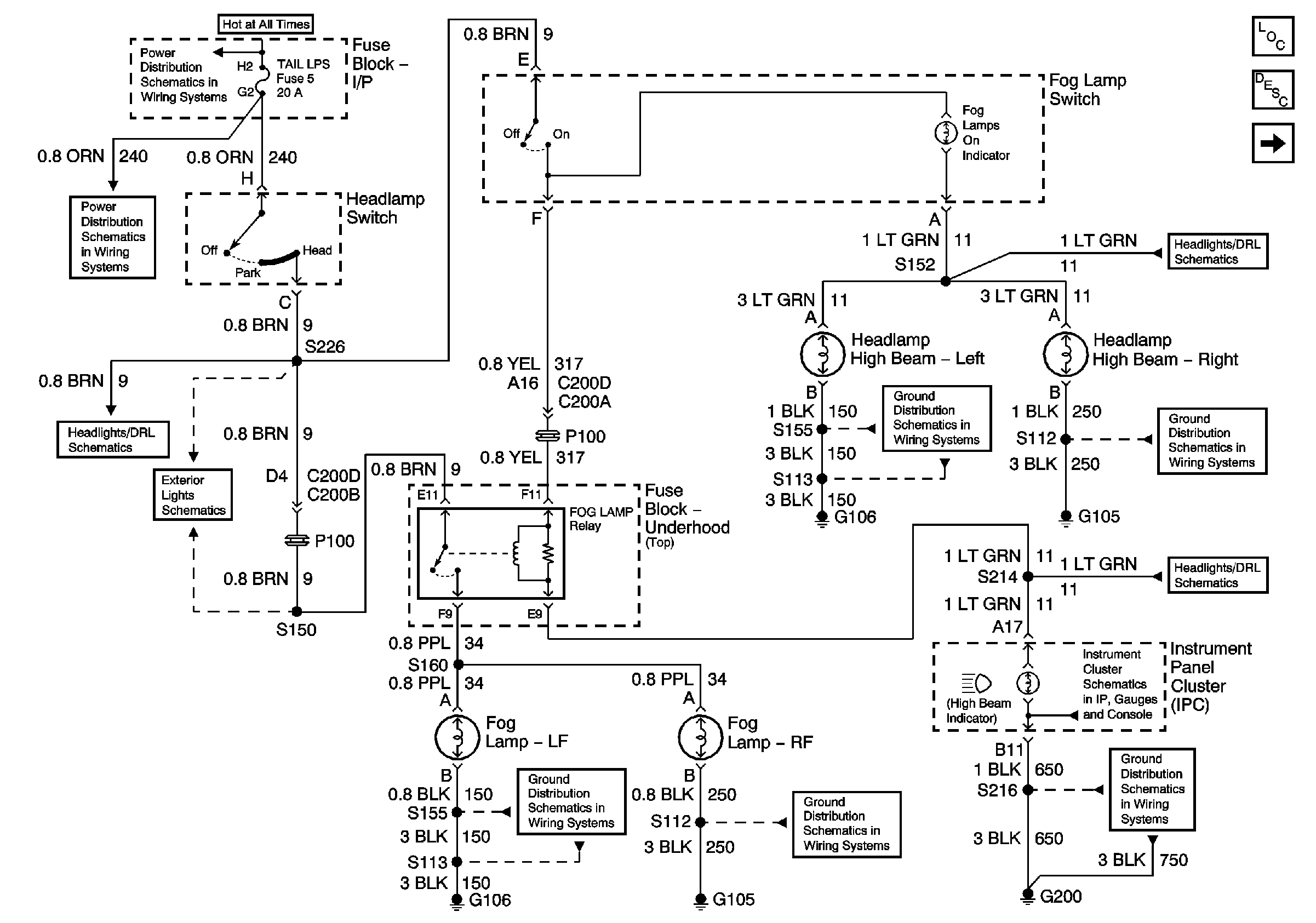
Figure 2:

Fog Lights - Pontiac


Object Number: 774252  Size: FS
Master Electrical Component List
Exterior Lighting Systems Description and Operation
Front Foglights Europe
Foglights Chevrolet Domestic and Gulf
I/P-2,TAIL LPS, STOP/HAZARD,PWR ACCY and CIG/ACCY Fuses
I/P-2,TAIL LPS, STOP/HAZARD,PWR ACCY and CIG/ACCY Fuses
Front Park Lamps Pontiac
Power,Ground and Switch Control
G106
Interior Lamps
G200 Page 1 of 3
G105
Lamp Indicators
Headlights Pontiac
G200 Page 1 of 3
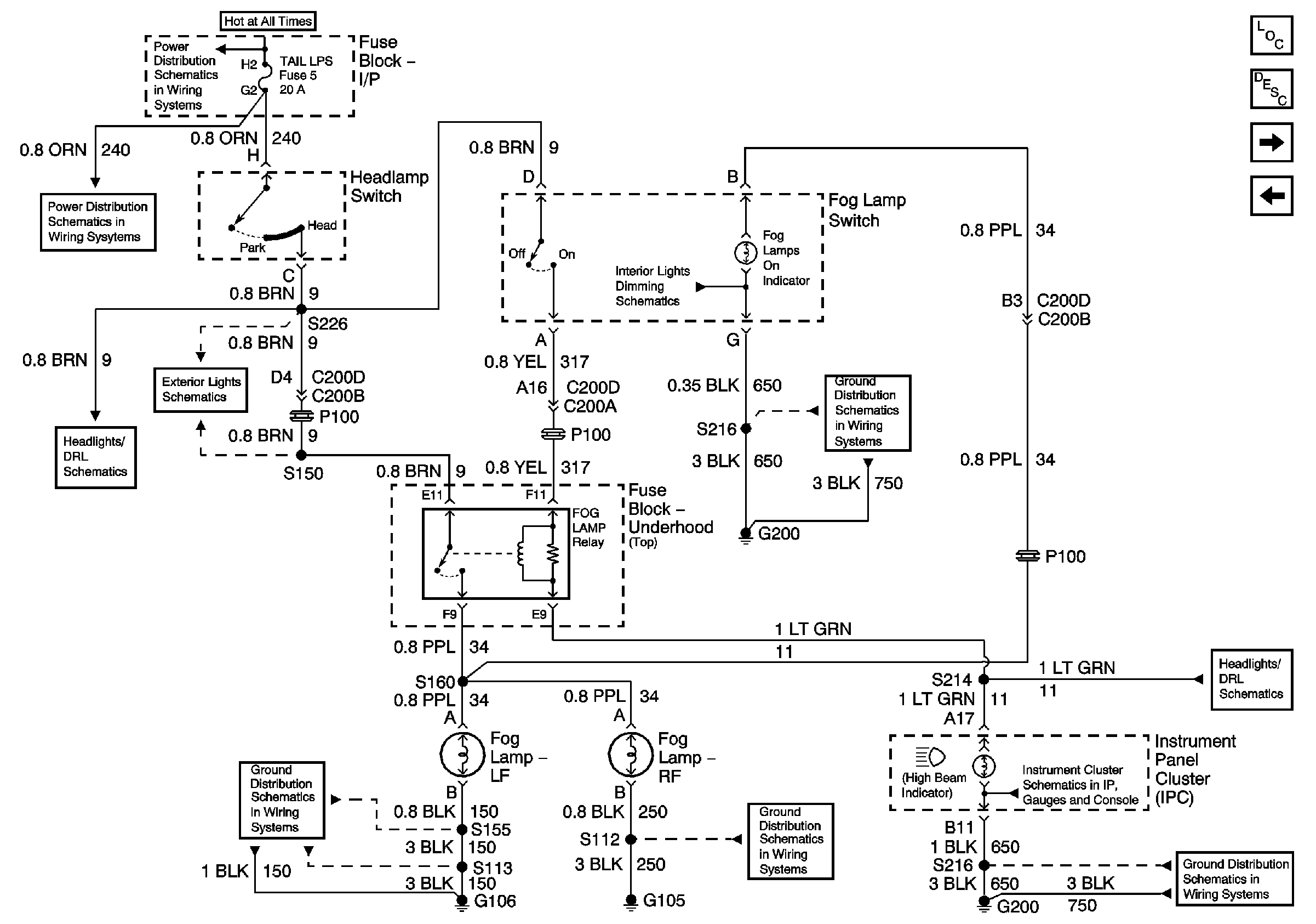
Figure 3:

Front Fog Lights - Chevrolet - Europe


Object Number: 774237  Size: FS
Master Electrical Component List
Exterior Lighting Systems Description and Operation
Rear Fog Lights Chevrolet Europe
Foglights Pontiac
I/P-2,TAIL LPS, STOP/HAZARD,PWR ACCY and CIG/ACCY Fuses
Rear Fog Lights Chevrolet Europe
Rear Fog Lights Chevrolet Europe
G200 Page 1 of 3
G105
G106
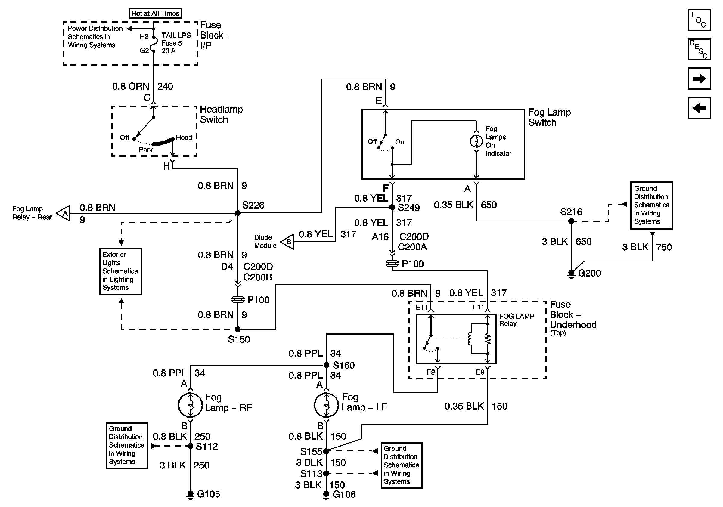
Figure 4:

Rear Fog Lights - Chevrolet - Europe


Object Number: 774238  Size: FS
Master Electrical Component List
Exterior Lighting Systems Description and Operation
Foglights Chevrolet Japan
Front Foglights Europe
Battery Positive Voltage Bussing
Front Foglights Europe
Front Foglights Europe
Chevrolet (Europe)
Headlight Leveling Schematic
G400 Chevrolet
G200 Page 1 of 3
Figure 5:

Fog Lights - Chevrolet - Japan


Object Number: 774234  Size: FS
Master Electrical Component List
Exterior Lighting Systems Description and Operation
Rear Fog Lights Chevrolet Europe
I/P-2,TAIL LPS, STOP/HAZARD,PWR ACCY and CIG/ACCY Fuses
Front Park Lamps Chevrolet Japan
G106
G105
Chevrolet (Japan)
G106
G105
Chevrolet (Japan)
Lamp Indicators
G200 Page 1 of 3