GM Service Manual Online
For 1990-2009 cars only
Makes
🢒
Pontiac
🢒
2002
🢒
Firebird
🢒
Body and Accessories
🢒
Lighting Systems
🢒 Headlights Schematics
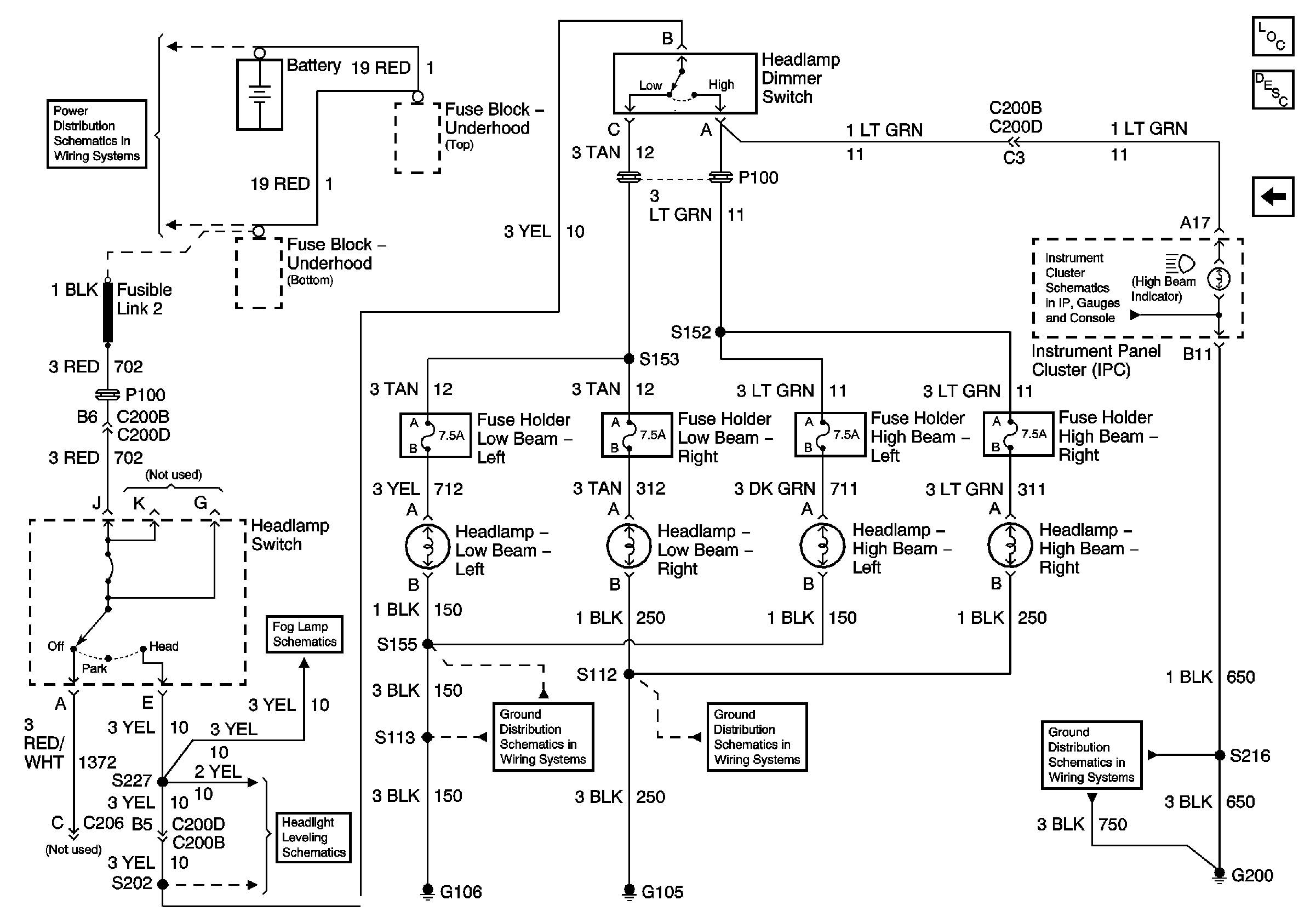
Figure
1:
Headlights - Chevrolet - Japan
Master Electrical Component List
Exterior Lighting Systems Description and Operation
Chevrolet (Europe)
Battery Positive Voltage Bussing
Foglights Chevrolet Japan
Lamp Indicators
G106
G105
G200 Page 1 of 3
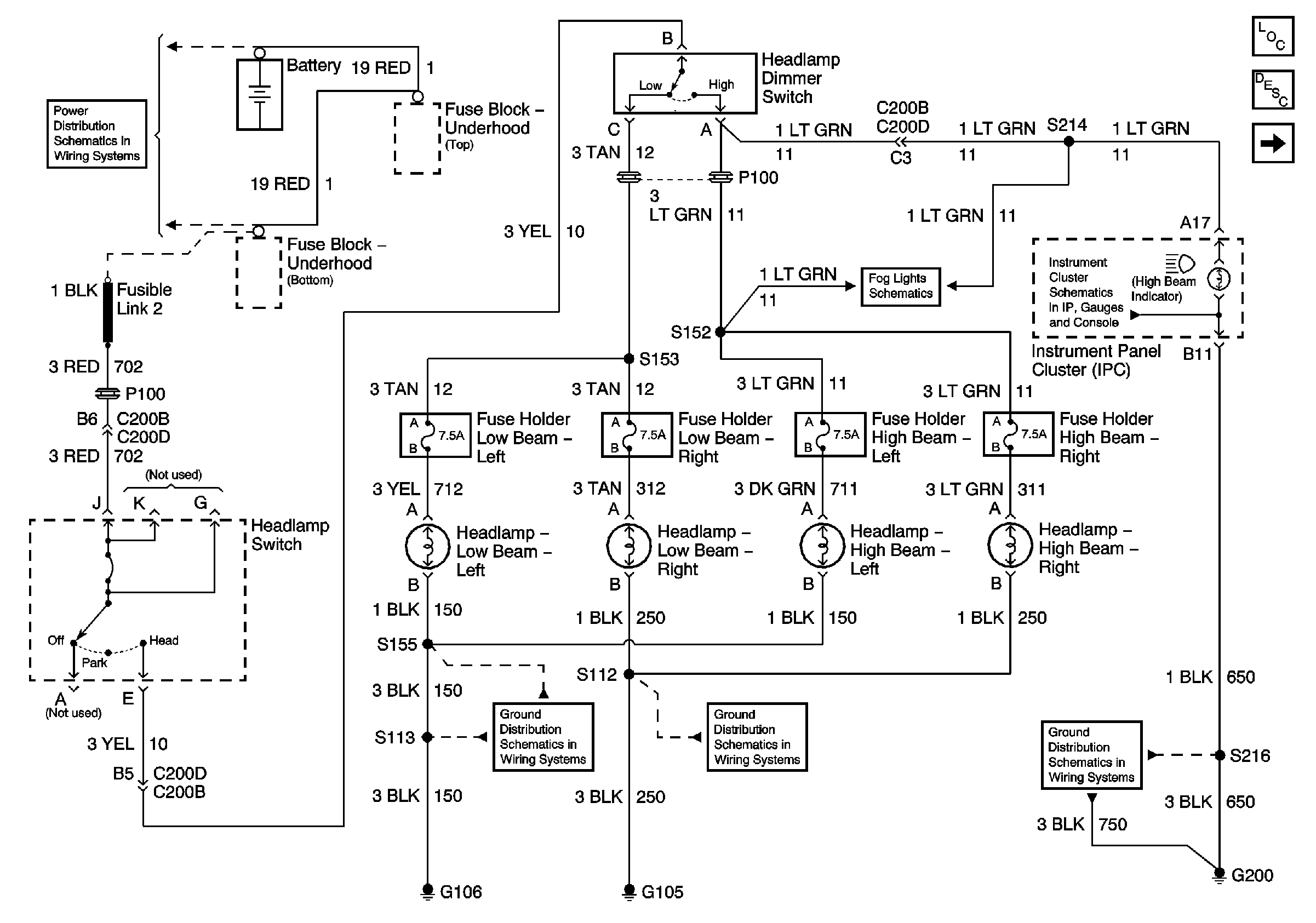
Figure
2:
Headlights - Chevrolet - Europe
Master Electrical Component List
Exterior Lighting Systems Description and Operation
Chevrolet (Japan)
Battery Positive Voltage Bussing
Lamp Indicators
Rear Fog Lights Chevrolet Europe
Headlight Leveling Schematic
G106
G105
G200 Page 1 of 3