GM Service Manual Online
For 1990-2009 cars only
Makes
🢒
Pontiac
🢒
2002
🢒
Firebird
🢒
Body and Accessories
🢒
Wiring Systems
🢒 Interior Lights Schematics
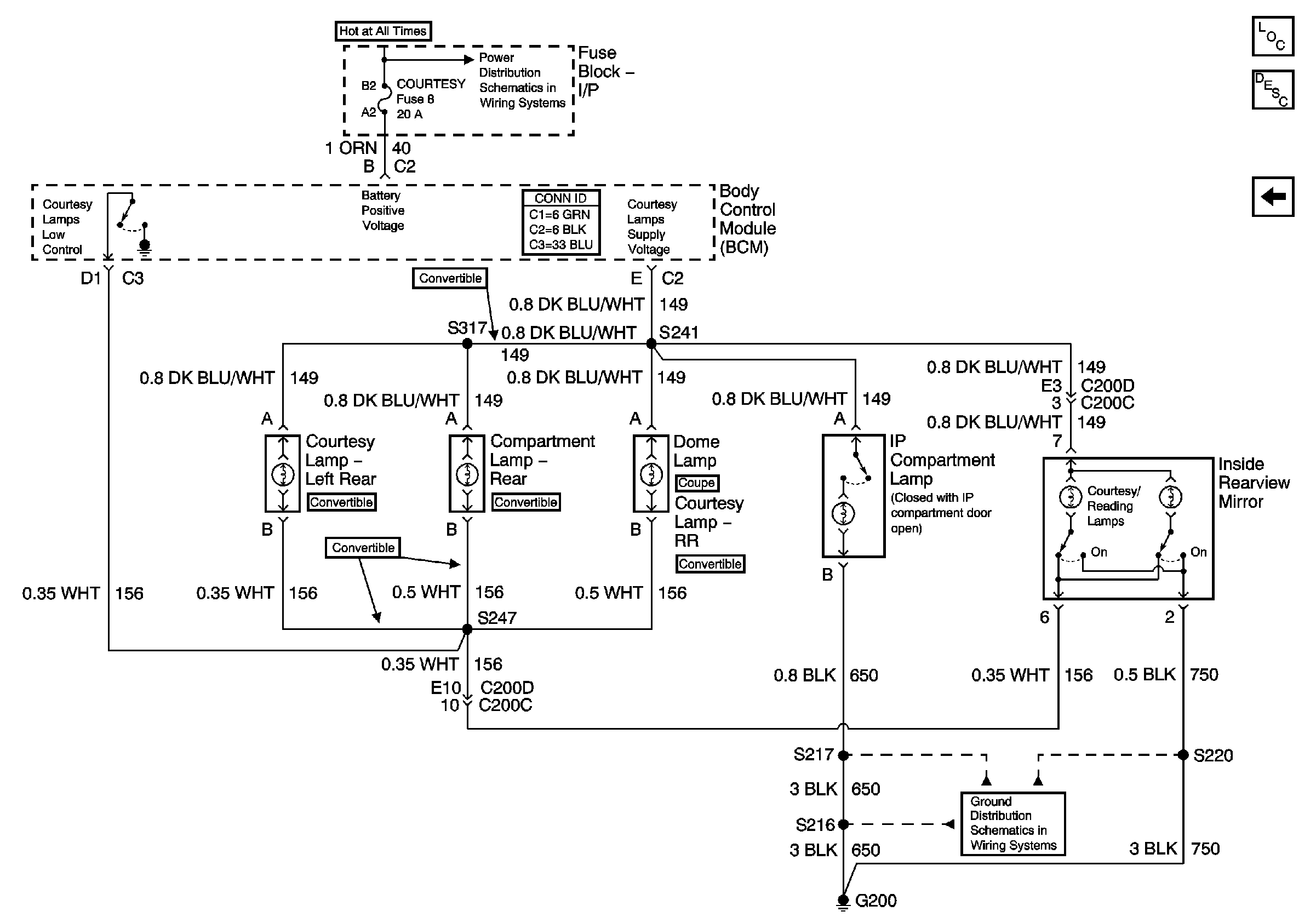
Figure
1:
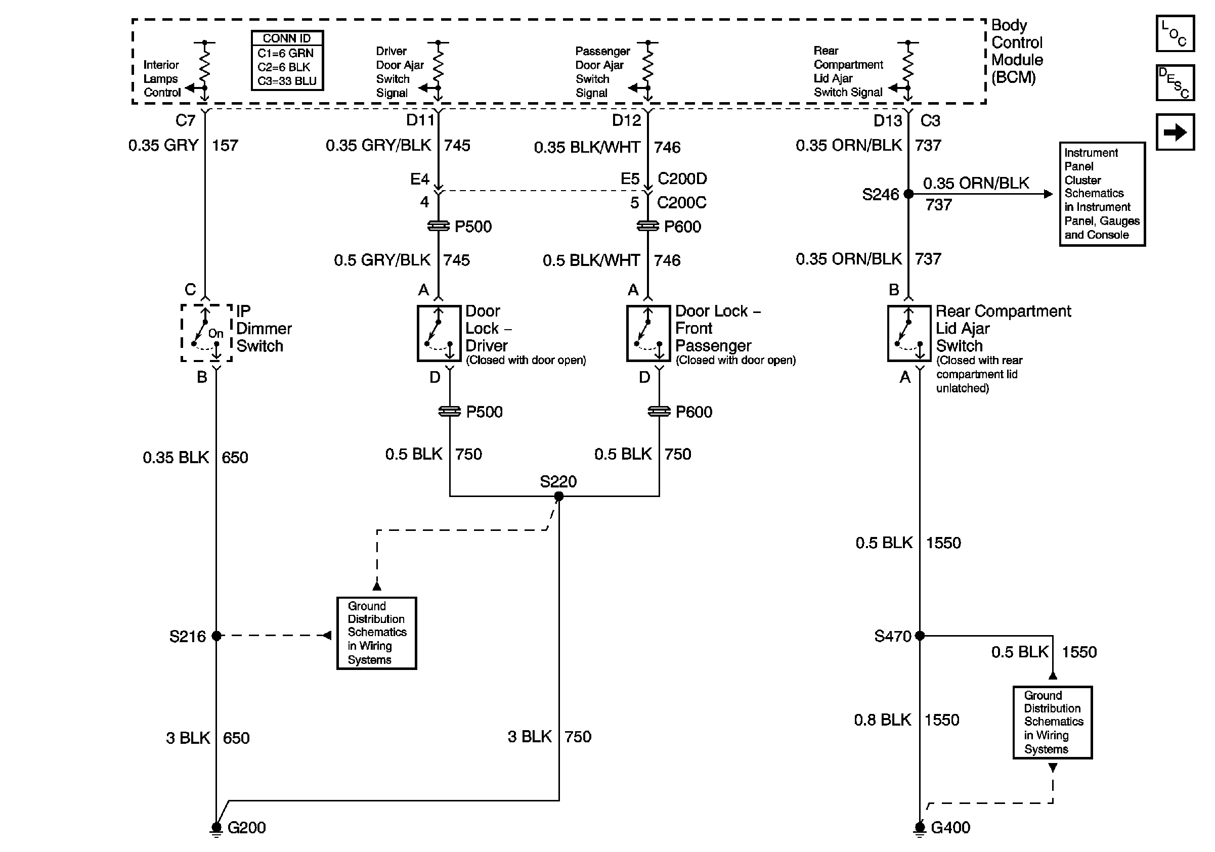
Switch Signals
Master Electrical Component List
Interior Lighting Systems Description and Operation
Courtesy Lamps
G200 Page 1 of 3
Lamp Indicators
G400 Coupe and Convertible
Figure
2:
Courtesy Lamps
Master Electrical Component List
Interior Lighting Systems Description and Operation
Switch Signals
COURTESY, RADIO ACCY Fuses and DEFOG/SEATS CKT BRKR
G200 Page 1 of 3