GM Service Manual Online
For 1990-2009 cars only
Figure 1:

Battery Positive Voltage Bussing


Object Number: 784658  Size: FS
Master Electrical Component List
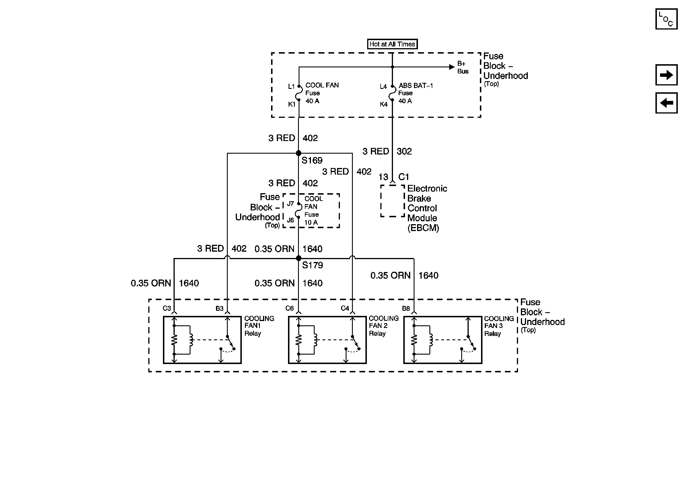
COOL FAN and ABS BAT- 1 Fuses
Figure 2:

COOL FAN and ABS BAT-1 Fuse


Object Number: 772025  Size: FS
Master Electrical Component List
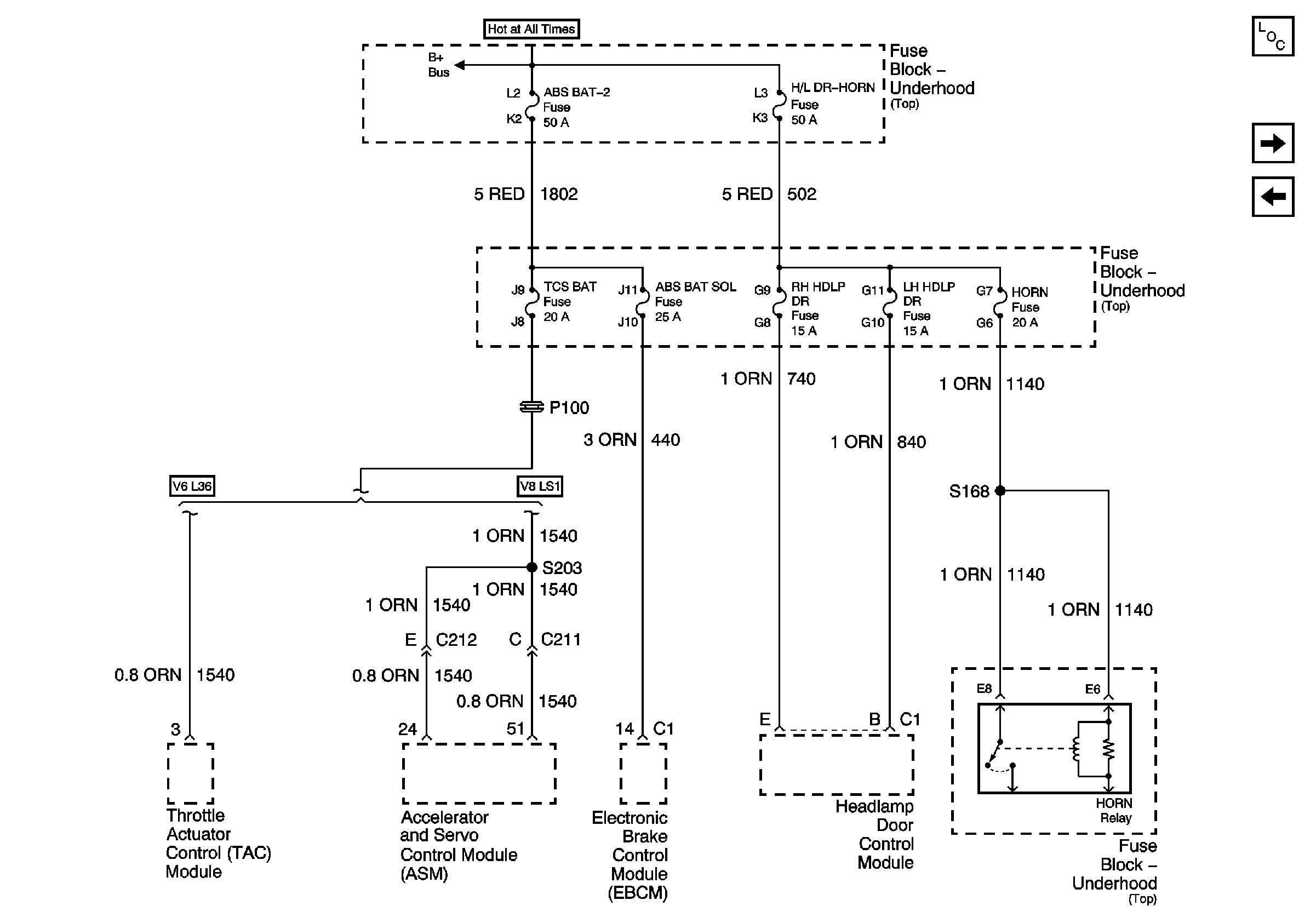
ABS BAT-2, H/L DR-HORN, TCS BAT, ABS BAT SOL, LH HDLP DR, RH HDLP DR and HORN Fuses
Battery Positive Voltage Bussing
Figure 3:

ABS BAT-2, H/L DR-HORN, TCS BAT, ABS BAT SOL, LH HDLP DR, RH HDLP DR and HORN Fuses


Object Number: 772026  Size: FS
Master Electrical Component List
COURTESY, RADIO ACCY Fuses and DEFOG/SEATS CKT BRKR
COOL FAN and ABS BAT- 1 Fuses
Figure 4:

COURTESY, RADIO Fuses and DEFOG/SEATS CKT BRKR


Object Number: 772034  Size: FS
Master Electrical Component List
ENG CTRL, FUEL PUMP, AIR PUMP and PCM BAT Fuses
ABS BAT-2, H/L DR-HORN, TCS BAT, ABS BAT SOL, LH HDLP DR, RH HDLP DR and HORN Fuses
Figure 5:

ENG CTRL, FUEL PUMP, AIR PUMP and PCM BAT Fuses


Object Number: 772068  Size: FS
Master Electrical Component List
I/P-2,TAIL LPS, STOP/HAZARD,PWR ACCY and CIG/ACCY Fuses
COURTESY, RADIO ACCY Fuses and DEFOG/SEATS CKT BRKR
Figure 6:

I/P-2, TAIL LPS, STOP/HAZARD, PWR ACCY and CIG/ACCY Fuses


Object Number: 772069  Size: FS
Master Electrical Component List
IP DIMMER and STG WHL CNTRL Fuses
ENG CTRL, FUEL PUMP, AIR PUMP and PCM BAT Fuses
Switch Controls
Figure 7:

STG WHL CNTRL and IP DIMMER Fuses


Object Number: 772070  Size: FS
Master Electrical Component List
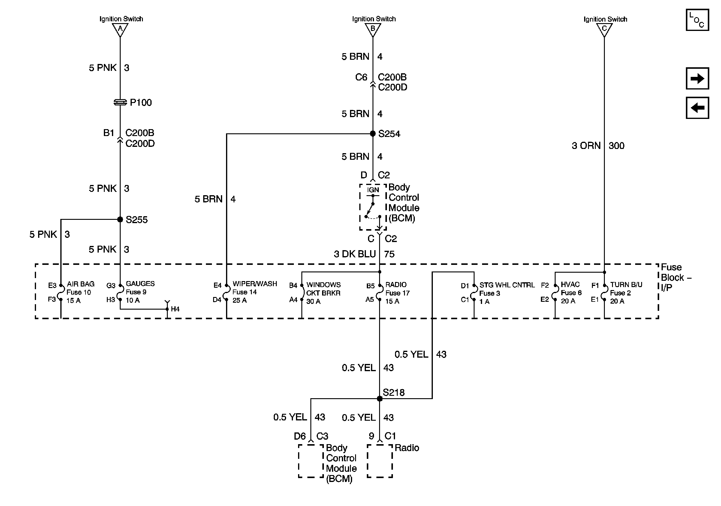
IGN Fuse and Ignition Switch Bussing
I/P-2,TAIL LPS, STOP/HAZARD,PWR ACCY and CIG/ACCY Fuses
SIR Caution
Figure 8:

IGN Fuse and Ignition Switch Bussing


Object Number: 772071  Size: FS
Master Electrical Component List
Ignition Switch Bussing
IP DIMMER and STG WHL CNTRL Fuses
Ignition Switch Bussing
Ignition Switch Bussing
Ignition Switch Bussing
Figure 9:

Ignition Switch Bussing


Object Number: 773209  Size: FS
Master Electrical Component List
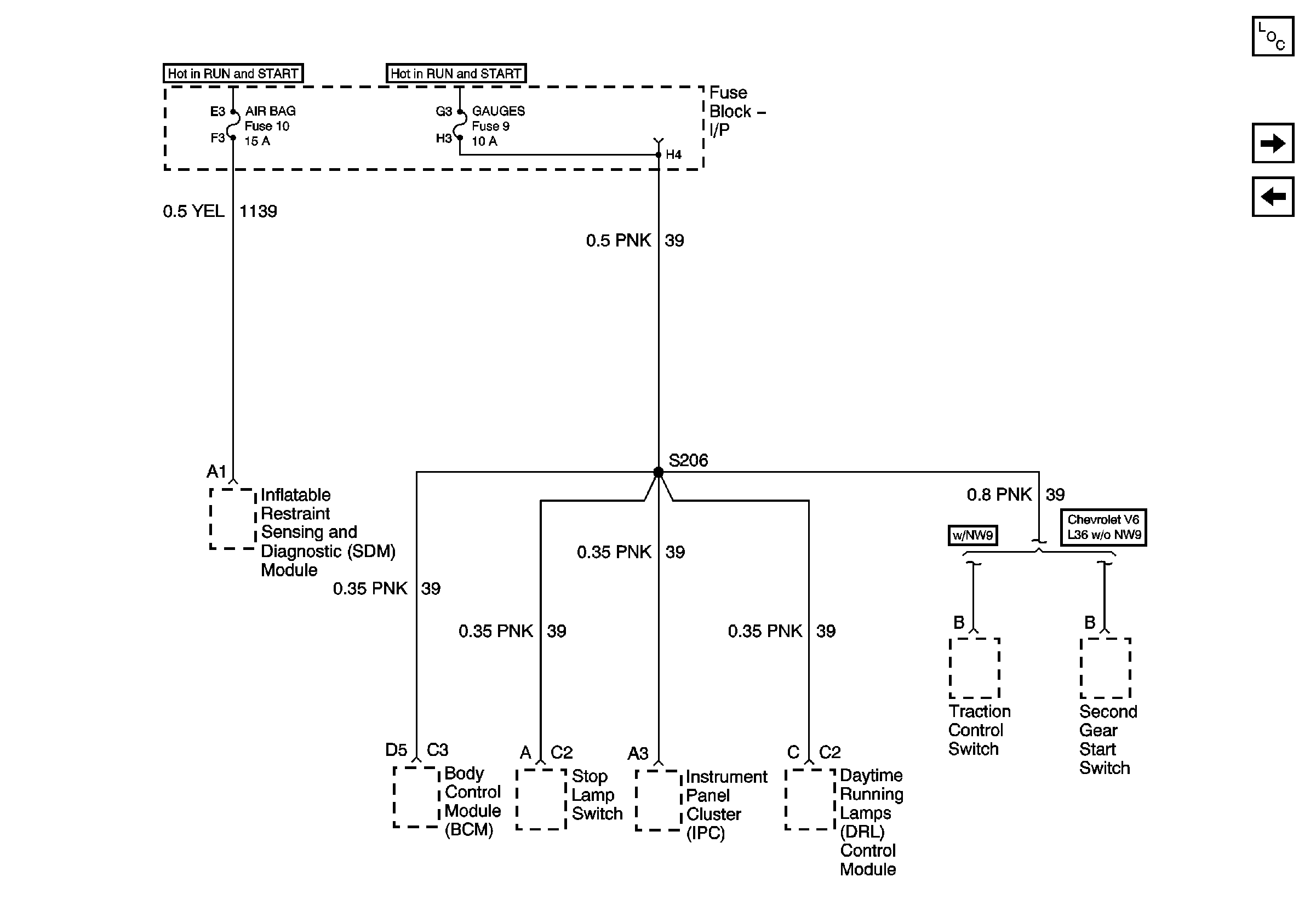
AIR BAG and GAUGES Fuses
IGN Fuse and Ignition Switch Bussing
IGN Fuse and Ignition Switch Bussing
IGN Fuse and Ignition Switch Bussing
IGN Fuse and Ignition Switch Bussing
Figure 10:

AIR BAG and GAUGES Fuses


Object Number: 773173  Size: FS
Master Electrical Component List
ABS IGN, PCM IGN and STRTR Fuses
Ignition Switch Bussing
Figure 11:

STRTR, PCM IGN and ABS IGN Fuses


Object Number: 773182  Size: FS
Master Electrical Component List
ENG CTRL Fuse
AIR BAG and GAUGES Fuses
Figure 12:

ENG CTRL Fuse


Object Number: 773178  Size: FS
Master Electrical Component List
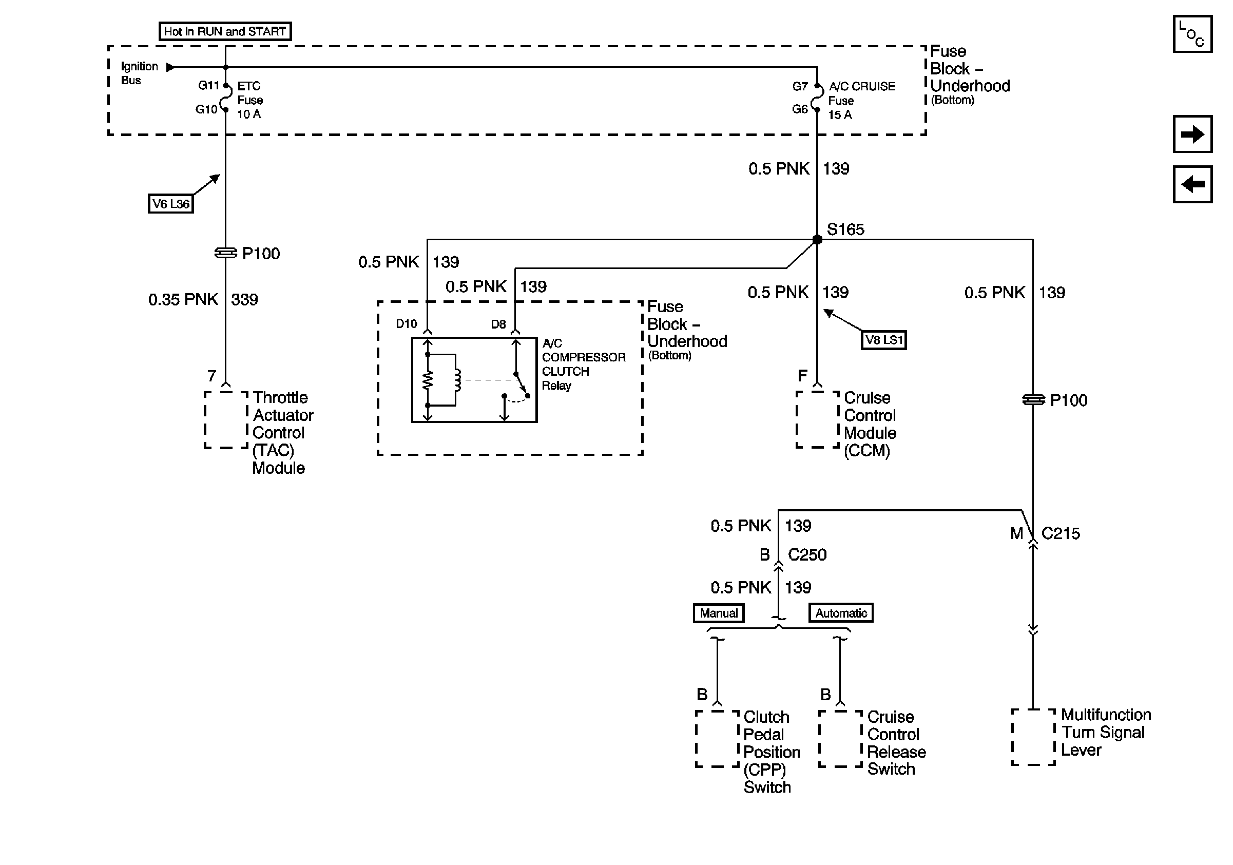
ETC and A/C CRUISE Fuses
ABS IGN, PCM IGN and STRTR Fuses
Figure 13:

ETC and A/C CRUISE Fuses


Object Number: 773199  Size: FS
Master Electrical Component List
INJ 1 Fuse
ENG CTRL Fuse
Figure 14:

INJ 1 Fuse


Object Number: 773201  Size: FS
Master Electrical Component List
INJ 2 Fuse
ETC and A/C CRUISE Fuses
Figure 15:

INJ 2 Fuse


Object Number: 773206  Size: FS
Master Electrical Component List
ENG SEN Fuse
INJ 1 Fuse
Figure 16:

ENG SEN Fuse


Object Number: 773208  Size: FS
Master Electrical Component List
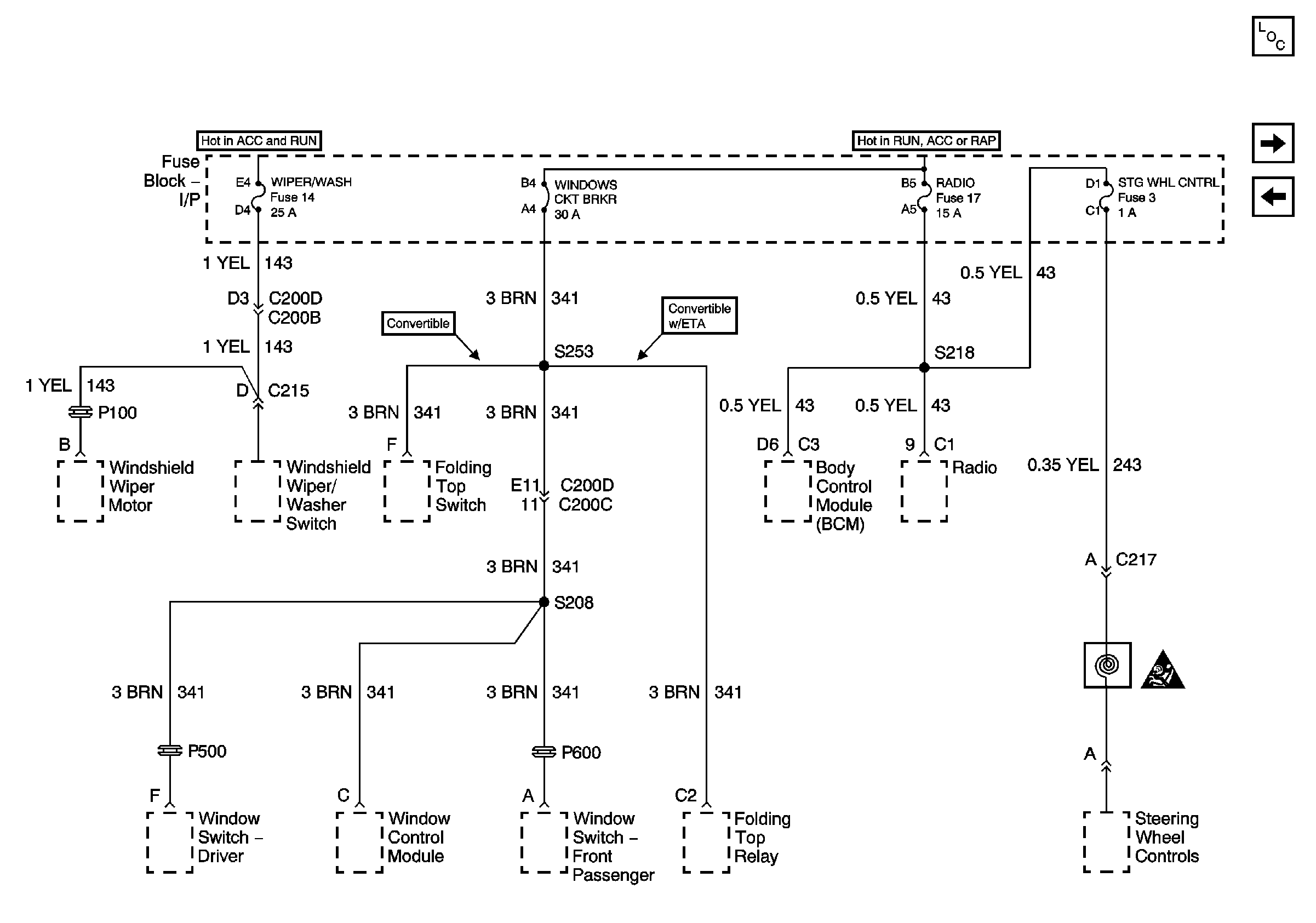
WINDOWS CKT BRKR, RADIO, STG WHL CNTRL, WIPER/WASH Fuses
INJ 2 Fuse
Figure 17:

WIPER/WASH, RADIO, STG WHL CNTRL Fuses and WINDOWS CKT BRKR


Object Number: 773212  Size: FS
Master Electrical Component List
HVAC and TURN B/U Fuses
ENG SEN Fuse
SIR Caution
Figure 18:

HVAC and TURN B/U Fuses


Object Number: 773217  Size: FS
Master Electrical Component List
WINDOWS CKT BRKR, RADIO, STG WHL CNTRL, WIPER/WASH Fuses