GM Service Manual Online
For 1990-2009 cars only
Figure 1:

G100, G101, G102, G109, G111, G202


Object Number: 773939  Size: FS
Master Electrical Component List
G105
Figure 2:

G105


Object Number: 773940  Size: FS
Master Electrical Component List
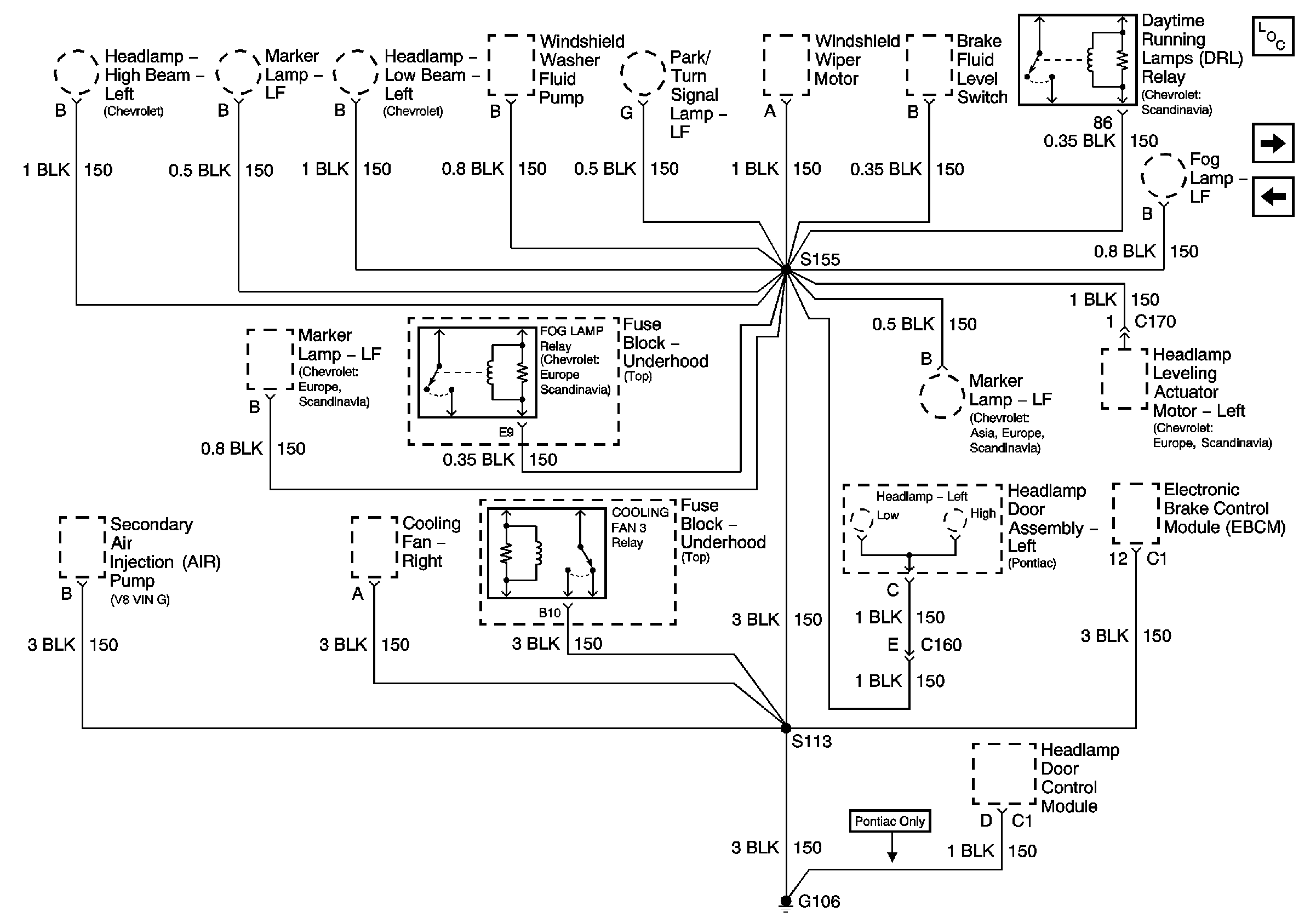
G106
G100, G101, G102, G109, G111, G202
Figure 3:

G106


Object Number: 773941  Size: FS
Master Electrical Component List
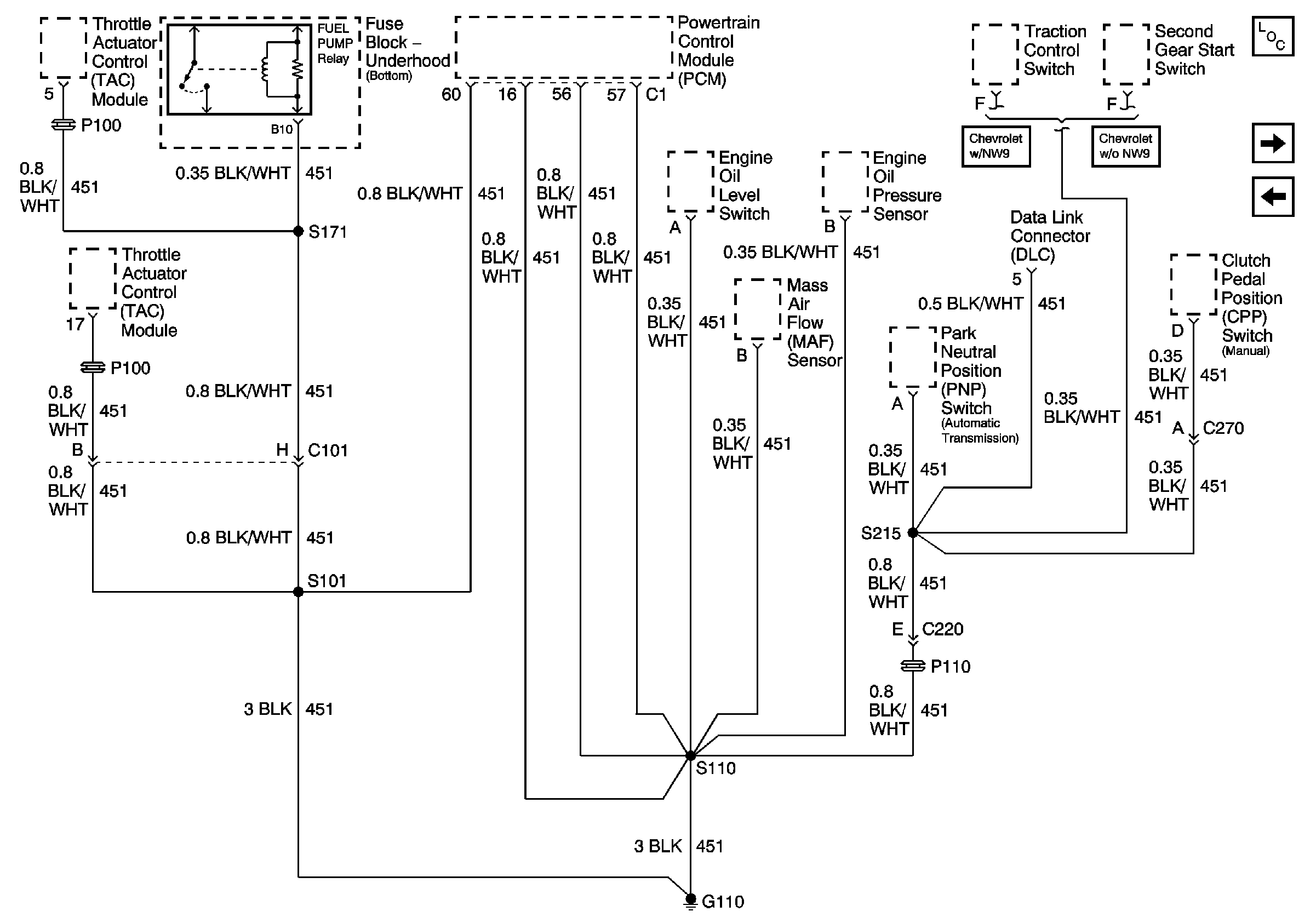
G110 V6 L36
G105
Figure 4:

G110 V6 L36


Object Number: 773881  Size: FS
Master Electrical Component List
G110 V8 LS1
G106
Figure 5:

G110 V8 LS1


Object Number: 773938  Size: FS
Master Electrical Component List
G112 V6 L36
G110 V6 L36
Figure 6:

G112 V6 L36


Object Number: 773869  Size: FS
Master Electrical Component List
G112 V8 LS1
G110 V8 LS1
Figure 7:

G112 V8 LS1


Object Number: 773883  Size: FS
Master Electrical Component List
G200 Page 1 of 3
G112 V6 L36
Figure 8:

G200 1 of 3


Object Number: 773993  Size: FS
Master Electrical Component List
G200 Page 2 of 3
G112 V8 LS1
G200 Page 2 of 3
Figure 9:

G200 2 of 3


Object Number: 773996  Size: FS
Master Electrical Component List
G200 3 of 3
G200 Page 1 of 3
G200 Page 1 of 3
G200 3 of 3
SIR Caution
Figure 10:

G200 3 of 3


Object Number: 773999  Size: FS
Master Electrical Component List
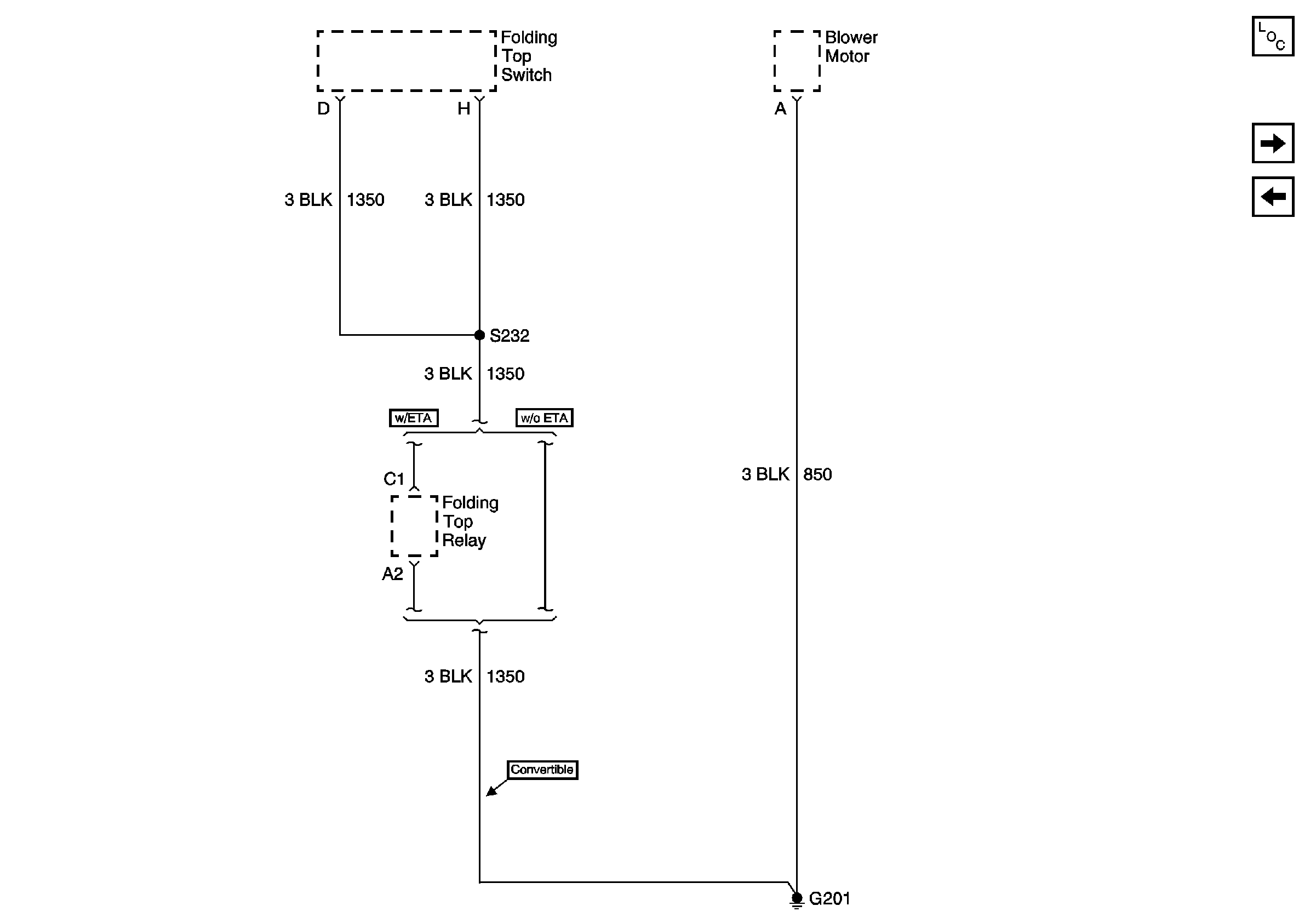
G201
G200 Page 2 of 3
G200 Page 2 of 3
Figure 11:

G201


Object Number: 774001  Size: FS
Master Electrical Component List
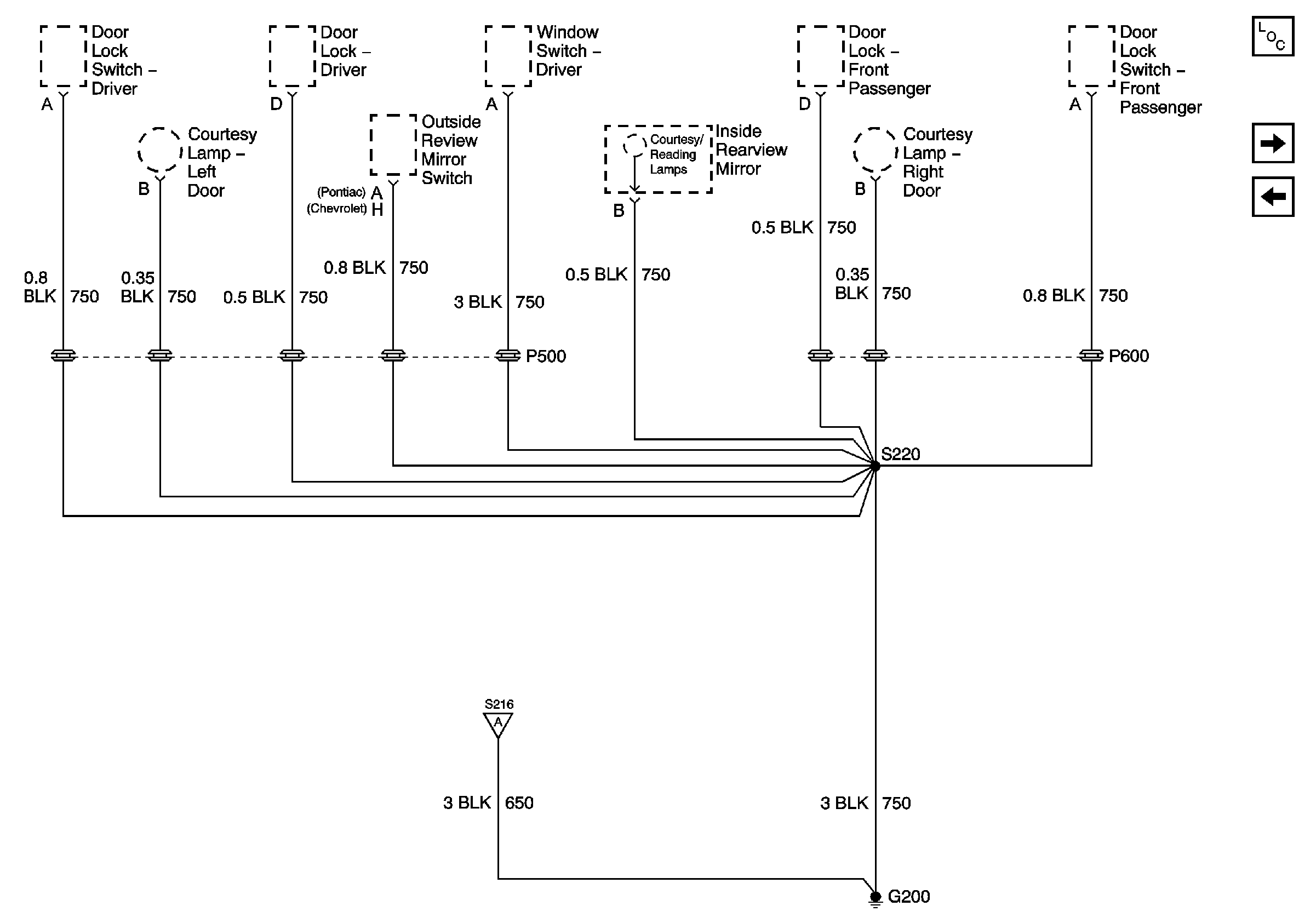
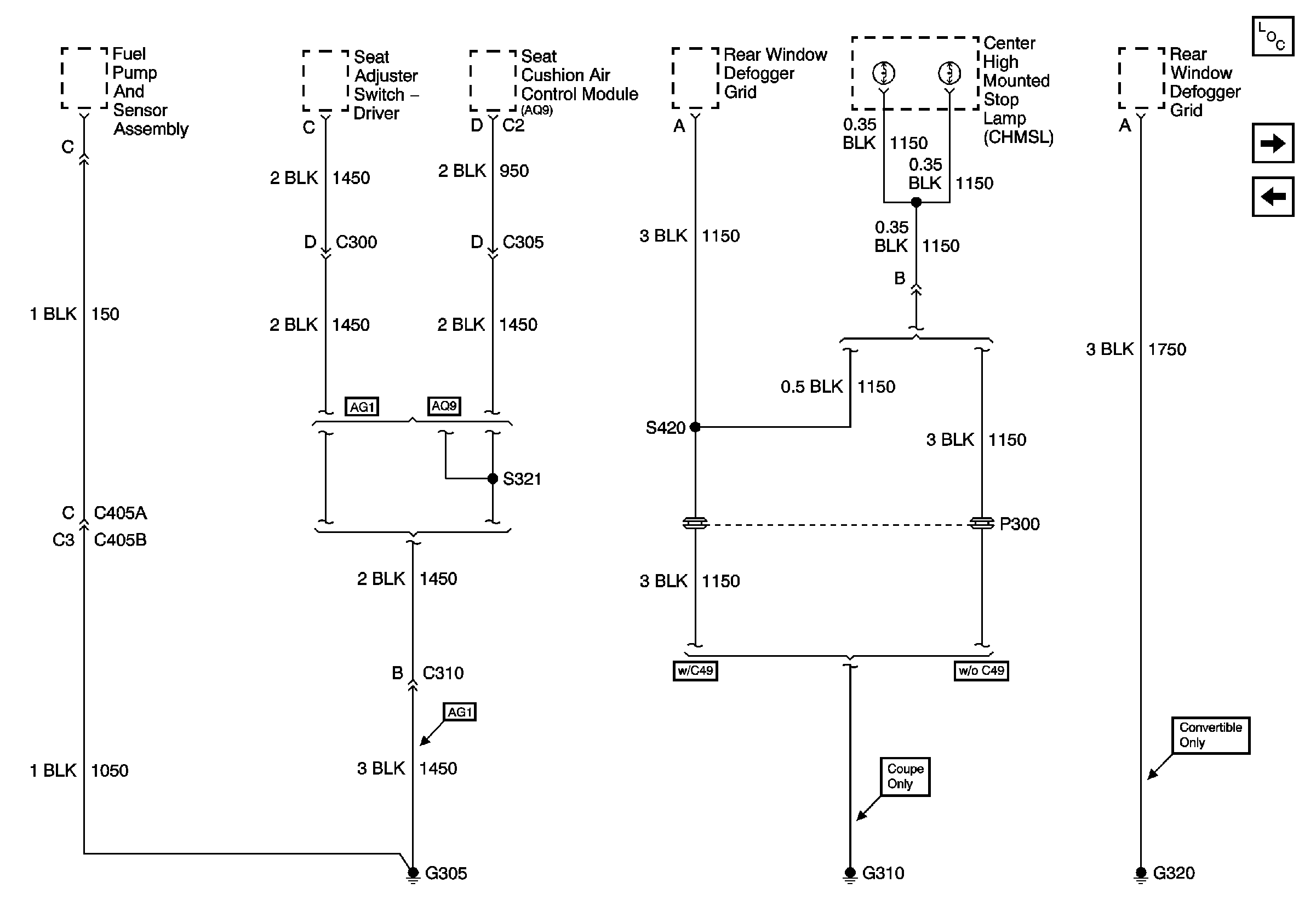
G305, G310, G320
G200 3 of 3
Figure 12:

G305, G310, G320


Object Number: 774003  Size: FS
Master Electrical Component List
G400 Chevrolet
G201
Figure 13:

G400 Chevrolet


Object Number: 774005  Size: FS
Master Electrical Component List
G400 Pontiac
G305, G310, G320
Figure 14:

G400 Pontiac


Object Number: 774006  Size: FS
Master Electrical Component List
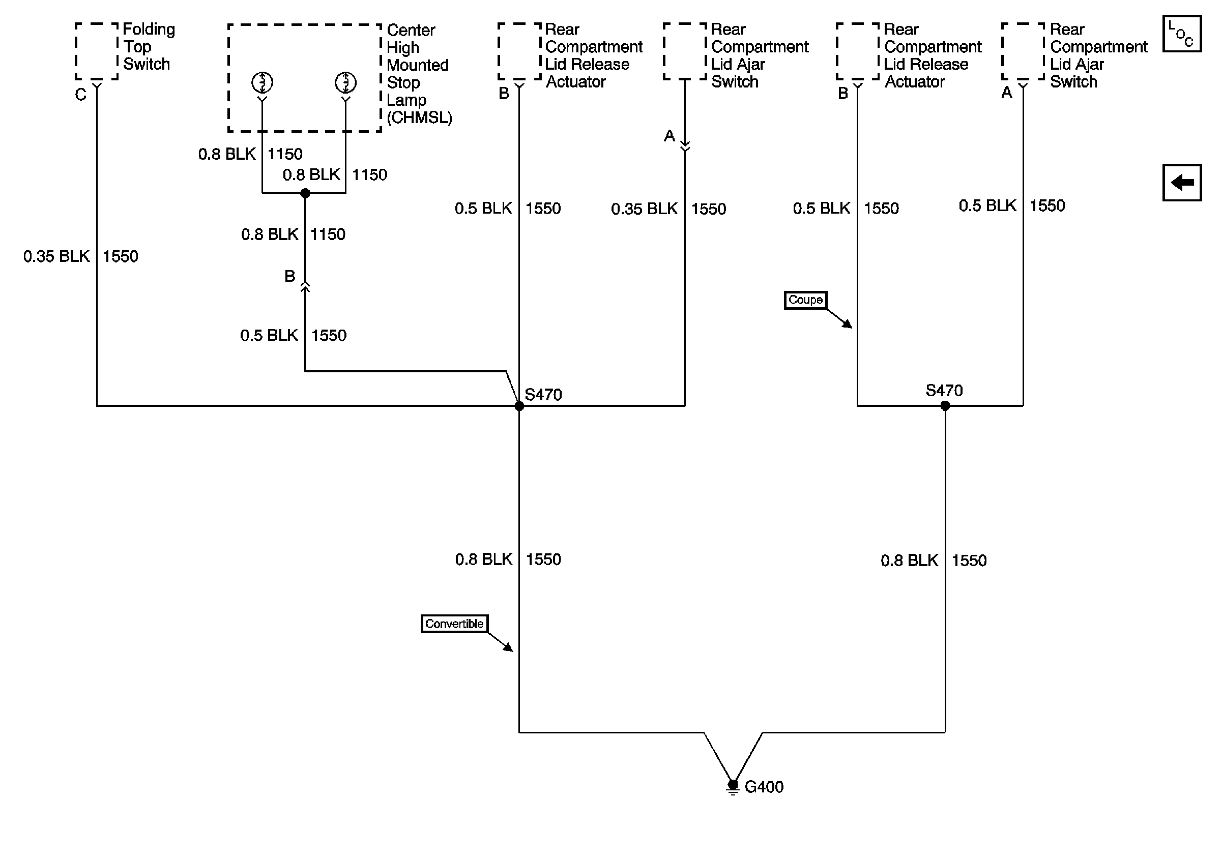
G400 Coupe and Convertible
G400 Chevrolet
Figure 15:

G400 Coupe and Convertible


Object Number: 774007  Size: FS
Master Electrical Component List
G400 Pontiac