GM Service Manual Online
For 1990-2009 cars only
Figure 1:

Cell 20: Power and Ground


Object Number: 278529  Size: FS
Figure 2:

Cell 20: MIL and DLC


Object Number: 278532  Size: FS
Figure 3:

Cell 20: Ignition System


Object Number: 278533  Size: FS
Figure 4:

Cell 20: CMP Sensor and CKP Sensor


Object Number: 278534  Size: FS
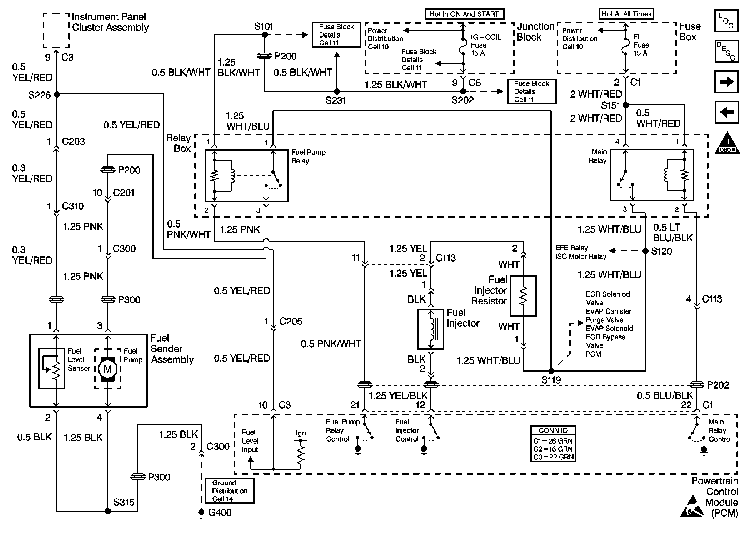
Figure 5:

Cell 20: Fuel Controls


Object Number: 278535  Size: FS
Figure 6:

Cell 20: Engine Data Sensors


Object Number: 278536  Size: FS
Figure 7:

Cell 20: HO2S Sensors


Object Number: 278538  Size: FS
Figure 8:

Cell 20: Idle Speed Control


Object Number: 278541  Size: FS
Figure 9:

Cell 20: Idle-Up Signals


Object Number: 278542  Size: FS
Figure 10:

Cell 20: EVAP Controls


Object Number: 443992  Size: FS
Figure 11:

Cell 20: EGR Controls and EFE Heater


Object Number: 278539  Size: FS
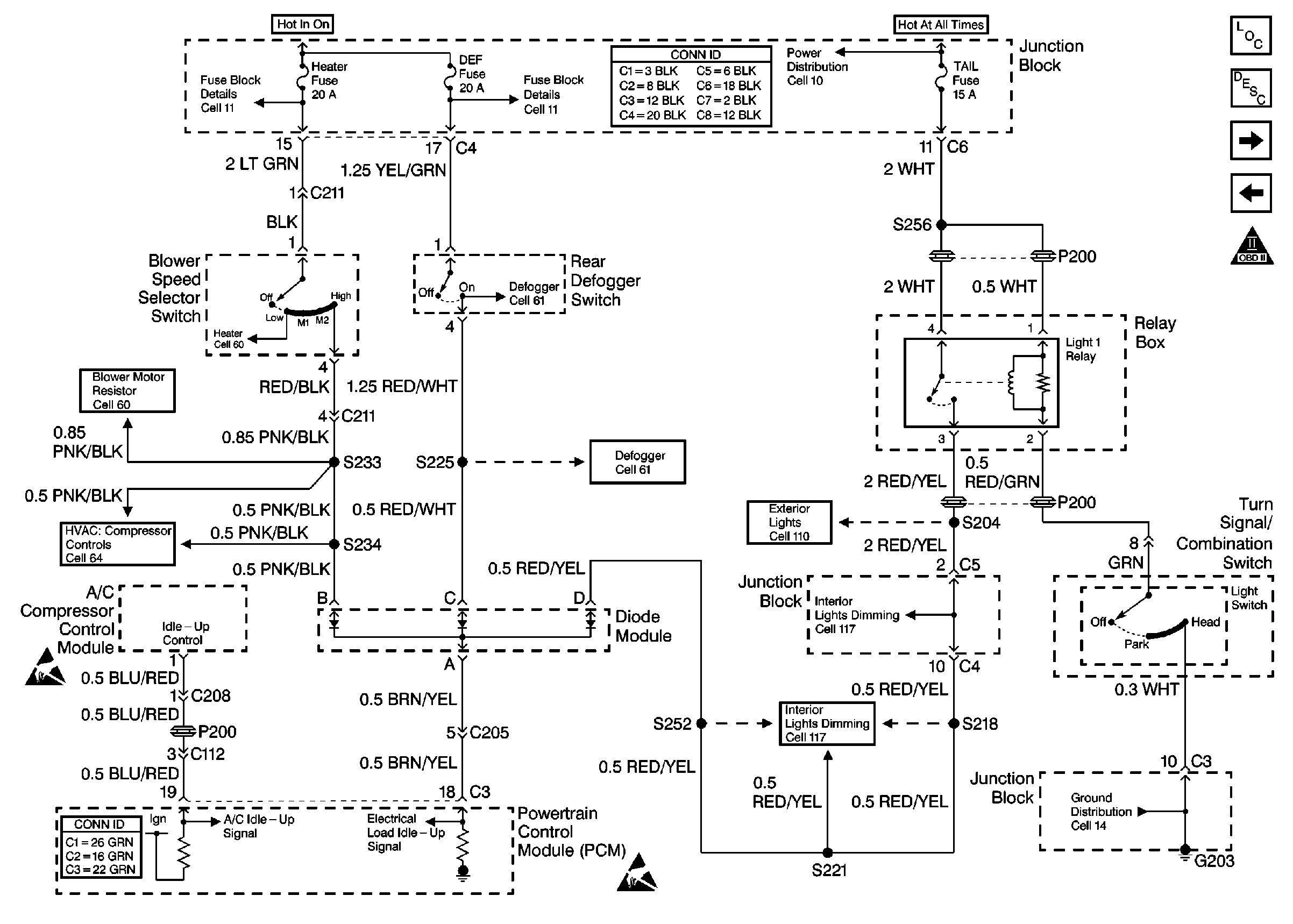
Figure 12:

Cell 20: Cooling Fan Controls and A/C Controls


Object Number: 278543  Size: FS