GM Service Manual Online
For 1990-2009 cars only
Figure 1:

Cell 110: License Plate Lamp


Object Number: 351037  Size: FS
Lighting Systems Components
Exterior Lights Circuit Description
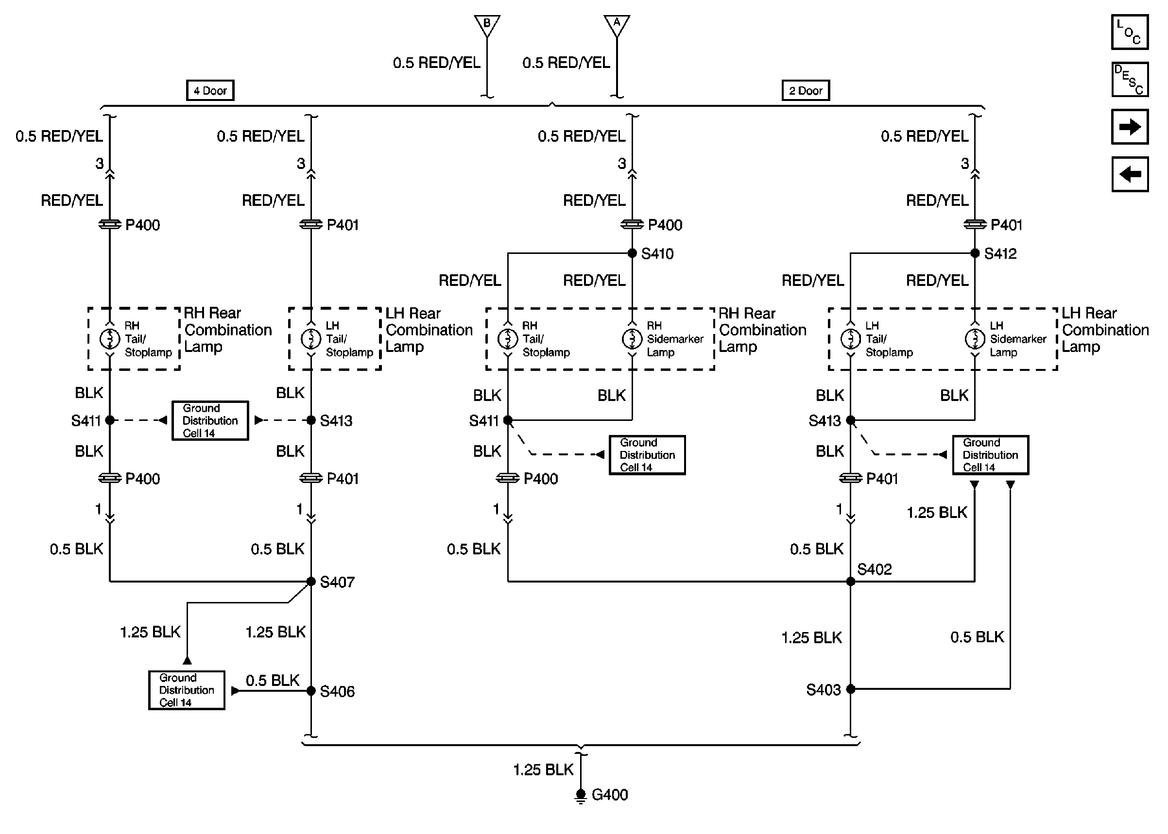
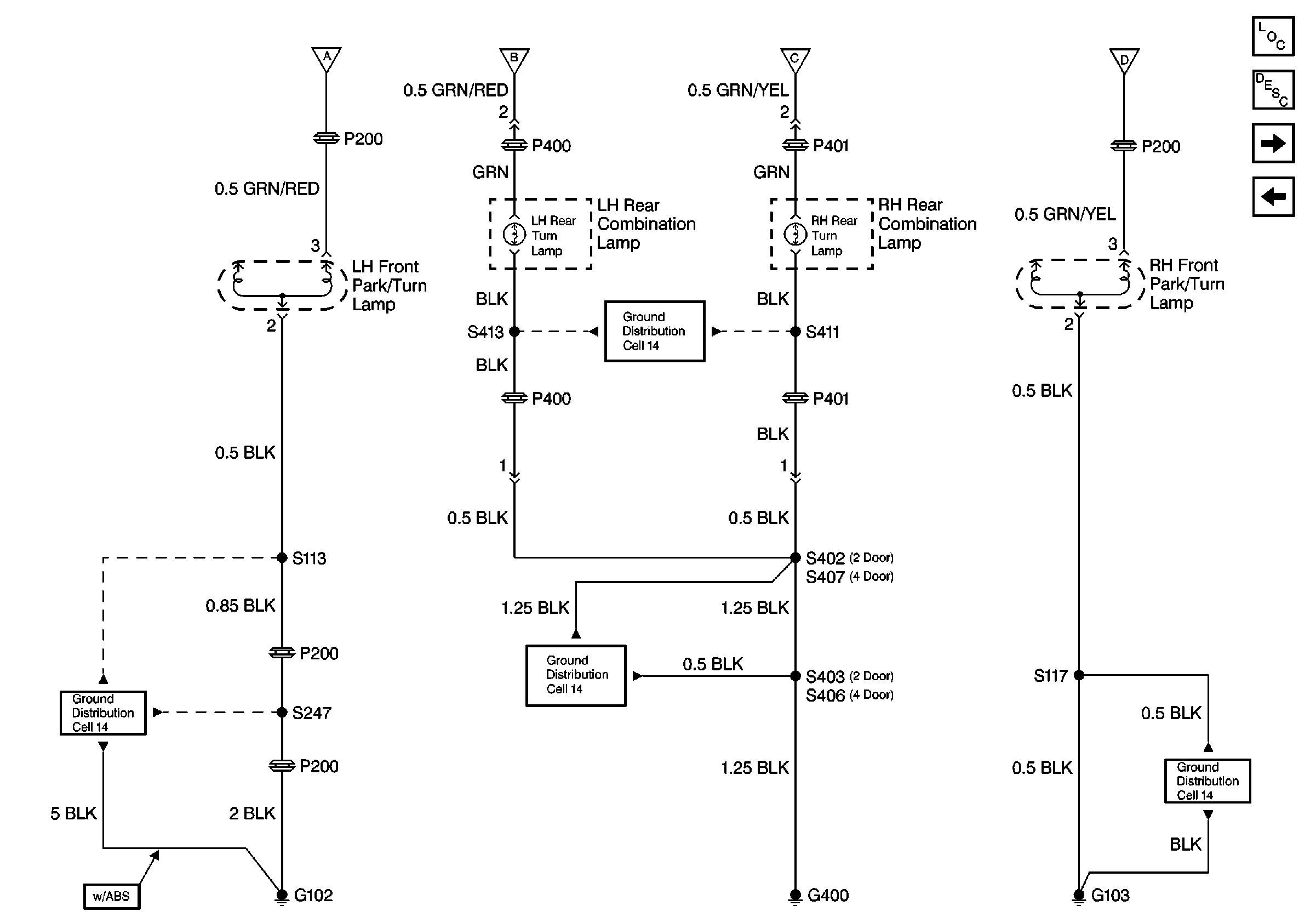
Cell 110: Rear Combination Lamps
Interior Lights Dimming Schematics
Interior Lights Dimming Schematics
Power Distribution Schematics
Ground Distribution Schematics
Ground Distribution Schematics
Ground Distribution Schematics
Figure 2:

Cell 110: Rear Combination Lamps


Object Number: 351050  Size: FS
Lighting Systems Components
Exterior Lights Circuit Description
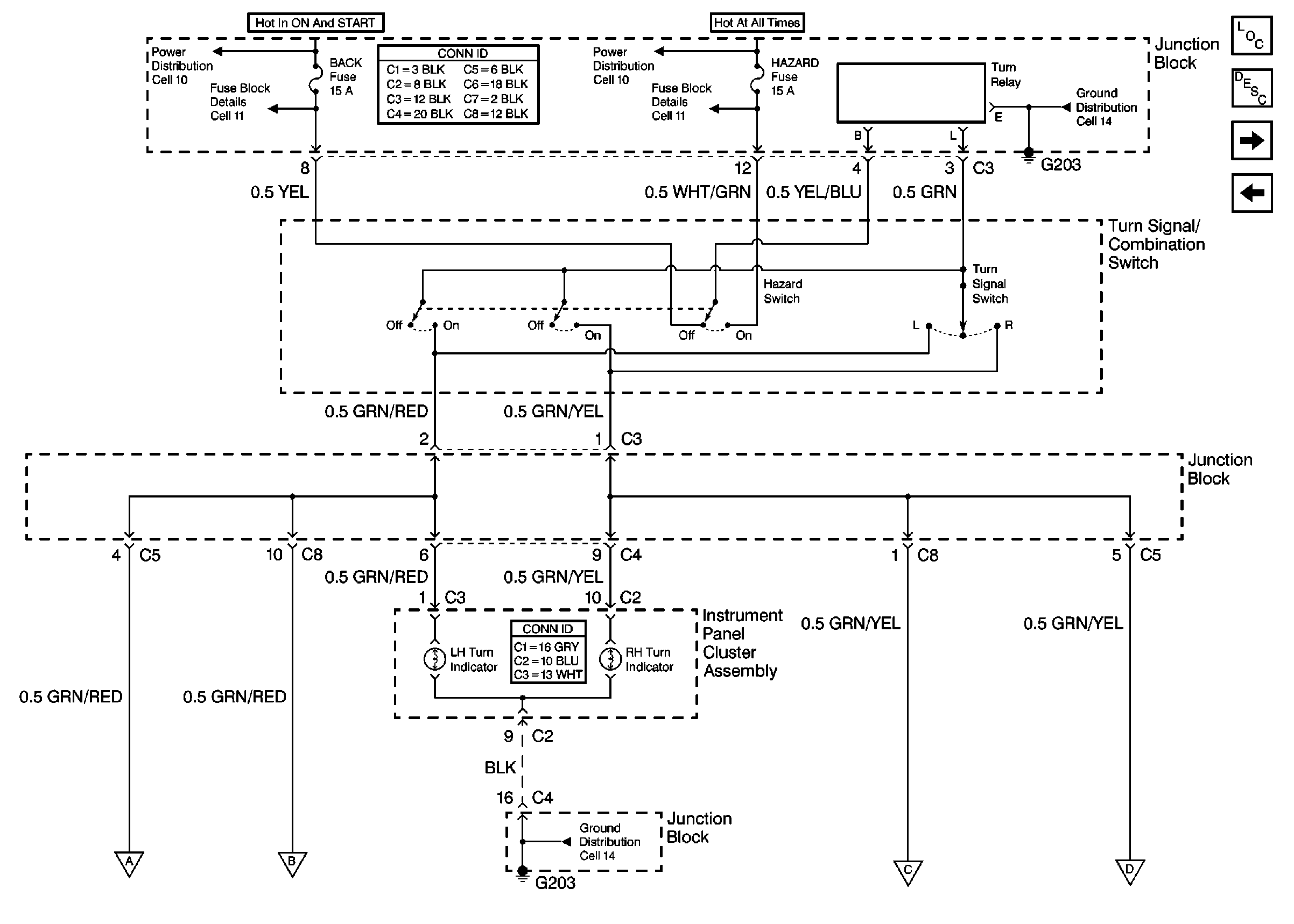
Cell 110: Instrument Panel Cluster Assembly
Cell 110: License Plate Lamp
Ground Distribution Schematics
Ground Distribution Schematics
Ground Distribution Schematics
Ground Distribution Schematics
Figure 3:

Cell 110: Instrument Panel Cluster Assembly


Object Number: 351056  Size: FS
Lighting Systems Components
Exterior Lights Circuit Description
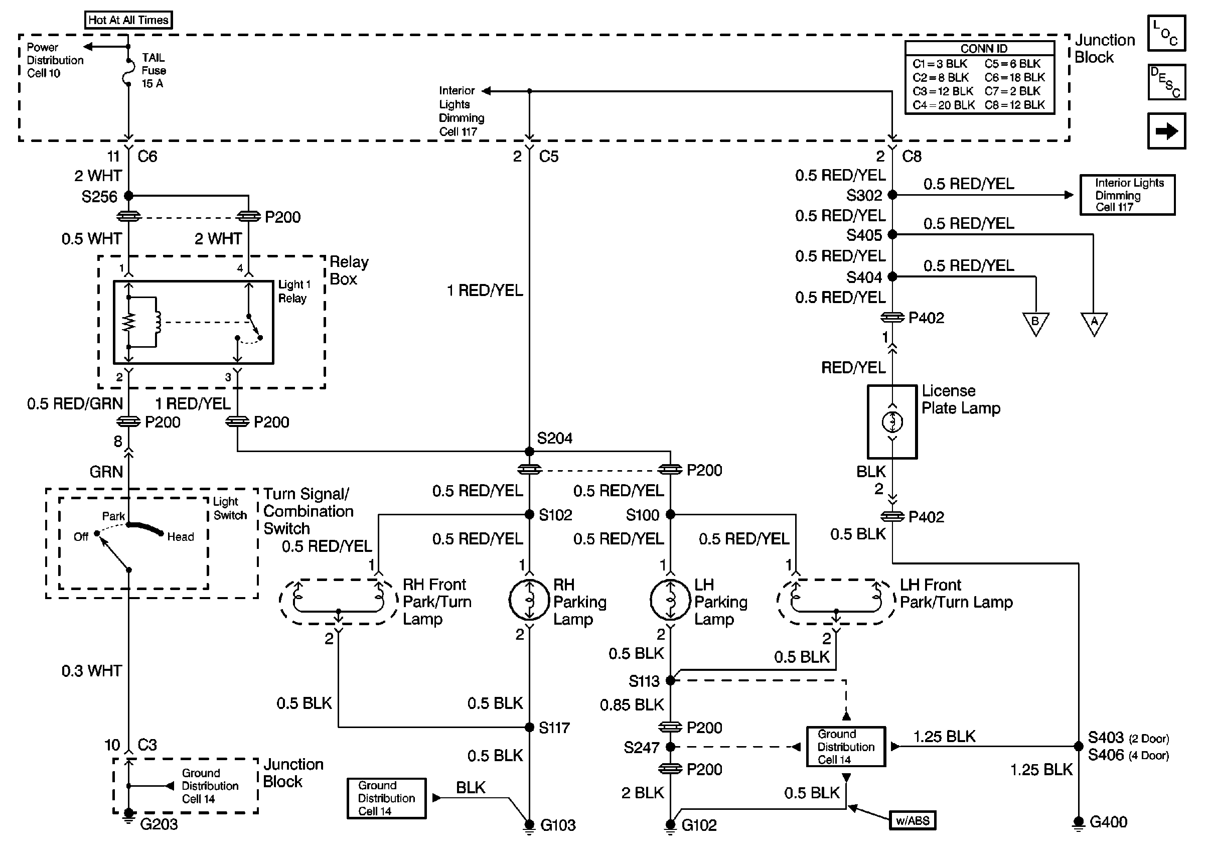
Cell 110: Combination Lamps
Cell 110: Rear Combination Lamps
Ground Distribution Schematics
Fuse Block Schematics
Power Distribution Schematics
Fuse Block Schematics
Power Distribution Schematics
Ground Distribution Schematics
Figure 4:

Cell 110: Combination Lamps


Object Number: 351060  Size: FS
Lighting Systems Components
Exterior Lights Circuit Description
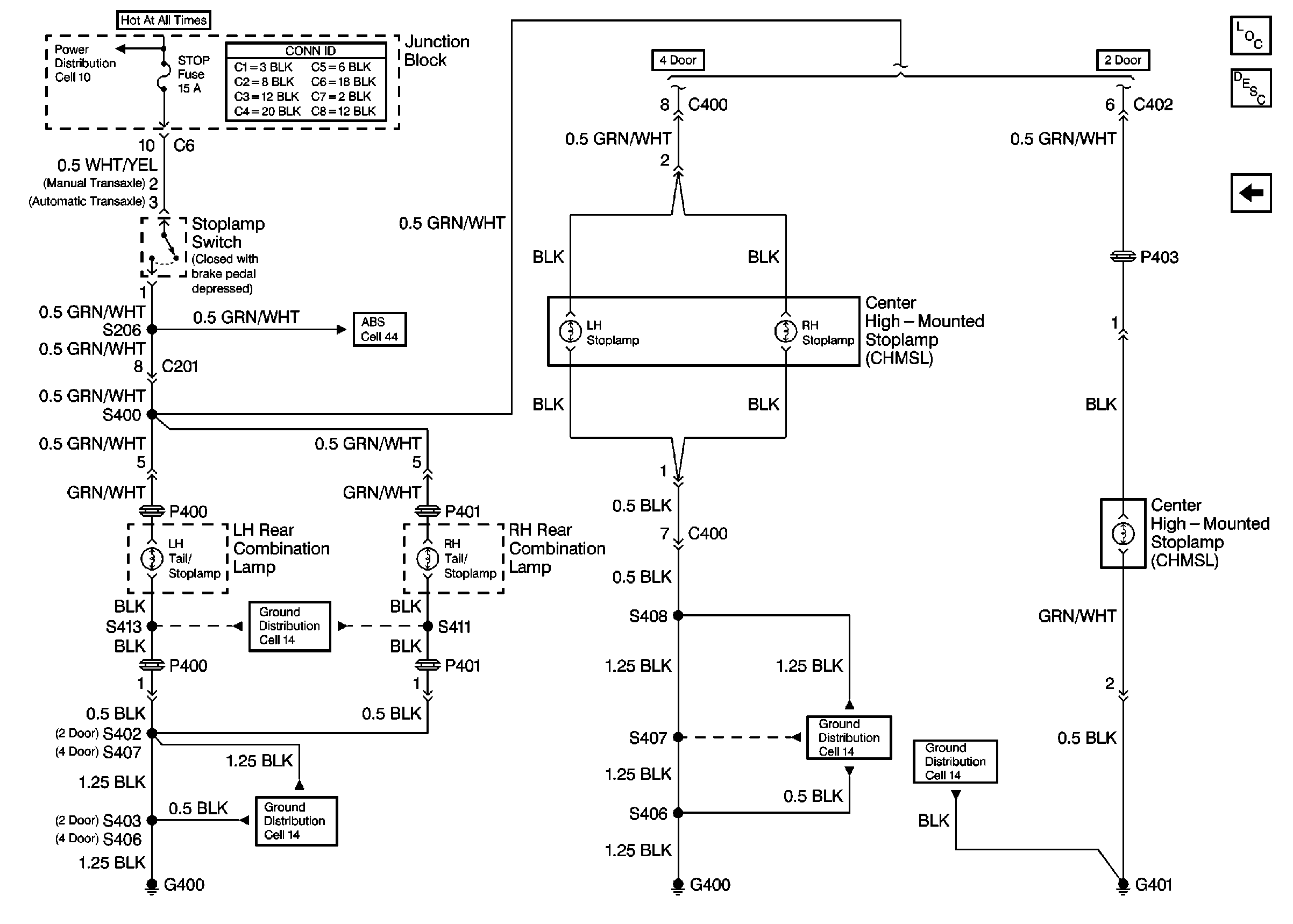
Cell 110: Center High-Mounted Stop Lamp
Cell 110: Instrument Panel Cluster Assembly
Ground Distribution Schematics
Ground Distribution Schematics
Ground Distribution Schematics
Ground Distribution Schematics
Ground Distribution Schematics
Ground Distribution Schematics
Figure 5:

Cell 110: Center High-Mounted Stop Lamp


Object Number: 351065  Size: FS
Lighting Systems Components
Exterior Lights Circuit Description
Cell 110: Combination Lamps
Power Distribution Schematics
Ground Distribution Schematics
Ground Distribution Schematics
Ground Distribution Schematics
Ground Distribution Schematics