GM Service Manual Online
For 1990-2009 cars only
Makes
🢒
Pontiac
🢒
2000
🢒
Firefly (Canada)
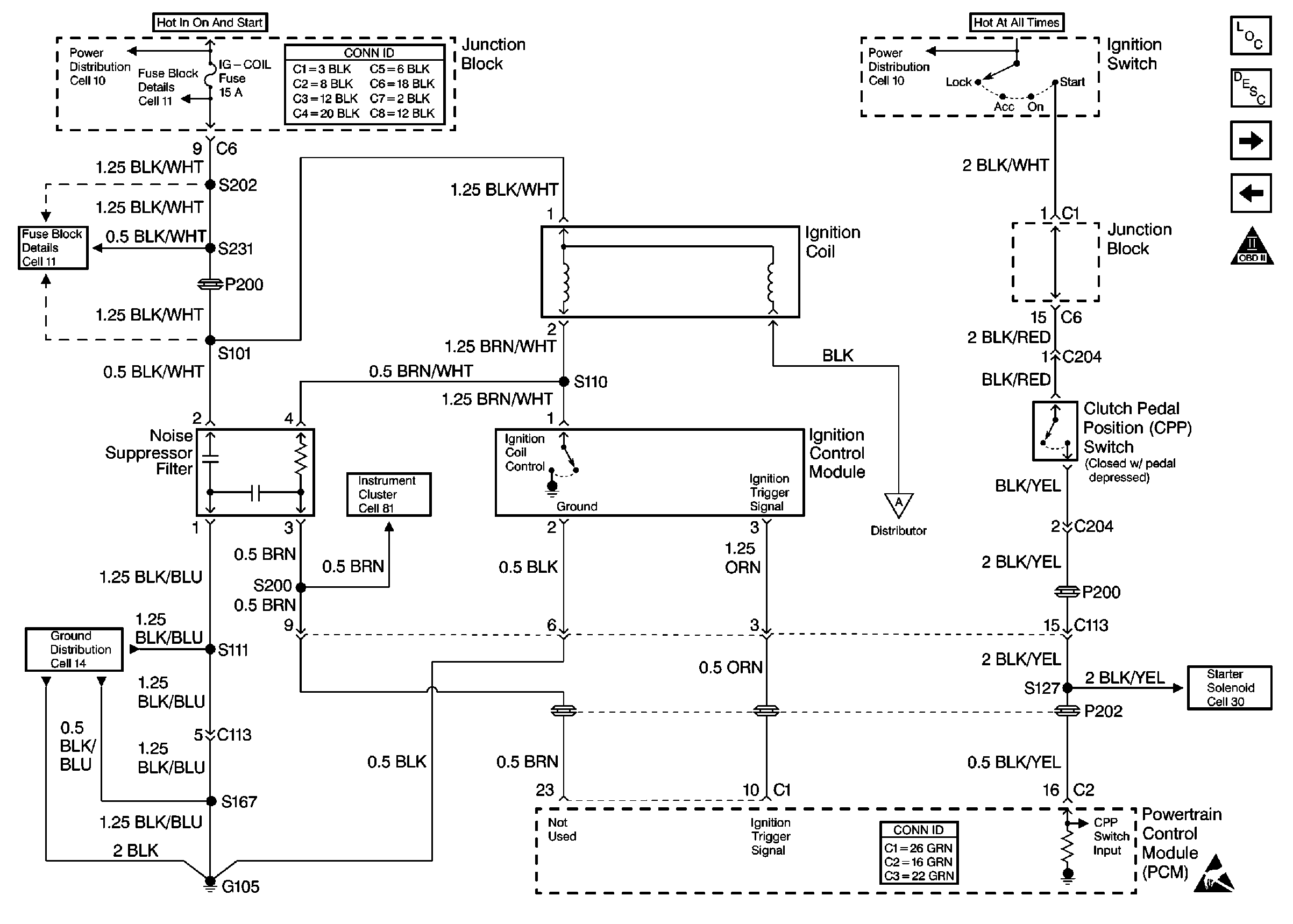
🢒 Cell 20: Ignition System
Cell 20: Ignition System
Cell 20: Ignition System