GM Service Manual Online
For 1990-2009 cars only
Makes
🢒
Pontiac
🢒
2000
🢒
Firefly (Canada)
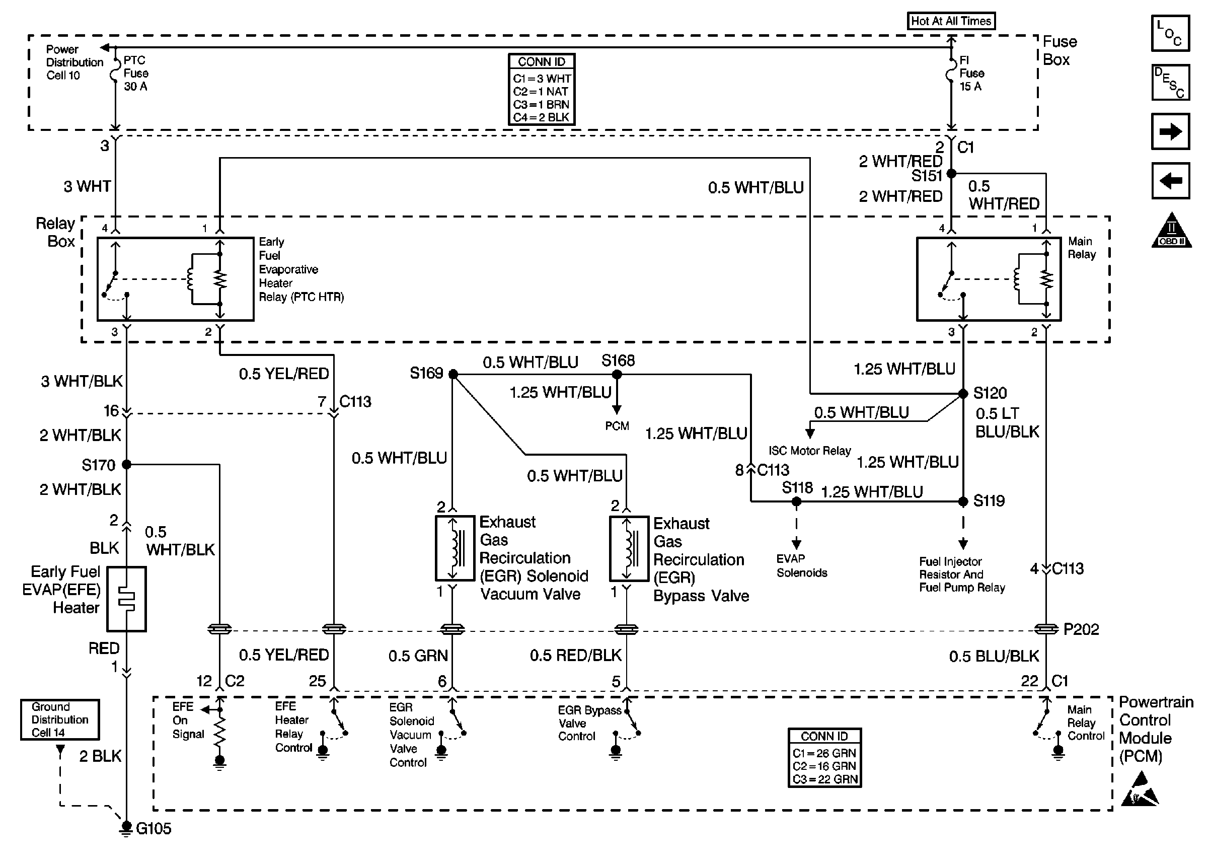
🢒 Cell 20: EGR Controls and EFE Heater
Cell 20: EGR Controls and EFE Heater
Cell 20: EGR Controls and EFE Heater