GM Service Manual Online
For 1990-2009 cars only
Figure 1:

G101, G102


Object Number: 1785142  Size: FS
Master Electrical Component List
Control Module References
G103, G105, G107
Figure 2:

G103, G105


Object Number: 1785143  Size: FS
Master Electrical Component List
Control Module References
G109, G111, G203, G306
G101, G102
Figure 3:

G109, G111, G203, G306


Object Number: 1791336  Size: FS
Master Electrical Component List
Control Module References
G201 (1 of 2)
G103, G105, G107
Power and Grounding Schematic Icons
Figure 4:

G201 (1 of 2)


Object Number: 1785145  Size: FS
Master Electrical Component List
Control Module References
G201 (2 of 2)
G109, G111, G203, G306
Figure 5:

G201 (2 of 2)


Object Number: 1785219  Size: FS
Master Electrical Component List
Control Module References
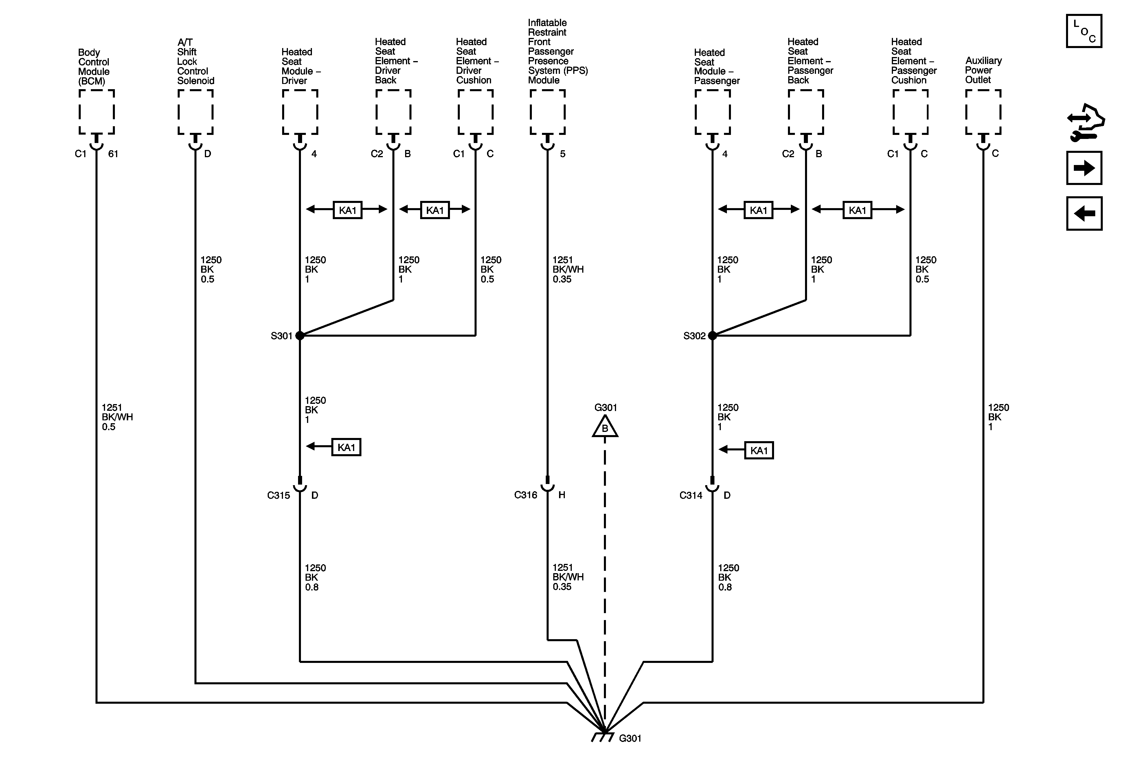
G301 (1 of 2)
G201 (1 of 2)
Power and Grounding Schematic Icons
Figure 6:

G301 (1 of 2)


Object Number: 1785146  Size: FS
Master Electrical Component List
Control Module References
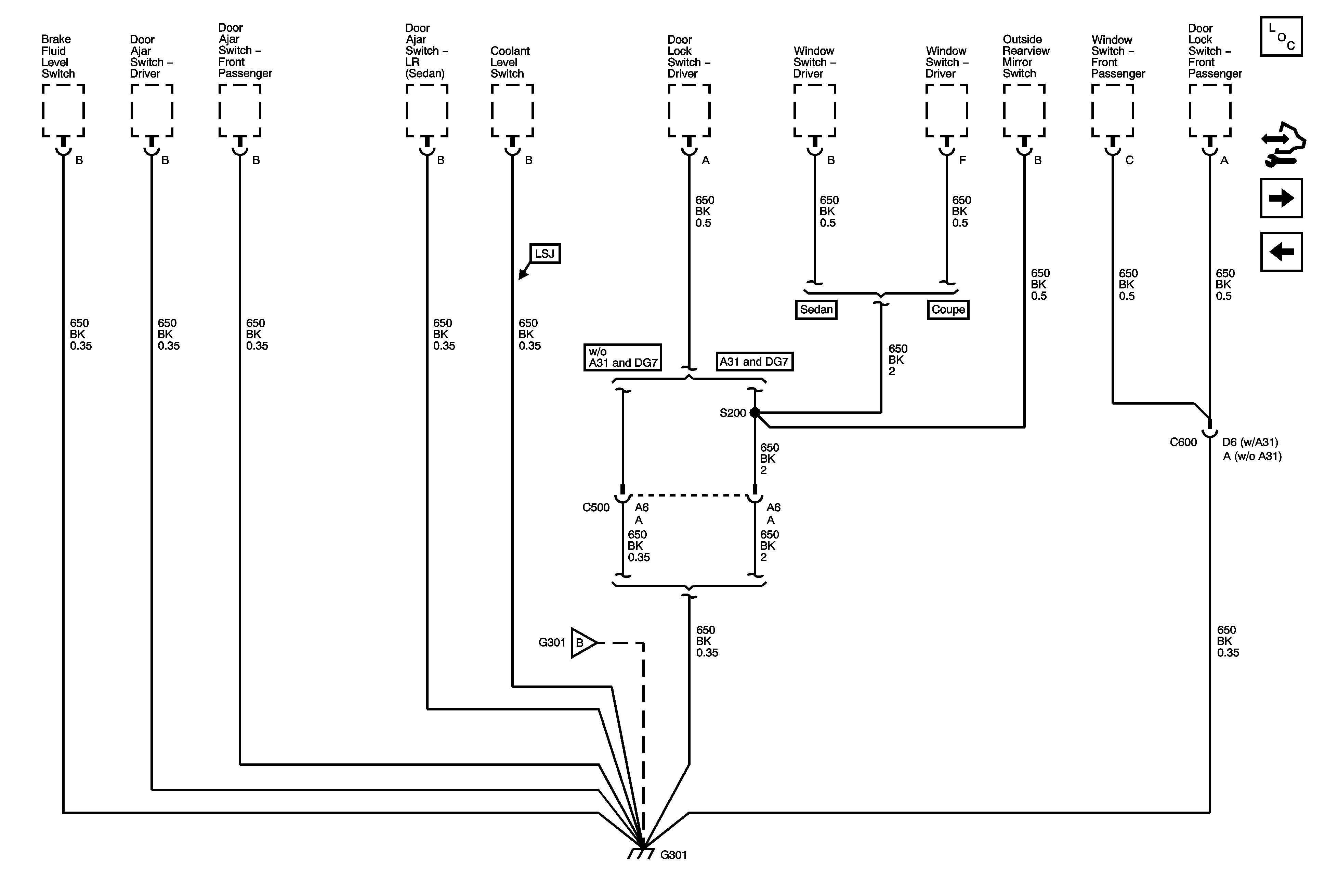
G301 (2 of 2)
G201 (2 of 2)
G301 (2 of 2)
Figure 7:

G301 (2 of 2)


Object Number: 1785148  Size: FS
Master Electrical Component List
Control Module References
G401
G301 (1 of 2)
G301 (1 of 2)
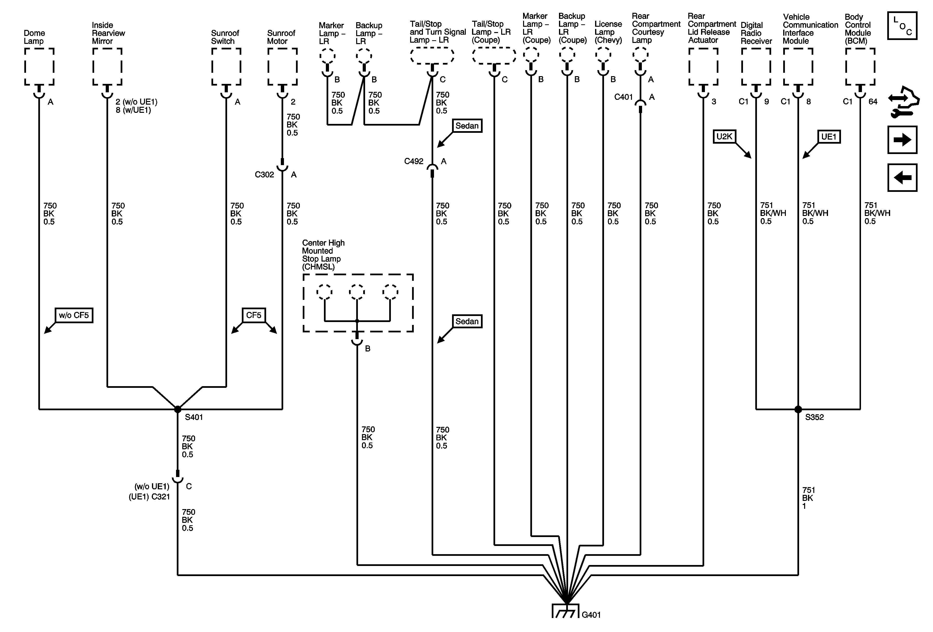
Figure 8:

G401


Object Number: 1785149  Size: FS
Master Electrical Component List
Control Module References
G402, G403
G301 (2 of 2)
Figure 9:

G402, G403


Object Number: 1785166  Size: FS
Master Electrical Component List
Control Module References
G401