GM Service Manual Online
For 1990-2009 cars only
Makes
🢒
Pontiac
🢒
2007
🢒
G5
🢒
Body Systems
🢒
Lighting
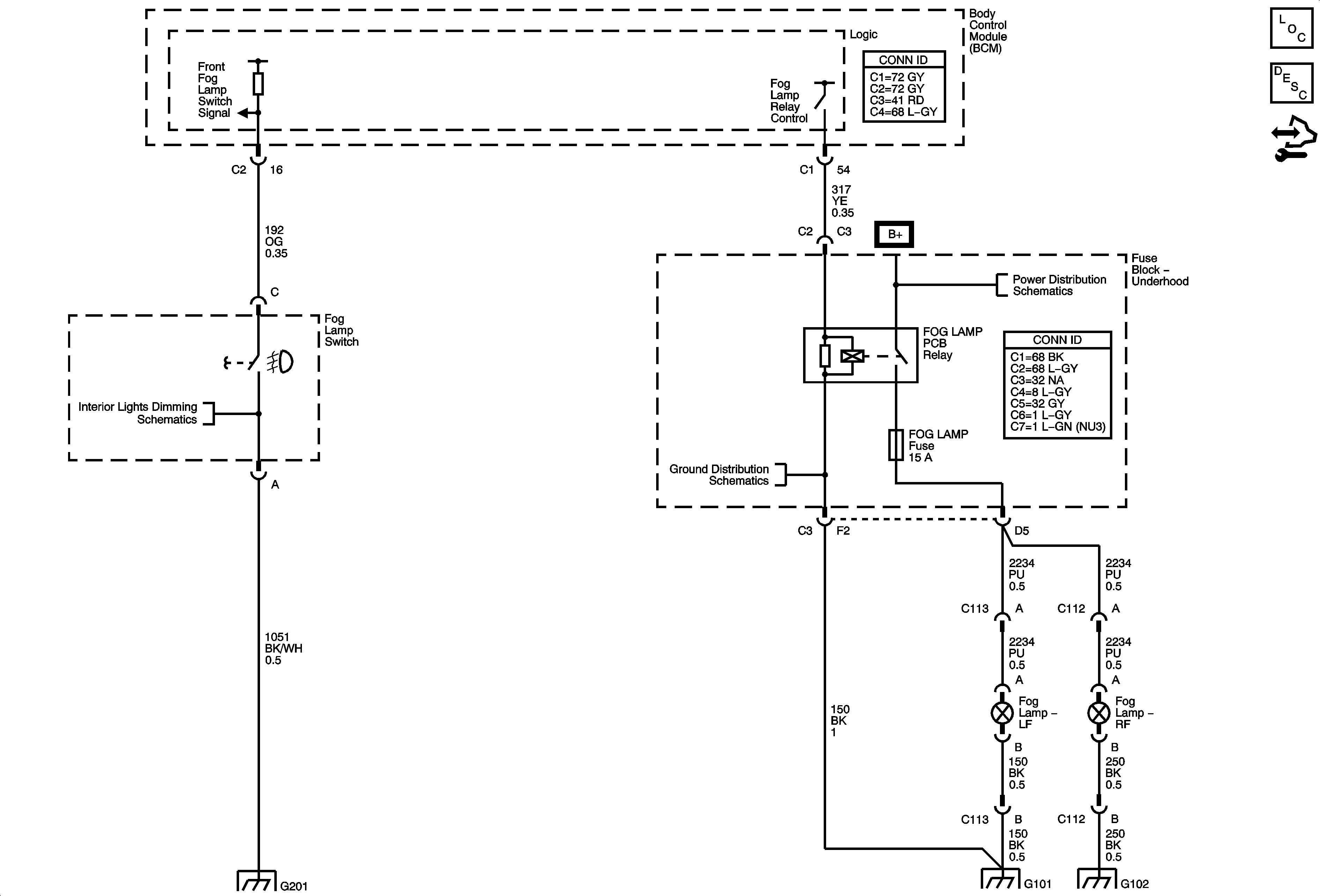
🢒 Fog Lights Schematics
Master Electrical Component List
Exterior Lighting Systems Description and Operation
Control Module References
Dimmer Switch Inputs
G101, G102
Underhood Fuse Block Fuses- AFTERCOOL, AIR PMP, AIR SOL, FOG LP, HORN, TRUNK/OUTLET
G201 (1 of 2)
G101, G102
G101, G102