GM Service Manual Online
For 1990-2009 cars only

Sedan

Sedan


Object Number: 1784527  Size: FS
Master Electrical Component List
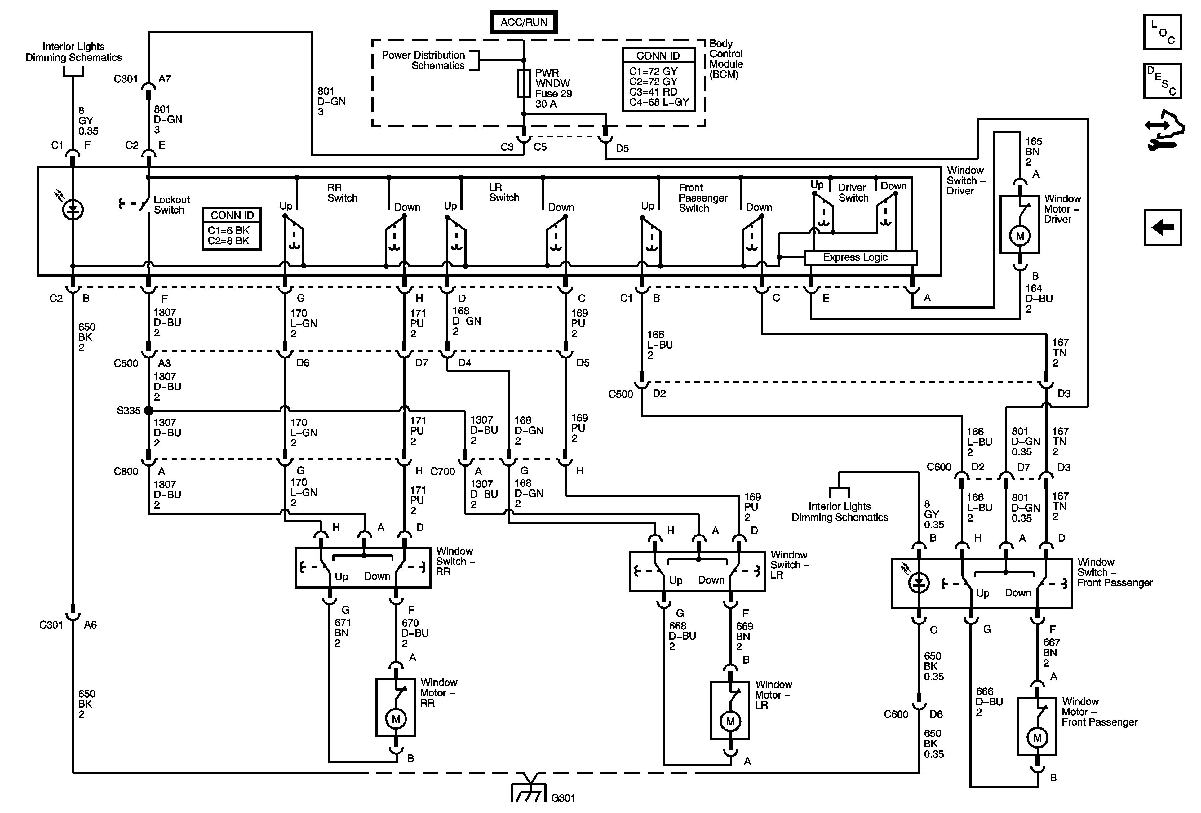
Power Windows Description and Operation
Control Module References
Coupe
Door and Seat Lighting
BCM Fuses - DR LCK, ECM/TCM, INT LIGHT, PWR WNDW, RDO, SDM, S ROOF
Door and Seat Lighting
G301 (2 of 2)