GM Service Manual Online
For 1990-2009 cars only
Makes
🢒
Pontiac
🢒
2007
🢒
G5
🢒 Inputs
Inputs
Inputs
Master Electrical Component List
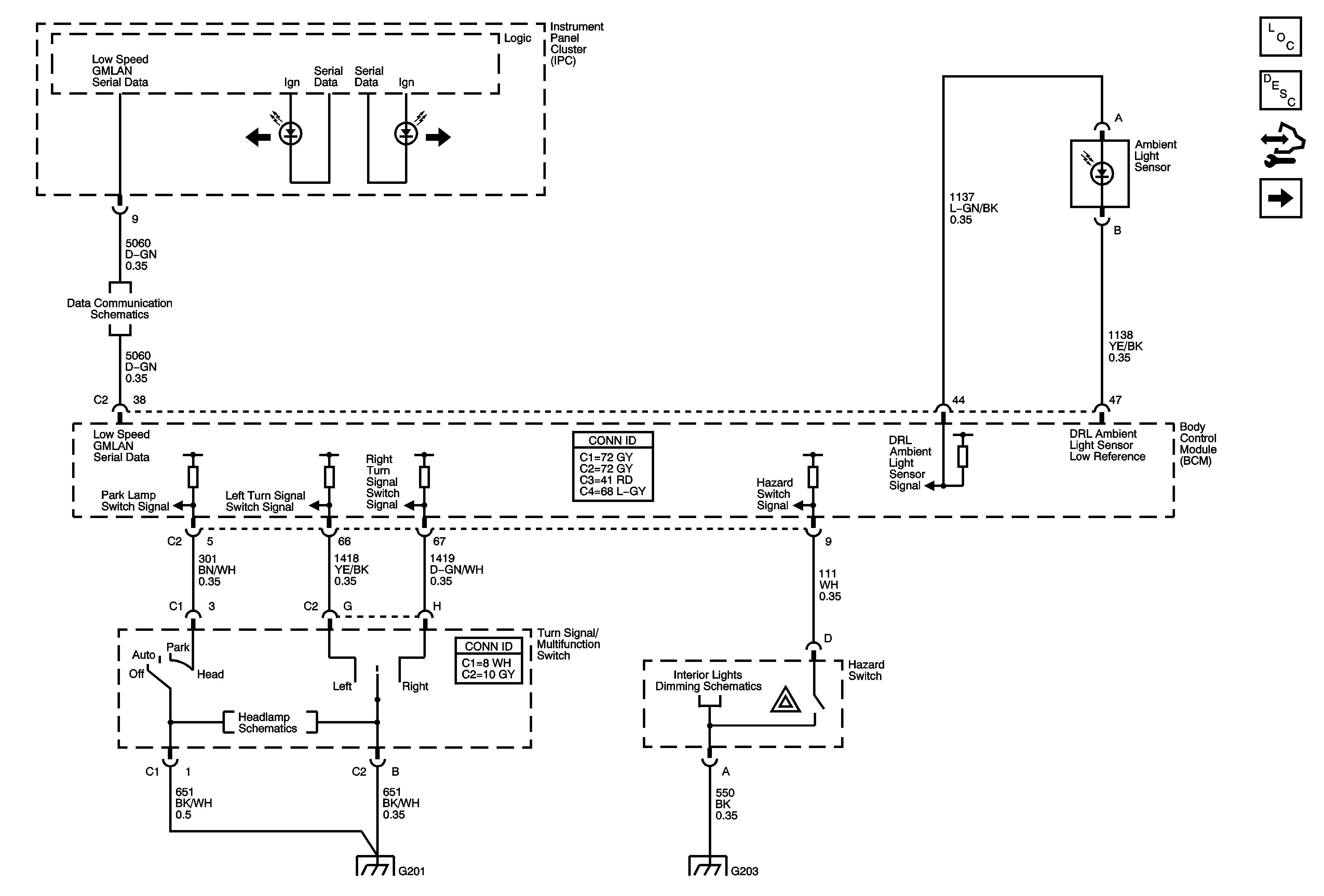
Exterior Lighting Systems Description and Operation
Control Module References
Park Lamps
Power, Ground, Low Speed GMLAN
Fog Lamps Schematic
Dimmer Switch Inputs
G201 (1 of 2)
G109, G111, G203, G306