GM Service Manual Online
For 1990-2009 cars only
Makes
🢒
Pontiac
🢒
2007
🢒
G5
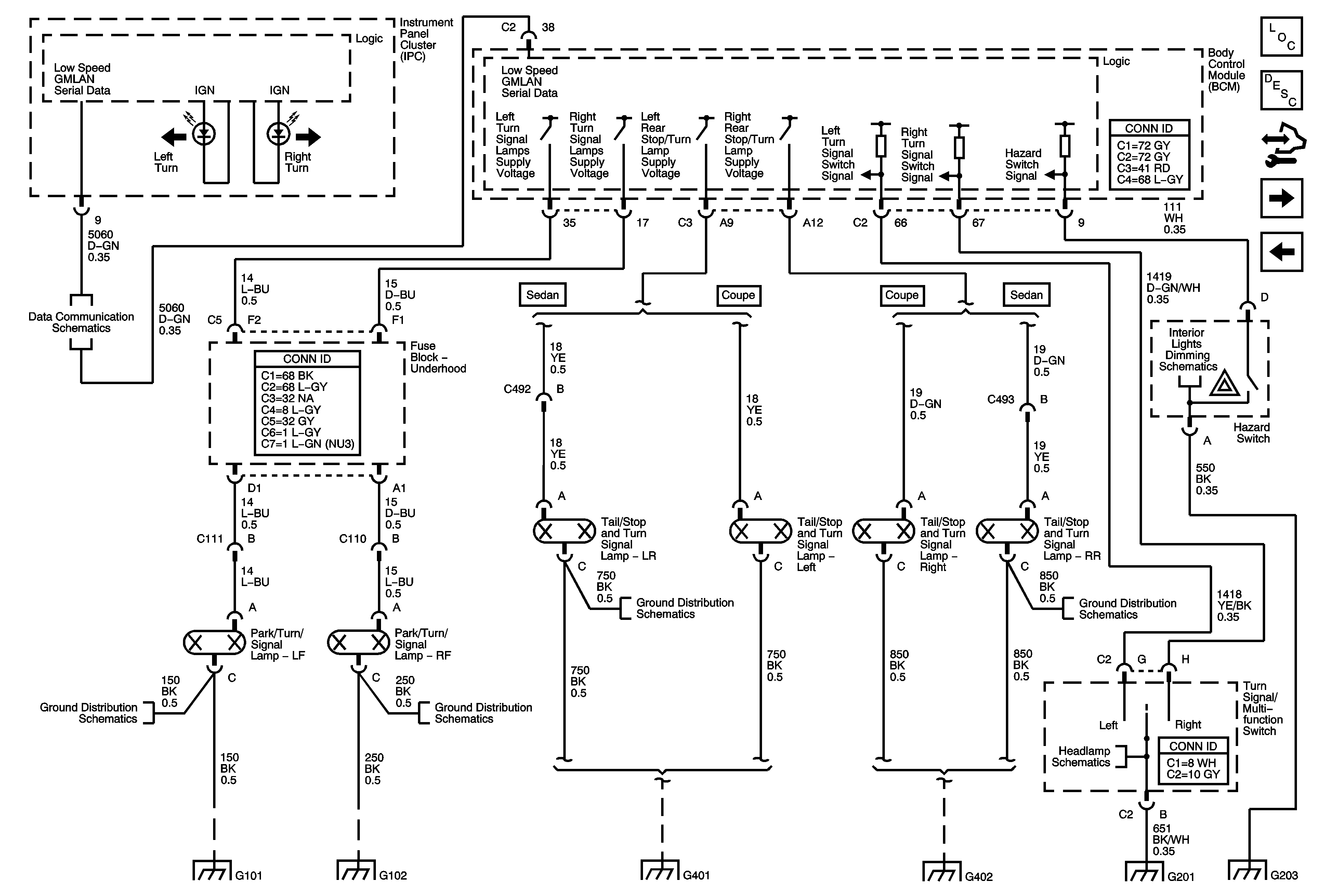
🢒 Hazards, Turn Signals
Hazards, Turn Signals
Hazards, Turn Signals
Master Electrical Component List
Exterior Lighting Systems Description and Operation
Control Module References
Stop Lamps
Park Lamps
Power, Ground, Low Speed GMLAN
G101, G102
G101, G102
G401
G402, G403
G402, G403
Headlights/DRL Schematics
G101, G102
G101, G102
G401
G402, G403
G201 (1 of 2)
G109, G111, G203, G306