GM Service Manual Online
For 1990-2009 cars only
Makes
🢒
Pontiac
🢒
2007
🢒
G5
🢒 Outputs
Outputs
Outputs
Master Electrical Component List
Exterior Lighting Systems Description and Operation
Control Module References
Inputs
BCM Fuses - DR LCK, ECM/TCM, INT LIGHT, PWR WNDW, RDO, SDM, S ROOF
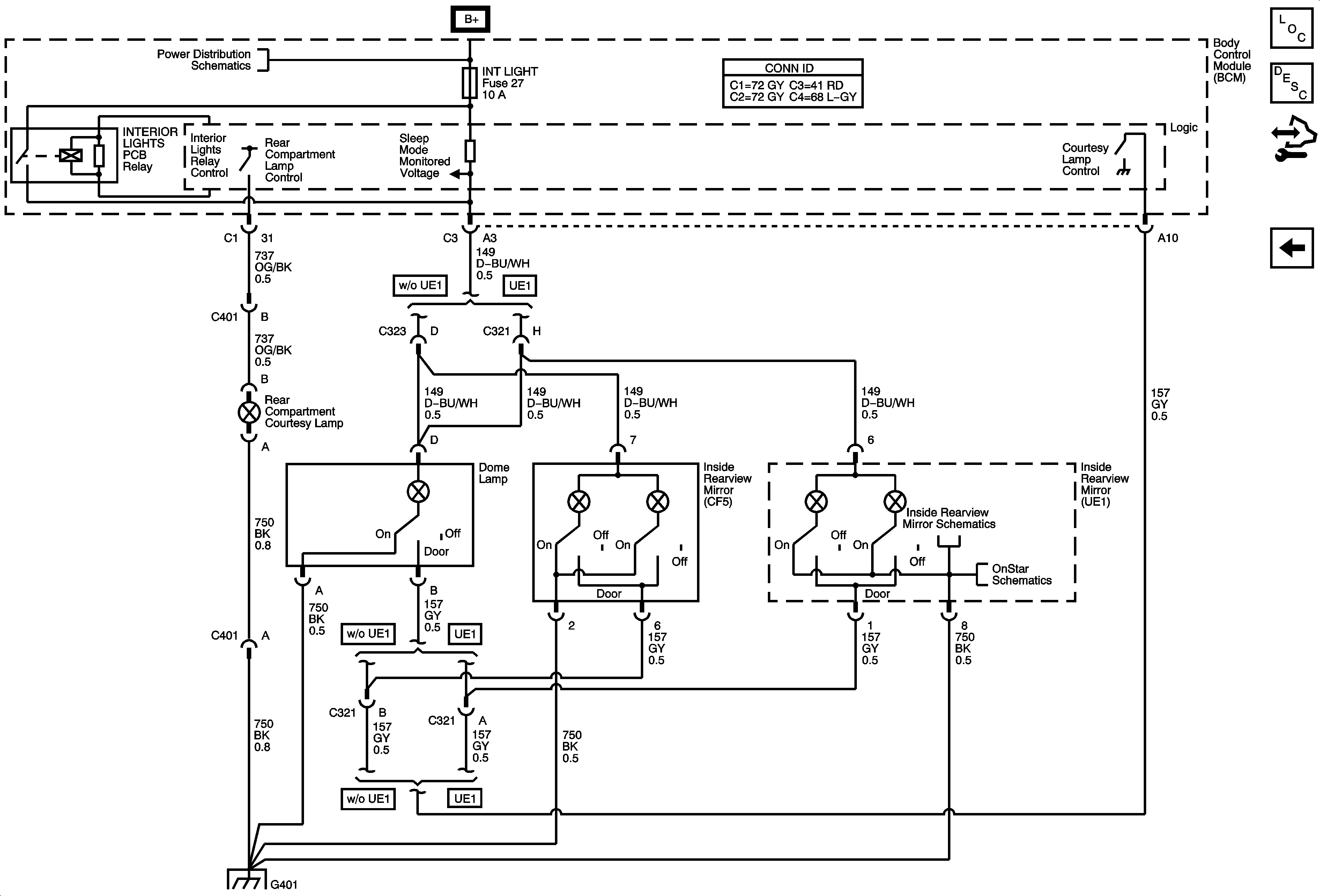
Inside Rearview Mirror Schematic
Onstar Schematics
G401