GM Service Manual Online
For 1990-2009 cars only
Makes
🢒
Pontiac
🢒
2007
🢒
G5
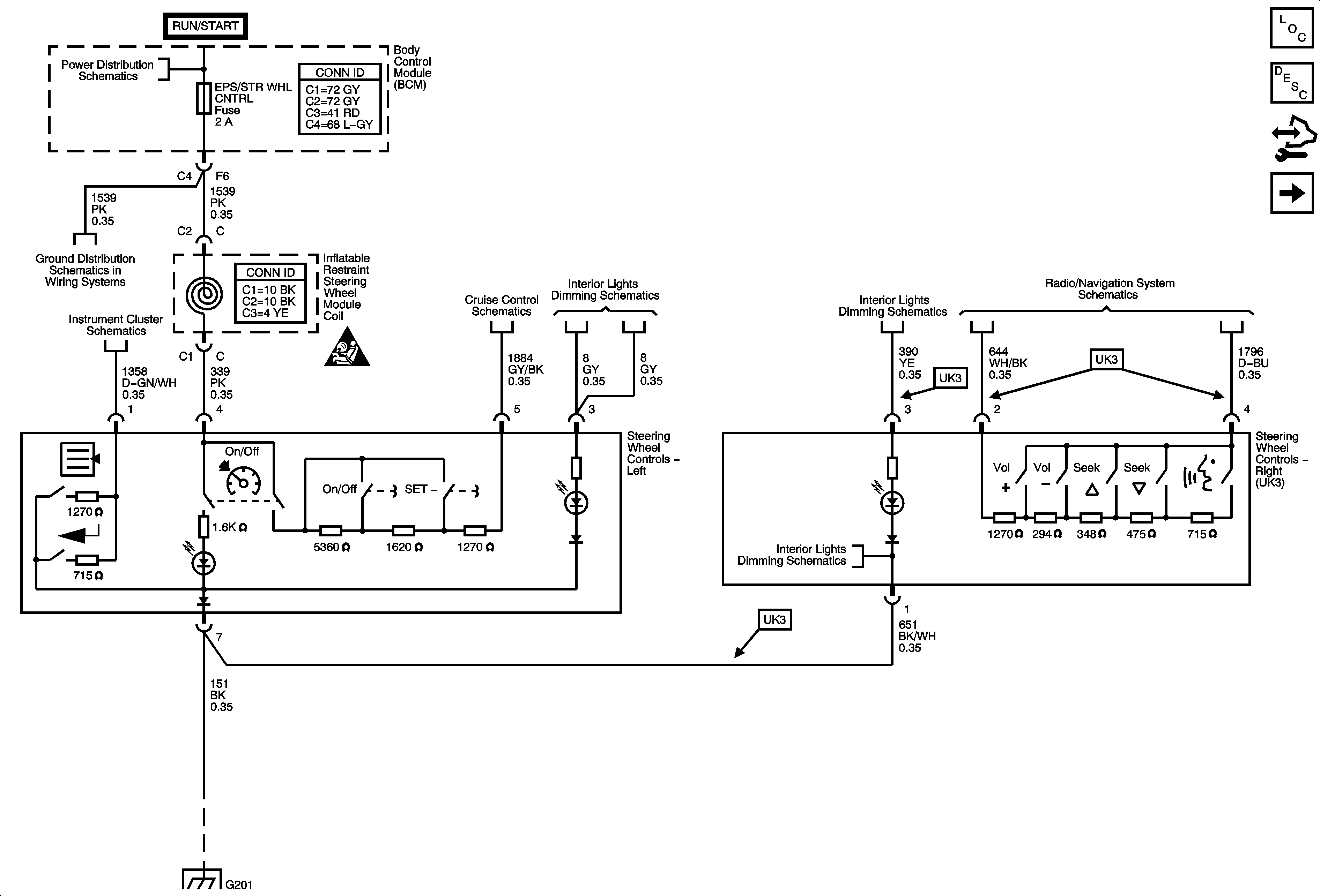
🢒 Steering Wheel Schematic
Steering Wheel Schematic
Master Electrical Component List
Steering Wheel Controls Description and Operation
Control Module References
Underhood Fuse Block IP IGN Fuse, Body Control Module Fuses - AIRBAG, EPS/STR WHL CNTRL, HVAC/IP IGN, WPR
Underhood Fuse Block IP IGN Fuse, Body Control Module Fuses - AIRBAG, EPS/STR WHL CNTRL, HVAC/IP IGN, WPR
I/P and Seat Lighting
Redundant Radio Controls
Secondary/Configurable Control Schematic Icons
G201 (2 of 2)