GM Service Manual Online
For 1990-2009 cars only
Makes
🢒
Pontiac
🢒
2007
🢒
G5
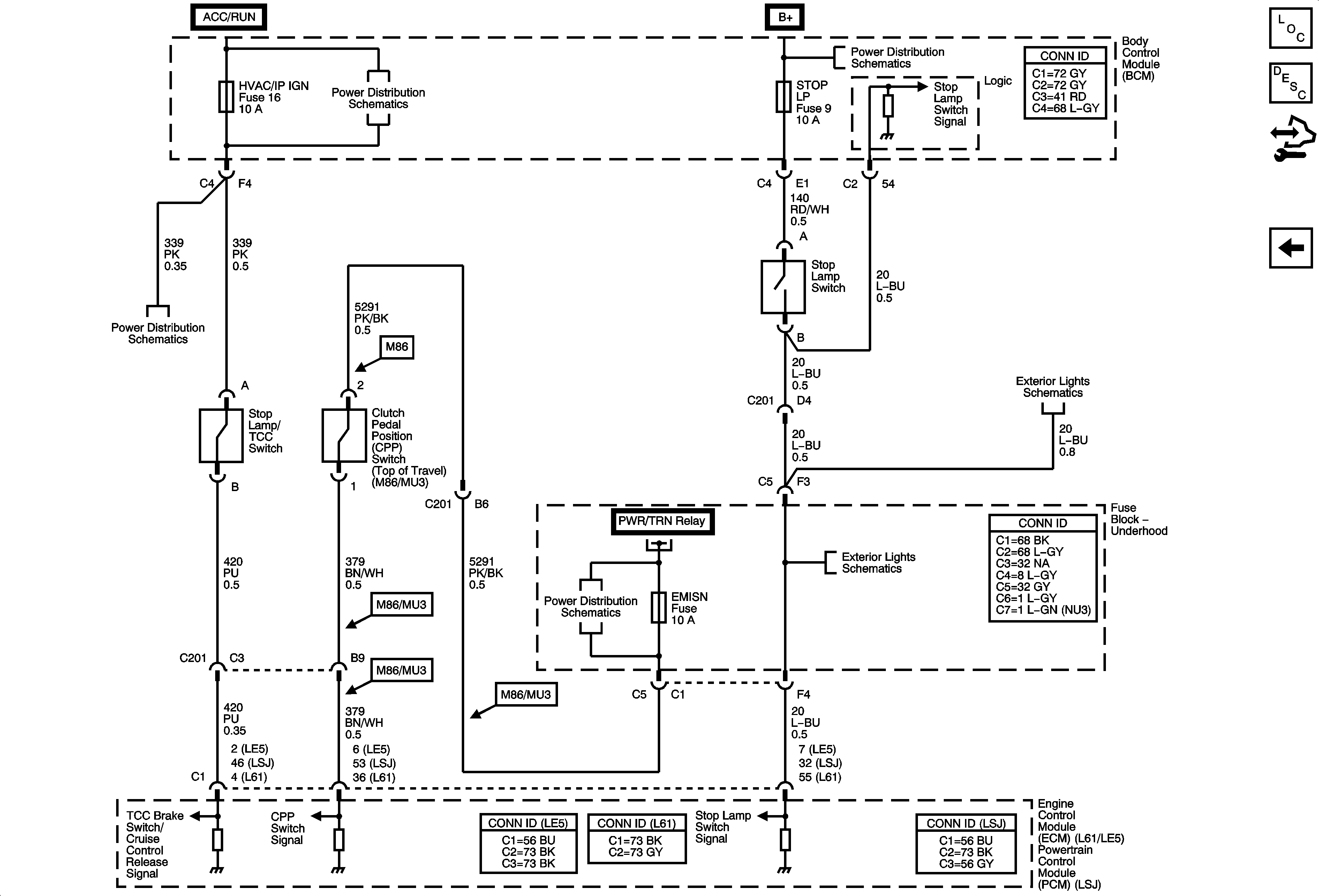
🢒 Clutch Pedal Position Switch, Stop Lamp Switch
Clutch Pedal Position Switch, Stop Lamp Switch
Clutch Pedal Position Switch, Stop Lamp Switch
Master Electrical Component List
Cruise Control Description and Operation
Control Module References
Power, Ground, Communication, Cruise Switches
Underhood Fuse Block IP IGN Fuse, Body Control Module Fuses - AIRBAG, EPS/STR WHL CNTRL, HVAC/IP IGN, WPR
Underhood Fuse Block IP IGN Fuse, Body Control Module Fuses - AIRBAG, EPS/STR WHL CNTRL, HVAC/IP IGN, WPR
Body Control Module - AUDIO AMPLIFIER Fuse, BCM2 Fuse, CLUSTER Fuse, IGN SW Fuse, STOP LPS Fuse
Stop Lamps
Stop Lamps
Underhood Fuse Block Fuses- EMISN, FUEL PMP, INJ, PCM/ECM, and FUEL PMP Relay and PWR/TRN Relay