GM Service Manual Online
For 1990-2009 cars only
Makes
🢒
Pontiac
🢒
2007
🢒
G5
🢒 Power, Ground, MIL, Communication
Power, Ground, MIL, Communication
Power, Ground, MIL, Communication
Master Electrical Component List
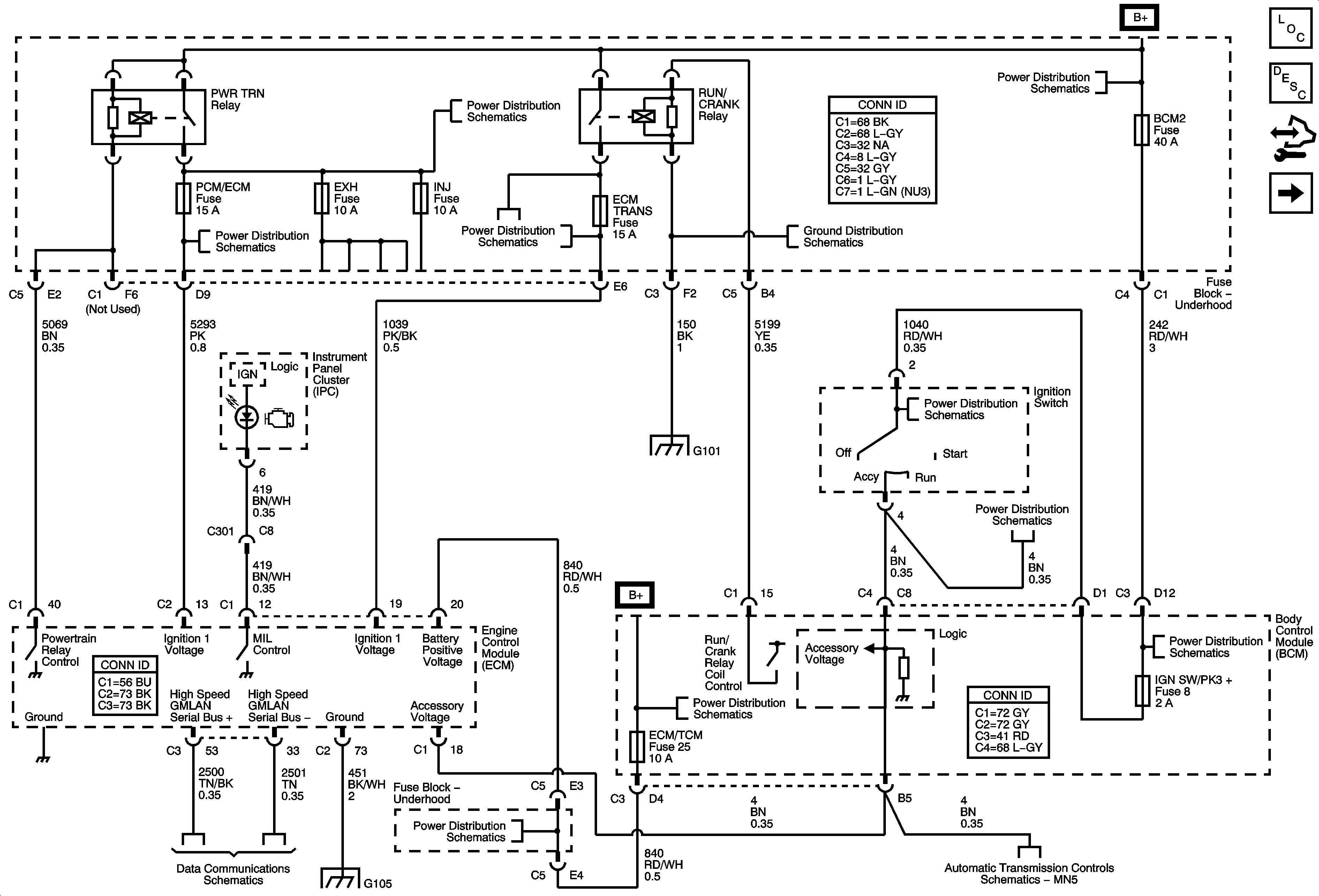
Engine Control Module Description
Control Module References
5-Volt and Low Reference Bussing
Underhood Fuse Block Fuses- EMISN, FUEL PMP, INJ, PCM/ECM, and FUEL PMP Relay and PWR/TRN Relay
Underhood Fuse Block Fuses- EMISN, FUEL PMP, INJ, PCM/ECM, and FUEL PMP Relay and PWR/TRN Relay
Underhood Fuse Block Fuses- ABS, ABS2, BCK UP, CNSTR VENT, ECM/TRANS, EPS, HTD SEATS, IP IGN, LTR, MIR, PRK/NEUT, S-BAND/ONSTAR, and RUN/CRANK Relay
Body Control Module - AUDIO AMPLIFIER Fuse, BCM2 Fuse, CLUSTER Fuse, IGN SW Fuse, STOP LPS Fuse
Body Control Module - AUDIO AMPLIFIER Fuse, BCM2 Fuse, CLUSTER Fuse, IGN SW Fuse, STOP LPS Fuse
Body Control Module - AUDIO AMPLIFIER Fuse, BCM2 Fuse, CLUSTER Fuse, IGN SW Fuse, STOP LPS Fuse
High Speed GMLAN
G103, G105, G107
G101, G102
Power, Ground, PNP Switch