GM Service Manual Online
For 1990-2009 cars only
Makes
🢒
Pontiac
🢒
2007
🢒
G5
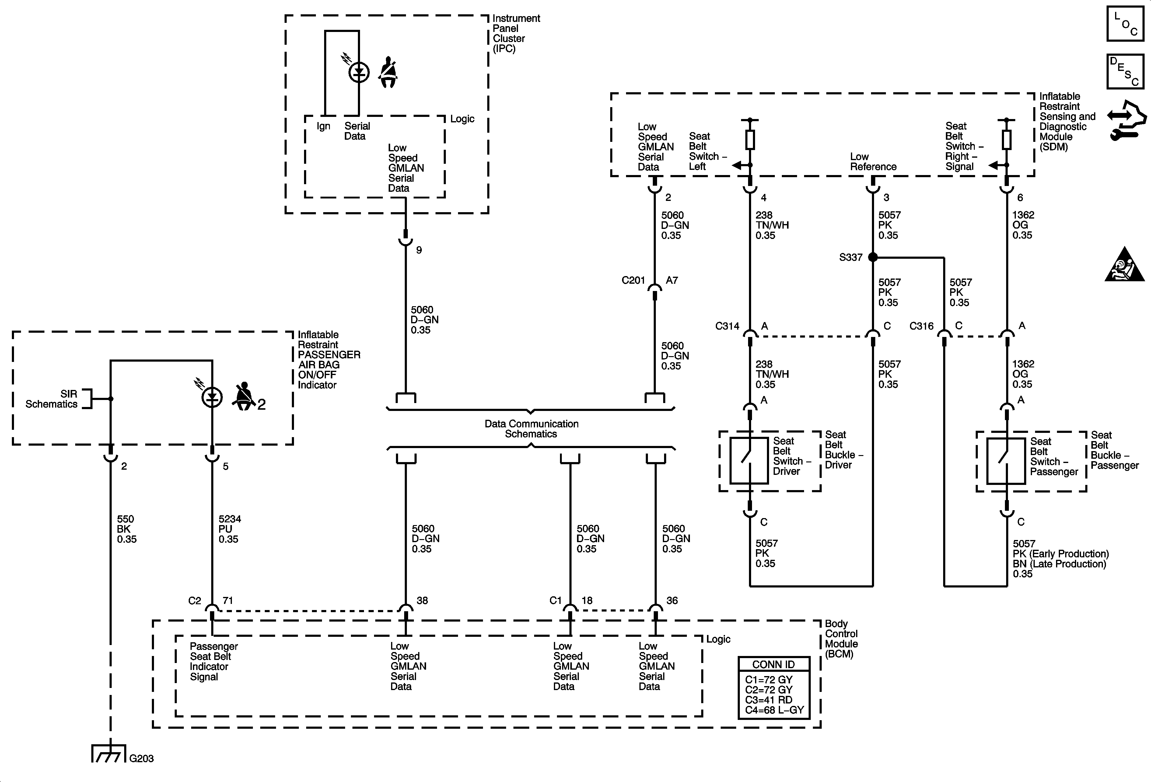
🢒 Seat Belt Schematic
Seat Belt Schematic
Master Electrical Component List
Seat Belt System Description and Operation
Control Module References
Seat Belt Schematic Icons
Power, Ground, Indicators, Pretensioners, Front Modules
Power, Ground, Low Speed GMLAN
G109, G111, G203, G306