GM Service Manual Online
For 1990-2009 cars only
Makes
🢒
Pontiac
🢒
2008
🢒
G5
🢒
Engine
🢒
Cruise Control
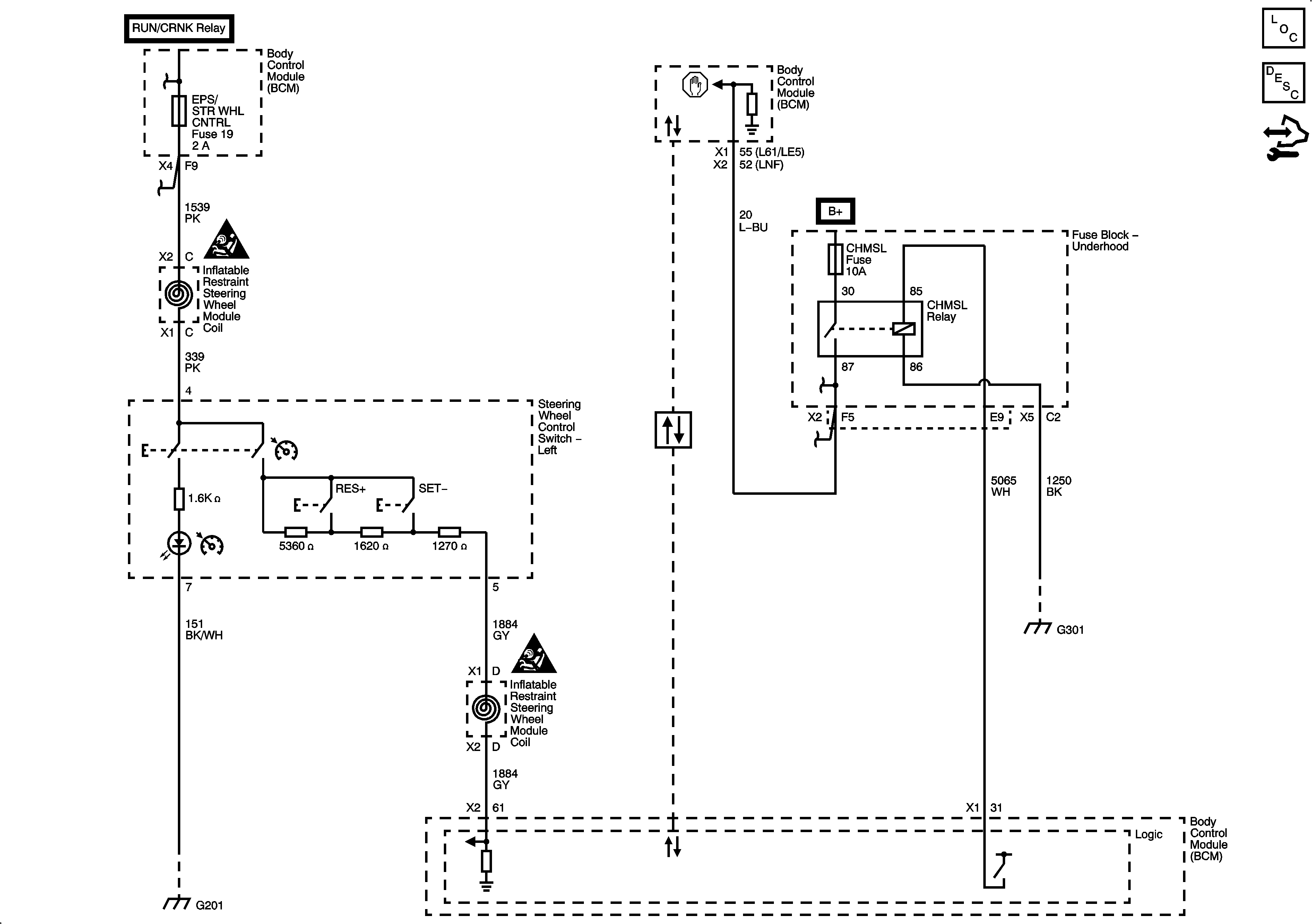
🢒 Cruise Control Schematics
Master Electrical Component List
Cruise Control Description and Operation
Control Module References