GM Service Manual Online
For 1990-2009 cars only

Removal Procedure


    Object Number: 2003695  Size: SH
  1. Disconnect the charge air cooler outlet pipe from the throttle body. Refer to Charge Air Cooler Outlet Pipe Replacement.
  2. Remove the oil level indicator tube. Refer to Oil Level Indicator and Tube Replacement.
  3. Disconnect the fuel feed line quick connect fitting to the fuel rail. Refer to Metal Collar Quick Connect Fitting Service.
  4. Disconnect the charge air valve solenoid vacuum lines (1).
  5. Mark the lines to ease installation.

  6. Disconnect the charge air valve solenoid vacuum electrical connector (2).

  7. Object Number: 2003725  Size: SH
  8. Disconnect the evaporative emission (EVAP) electrical connector  (1) from the EVAP purge solenoid.
  9. Disconnect the evaporative emission (EVAP) line quick connect fitting (2) from the EVAP purge solenoid. Refer to Plastic Collar Quick Connect Fitting Service.
  10. Disconnect the manifold absolute pressure (MAP) sensor electrical connector  (3).

  11. Object Number: 1825523  Size: SH
  12. Reposition the brake booster vacuum hose clamp at the intake manifold.
  13. Remove the brake booster hose from the intake manifold.

  14. Object Number: 2031491  Size: SH
  15. Remove the knock sensor electrical connector (1) clip from the intake manifold brace.

  16. Object Number: 1825527  Size: SH
  17. Disconnect the engine wiring harness electrical connector (1) from the throttle actuator control (TAC) module.
  18. Remove the engine wiring harness clip (3) from the intake manifold brace.

  19. Object Number: 2031935  Size: SH
  20. Reposition the surge tank air bleed hose clamp at the engine (1).
  21. Reposition the surge tank air bleed hose out of the way.

  22. Object Number: 1825530  Size: SH
  23. Reposition the charge air bypass valve vacuum hose clamp at the intake manifold.
  24. Remove the charge air bypass valve vacuum hose from the intake manifold.
  25. Remove the charge air bypass valve solenoid bolts.
  26. Reposition the charge air bypass valve solenoid assembly out of the way.

  27. Object Number: 1825534  Size: SH
  28. Disconnect the metal quick connect fitting from the fuel feed pipe. Refer to Metal Collar Quick Connect Fitting Service.
  29. Disconnect the fuel feed pipe fitting from the fuel pump.
  30. Remove the fuel feed pipe bolts.
  31. Remove the fuel feed pipe.
  32. Inspect the fuel feed pipe nut for damaged threads.
  33. Inspect the fuel feed pipe sealing bail for damage or debris.
  34. Replace the fuel feed pipe if any damage is found.
  35. Remove the charge air bypass valve vacuum tank. Refer to Charge Air Bypass Valve Vacuum Tank Replacement.

  36. Object Number: 1825528  Size: SH
  37. Remove the intake manifold brace bolt.
  38. Remove the intake manifold brace.

  39. Object Number: 2074201  Size: SH
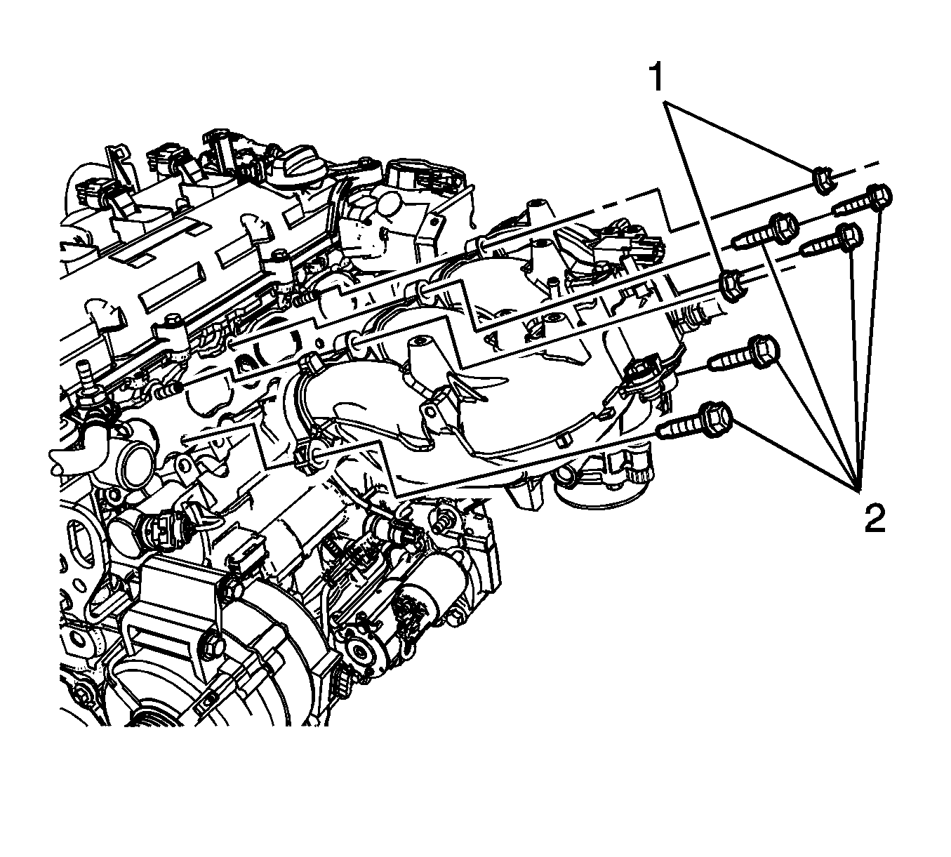
  40. Remove the fuel pump bracket bolt (1).
  41. Remove the A/C pipe bracket bolt (2) and reposition the bracket.

  42. Object Number: 2032154  Size: SH
  43. Remove the intake manifold nuts (1) and bolts (2).
  44. Remove the intake manifold and place on a clean work surface.
  45. Remove the intake manifold gasket and discard.

  46. Object Number: 1825560  Size: SH
  47. If replacing the intake manifold perform the following steps, otherwise proceed to step 11 in the installation procedure.
  48. Remove the MAP sensor bolts (1).
  49. Remove the MAP sensor (2), ensure that the O-ring seal (3) is still attached on the sensor, if not remove the O-ring seal from the intake manifold.
  50. Remove the EVAP purge solenoid bolt (6).
  51. Remove the EVAP purge solenoid (5), ensure that the O-ring seal (4) is still attached on the sensor, if not remove the O-ring seal from the intake manifold.

  52. Object Number: 1825561  Size: SH
  53. Turn the intake manifold up side down.
  54. Remove the throttle body bolts.
  55. Remove the throttle body and seal.

Installation Procedure


    Object Number: 1825561  Size: SH
  1. If replacing the intake manifold perform the following steps, otherwise proceed to step 11.
  2. Inspect the throttle body seal and replace if necessary.
  3. Install the throttle body seal and position the throttle body.
  4. Notice: Refer to Fastener Notice in the Preface section.

  5. Install the throttle body bolts.
  6. Tighten
    Tighten the bolts to 10 N·m (89 lb in).

  7. Turn the intake manifold right side up.

  8. Object Number: 1825560  Size: SH
  9. Inspect the EVAP purge solenoid and MAP sensor O-ring seals, replace if necessary.
  10. Ensure that the EVAP purge solenoid O-ring seal (4) is installed on the EVAP purge solenoid (5).
  11. Install the EVAP purge solenoid (5) and bolt (6).
  12. Tighten
    Tighten the bolt to 10 N·m (89 lb in).

  13. Ensure that the MAP sensor O-ring seal (3) is installed on the MAP sensor (2).
  14. Install the MAP sensor (2) and bolts (1).
  15. Tighten
    Tighten the bolts to 10 N·m (89 lb in).


    Object Number: 2032154  Size: SH
  16. Install a NEW intake manifold gasket.
  17. Install the intake manifold to the studs.
  18. Install the intake manifold nuts (1) and bolts (2).
  19. Tighten

        • Tighten the bolts (2) to 25 N·m (18 lb ft).
        • Tighten the nuts (1) to 20 N·m (15 lb ft).

    Object Number: 2074201  Size: SH
  20. Install the fuel pump bracket bolt (1).
  21. Tighten
    Tighten the bolt to 10 N·m (89 lb in).

  22. Install the A/C pipe bracket bolt (2).
  23. Tighten
    Tighten the bolt to 10 N·m (89 lb in).


    Object Number: 1825528  Size: SH
  24. Install the intake manifold brace.
  25. Loosely install the intake manifold brace bolt.
  26. Tighten the intake manifold brace bolt.
  27. Tighten
    Tighten the bolt to 22 N·m (16 lb ft).

  28. Install the charge air bypass valve vacuum tank. Refer to Charge Air Bypass Valve Vacuum Tank Replacement.

  29. Object Number: 1825534  Size: SH
  30. Lubricate the high pressure fuel pump fuel feed pipe connection threads with silicon free engine oil GM P/N 12345610 (Canadian P/N 993193) or equivalent.
  31. Place the fuel feed pipe on top of the intake manifold.
  32. Connect the fuel feed pipe fitting to the high pressure fuel pump.
  33. Install the fuel feed pipe bolts.
  34. Tighten

        • Tighten the bolts to 10 N·m (89 lb in).
        • Tighten the fitting to 30 N·m (22 lb ft).
  35. Connect the metal quick connect fitting to the fuel feed pip. Refer to Metal Collar Quick Connect Fitting Service.

  36. Object Number: 1825530  Size: SH
  37. Position the charge air bypass valve solenoid assembly to the intake manifold.
  38. Install the charge air bypass valve solenoid bolts.
  39. Tighten
    Tighten the bolts to 10 N·m (89 lb in).

  40. Install the charge air bypass valve vacuum hose to the intake manifold.
  41. Position the charge air bypass valve vacuum hose clamp at the intake manifold.

  42. Object Number: 2031935  Size: SH
  43. Position the surge tank air bleed hose to the engine.

  44. Object Number: 1825527  Size: SH
  45. Connect the engine wiring harness electrical connector (1) to the TAC module.
  46. Install the engine wiring harness clip (3) to the intake manifold brace.

  47. Object Number: 2031491  Size: SH
  48. Install the knock sensor electrical connector (1) clip to the intake manifold brace.

  49. Object Number: 1825523  Size: SH
  50. Install the brake booster hose to the intake manifold.
  51. Position the brake booster vacuum hose clamp at the intake manifold.
  52. Connect the EVAP line quick connect fitting (2) to the EVAP purge solenoid. Refer to Plastic Collar Quick Connect Fitting Service.

  53. Object Number: 2003695  Size: SH
  54. Connect the charge air valve solenoid vacuum electrical connector (2).
  55. Connect the charge air valve solenoid vacuum lines (1).
  56. Connect the fuel feed line quick connect fitting to the fuel rail. Refer to Metal Collar Quick Connect Fitting Service.
  57. Install the oil level indicator tube. Refer to Oil Level Indicator and Tube Replacement.
  58. Install the charge air cooler outlet pipe to the throttle body. Refer to Charge Air Cooler Outlet Pipe Replacement.
  59. Install the air cleaner assembly. Refer to Air Cleaner Assembly Replacement.