GM Service Manual Online
For 1990-2009 cars only
Figure 1:

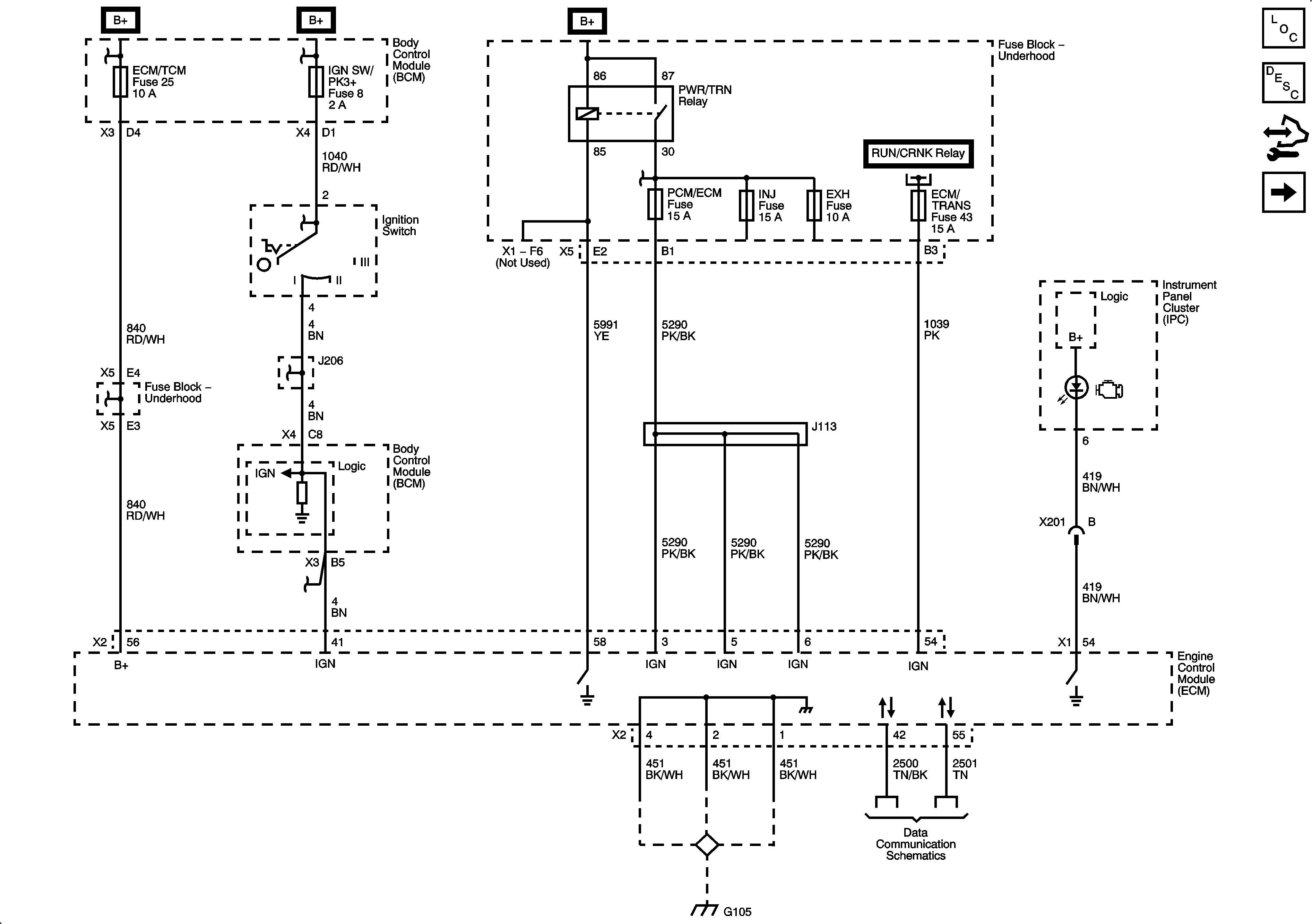
Power, Ground, MIL, Communication


Object Number: 1963175  Size: FS
Master Electrical Component List
Engine Control Module Description
Control Module References
5-Volt and Low Reference Bussing
Figure 2:

5-Volt and Low Reference Bussing


Object Number: 1963179  Size: FS
Master Electrical Component List
Engine Control Module Description
Control Module References
Engine Data Sensors - Pressure, Temperature
Power, Ground, MIL, Communication
Figure 3:

Engine Data Sensors - Pressure, Temperature


Object Number: 1963186  Size: FS
Master Electrical Component List
Engine Control Module Description
Control Module References
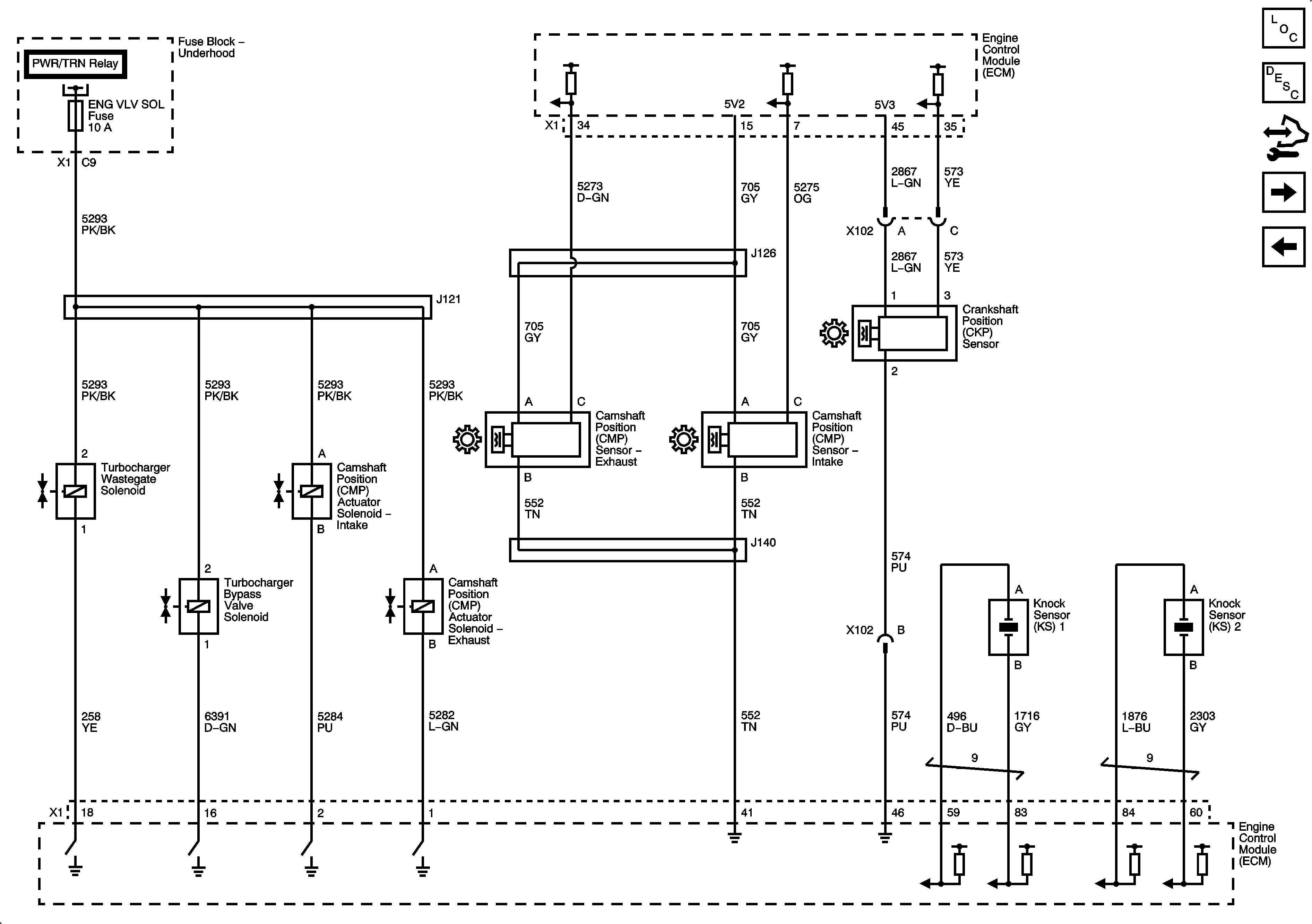
Engine Data Sensors - CKP, KS, CMP,
5-Volt and Low Reference Bussing
Figure 4:

Engine Data Sensors - MAF/IAT, CKP, KS, CMP, VSS


Object Number: 1963212  Size: FS
Master Electrical Component List
Engine Control Module Description
Control Module References
Engine Data Sensors - HO2S
Engine Data Sensors - Pressure, Temperature
Figure 5:

Engine Data Sensors - HO2S


Object Number: 1963217  Size: FS
Master Electrical Component List
Engine Control Module Description
Control Module References
Engine Data Sensors - APP, Throttle Body
Engine Data Sensors - CKP, KS, CMP,
Figure 6:

Engine Data Sensors - APP, Throttle Body


Object Number: 1963224  Size: FS
Master Electrical Component List
Engine Control Module Description
Control Module References
Ignition Controls
Engine Data Sensors - HO2S
Figure 7:

Ignition Controls


Object Number: 1963233  Size: FS
Master Electrical Component List
Engine Control Module Description
Control Module References
Fuel Delivery
Engine Data Sensors - APP, Throttle Body
Figure 8:

Fuel Delivery


Object Number: 1963237  Size: FS
Master Electrical Component List
Engine Control Module Description
Control Module References
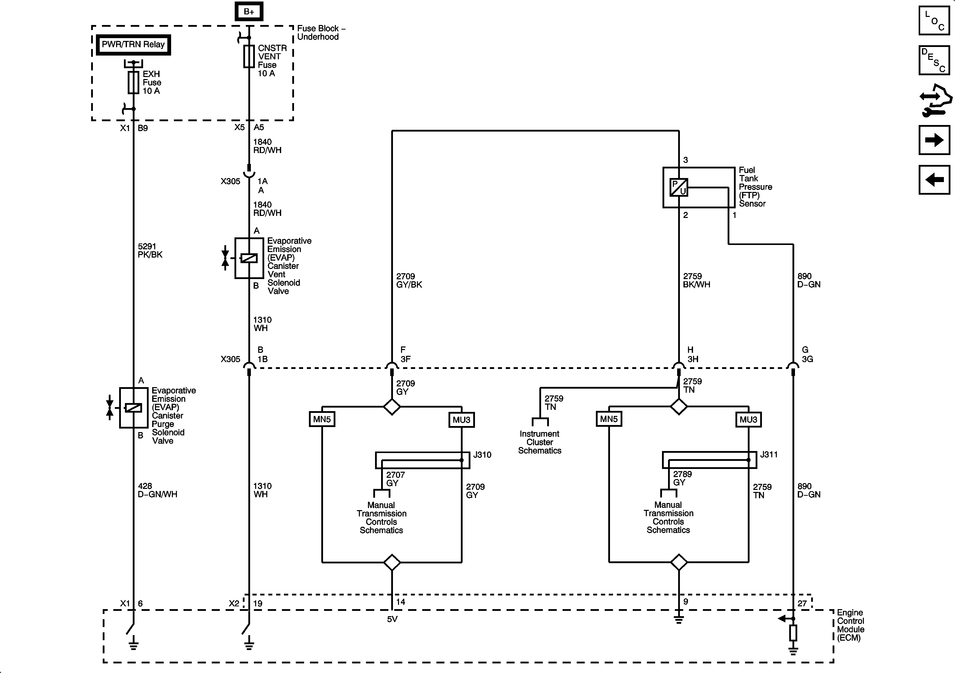
Engine Data Sensors - EVAP, Fuel Tank Pressure (FTP) Sensor
Ignition Controls
Figure 9:

Engine Data Sensors - EVAP, Fuel Tank Pressure (FTP) Sensor


Object Number: 1963241  Size: FS
Master Electrical Component List
Engine Control Module Description
Control Module References
Controlled/Monitored Subsystems References
Fuel Delivery
Figure 10:

Controlled/Monitored Subsystem References


Object Number: 1963246  Size: FS
Master Electrical Component List
Engine Control Module Description
Control Module References
Engine Data Sensors - EVAP, Fuel Tank Pressure (FTP) Sensor