GM Service Manual Online
For 1990-2009 cars only
Figure 1:

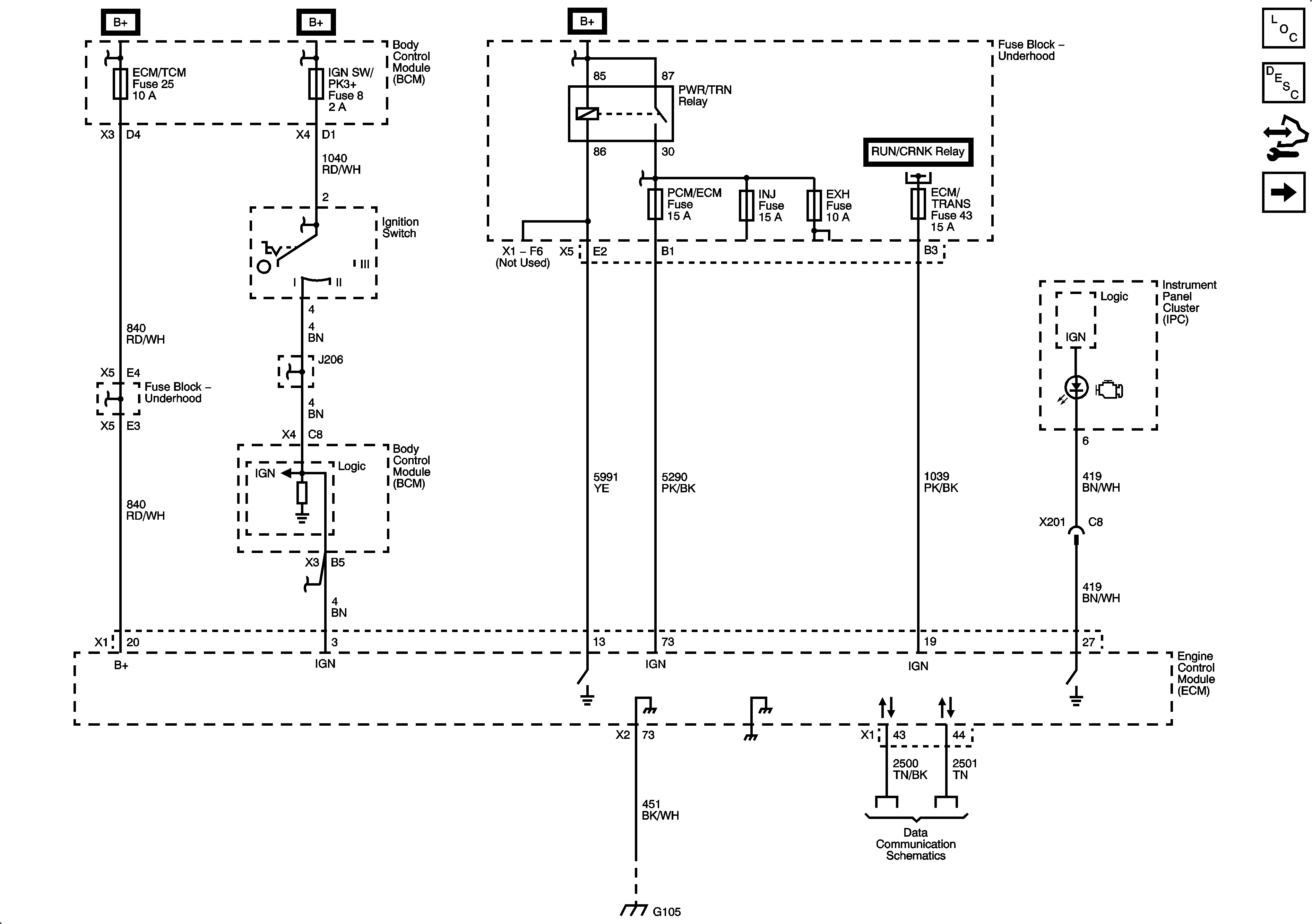
Power, Ground, MIL, Communication


Object Number: 1963365  Size: FS
Master Electrical Component List
Engine Control Module Description
Control Module References
5-Volt and Low Reference Bussing
Figure 2:

5-Volt and Low Reference Bussing


Object Number: 1963367  Size: FS
Master Electrical Component List
Engine Control Module Description
Control Module References
Engine Data Sensors - Pressure, Temperature, MAF, VSS
Power, Ground, MIL, Communication
Figure 3:

Engine Data Sensors - Pressure, Temperature, MAF, VSS


Object Number: 1963369  Size: FS
Master Electrical Component List
Engine Control Module Description
Control Module References
Engine Data Sensors - HO2S
5-Volt and Low Reference Bussing
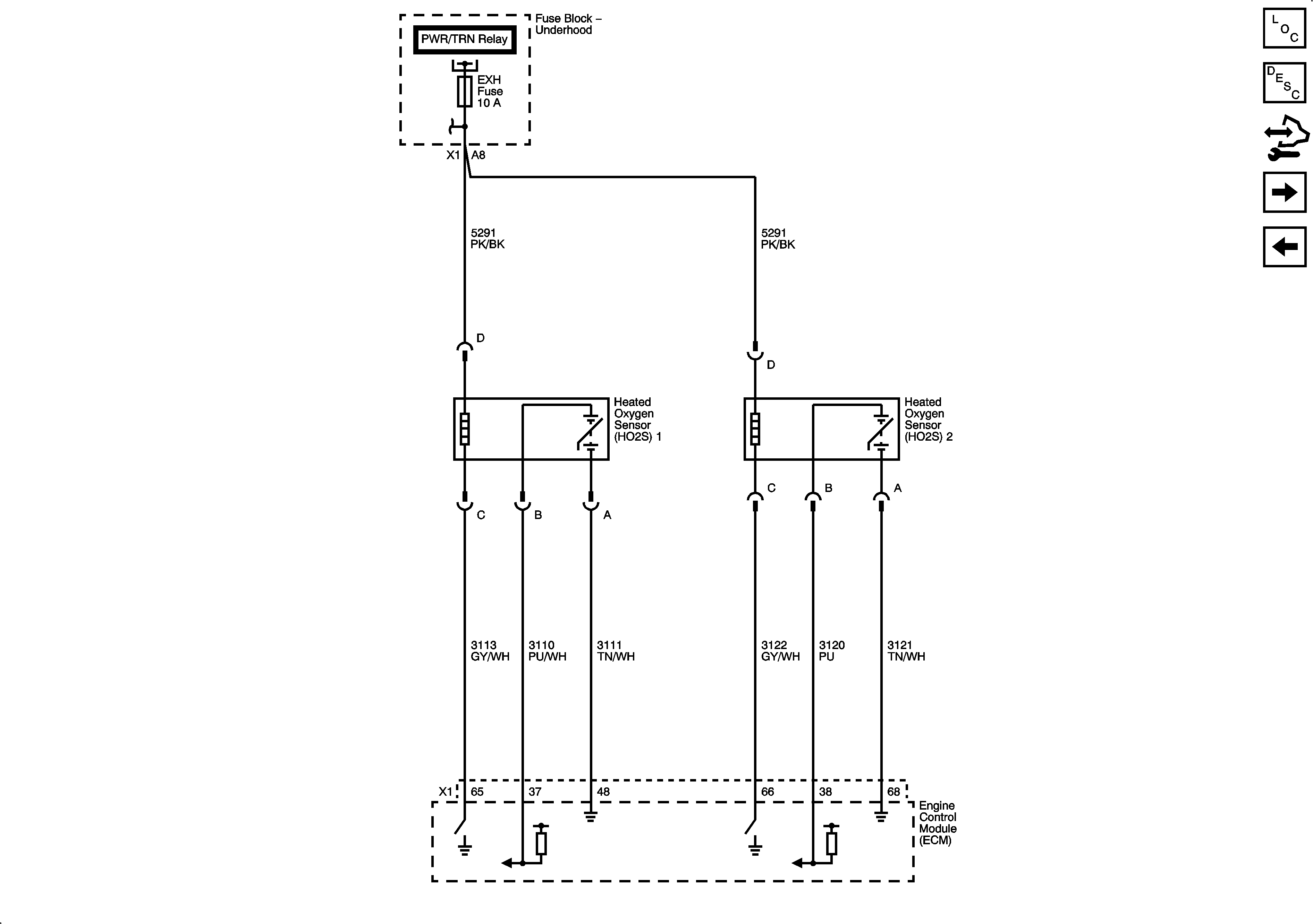
Figure 4:

Engine Data Sensors - HO2S


Object Number: 1963371  Size: FS
Master Electrical Component List
Engine Control Module Description
Control Module References
Engine Data Sensors - Throttle Controls
Engine Data Sensors - Pressure, Temperature, MAF, VSS
Figure 5:

Engine Data Sensors - Throttle Controls


Object Number: 1963373  Size: FS
Master Electrical Component List
Engine Control Module Description
Control Module References
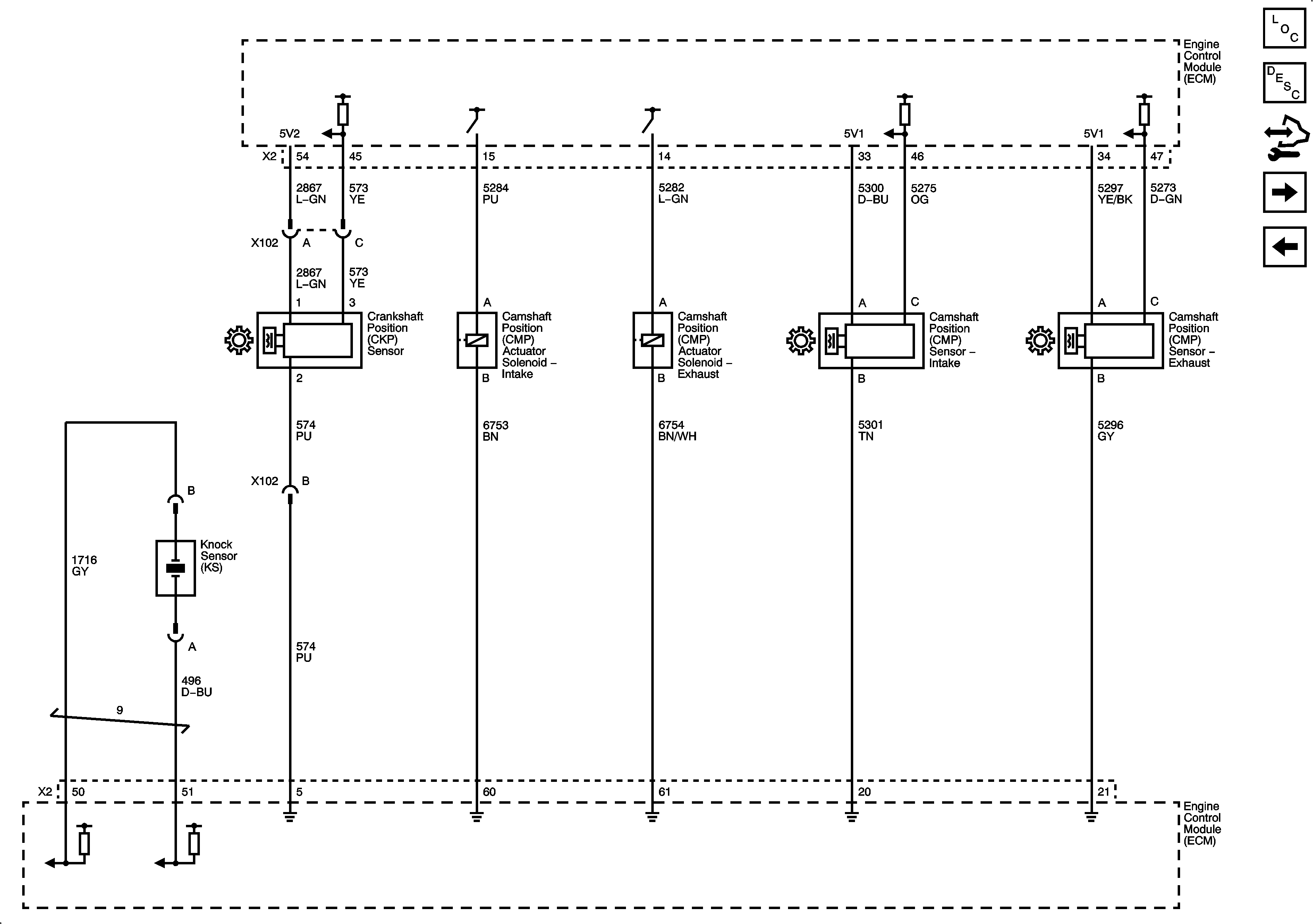
Ignition Controls - Ignition System
Engine Data Sensors - HO2S
Figure 6:

Ignition Controls - Ignition System


Object Number: 1963375  Size: FS
Master Electrical Component List
Engine Control Module Description
Control Module References
Ignition Controls - Ignition Sensors
Engine Data Sensors - Throttle Controls
Figure 7:

Ignition Controls - Ignition Sensors


Object Number: 1963377  Size: FS
Master Electrical Component List
Engine Control Module Description
Control Module References
Fuel Controls
Ignition Controls - Ignition System
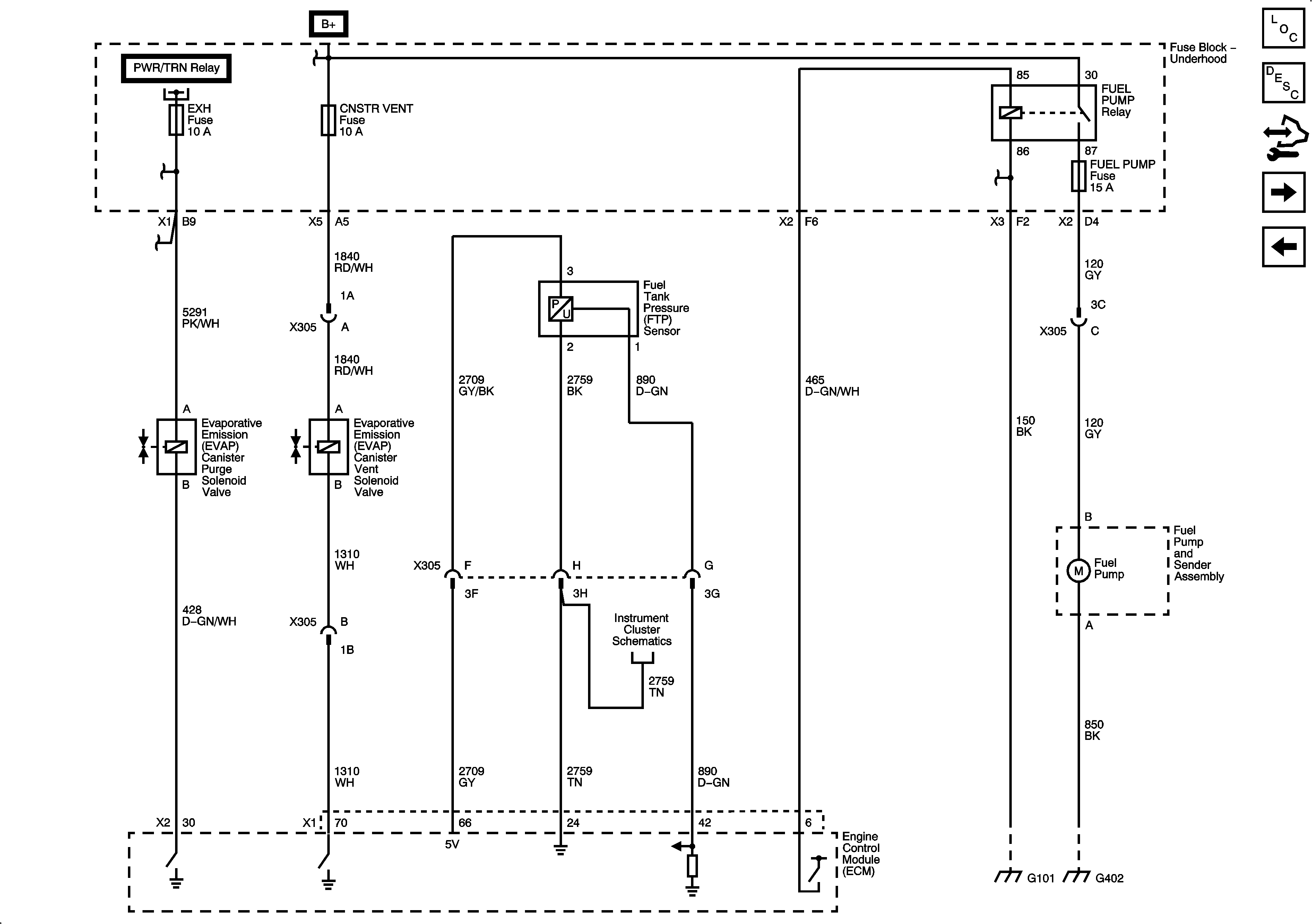
Figure 8:

Fuel Controls


Object Number: 1963379  Size: FS
Master Electrical Component List
Engine Control Module Description
Control Module References
EVAP Controls
Ignition Controls - Ignition Sensors
Figure 9:

EVAP Controls


Object Number: 1963381  Size: FS
Master Electrical Component List
Engine Control Module Description
Control Module References
Controlled/Monitored Subsystem References
Fuel Controls
Figure 10:

Controlled/Monitored Subsystem References


Object Number: 1963383  Size: FS
Master Electrical Component List
Engine Control Module Description
Control Module References
EVAP Controls