GM Service Manual Online
For 1990-2009 cars only
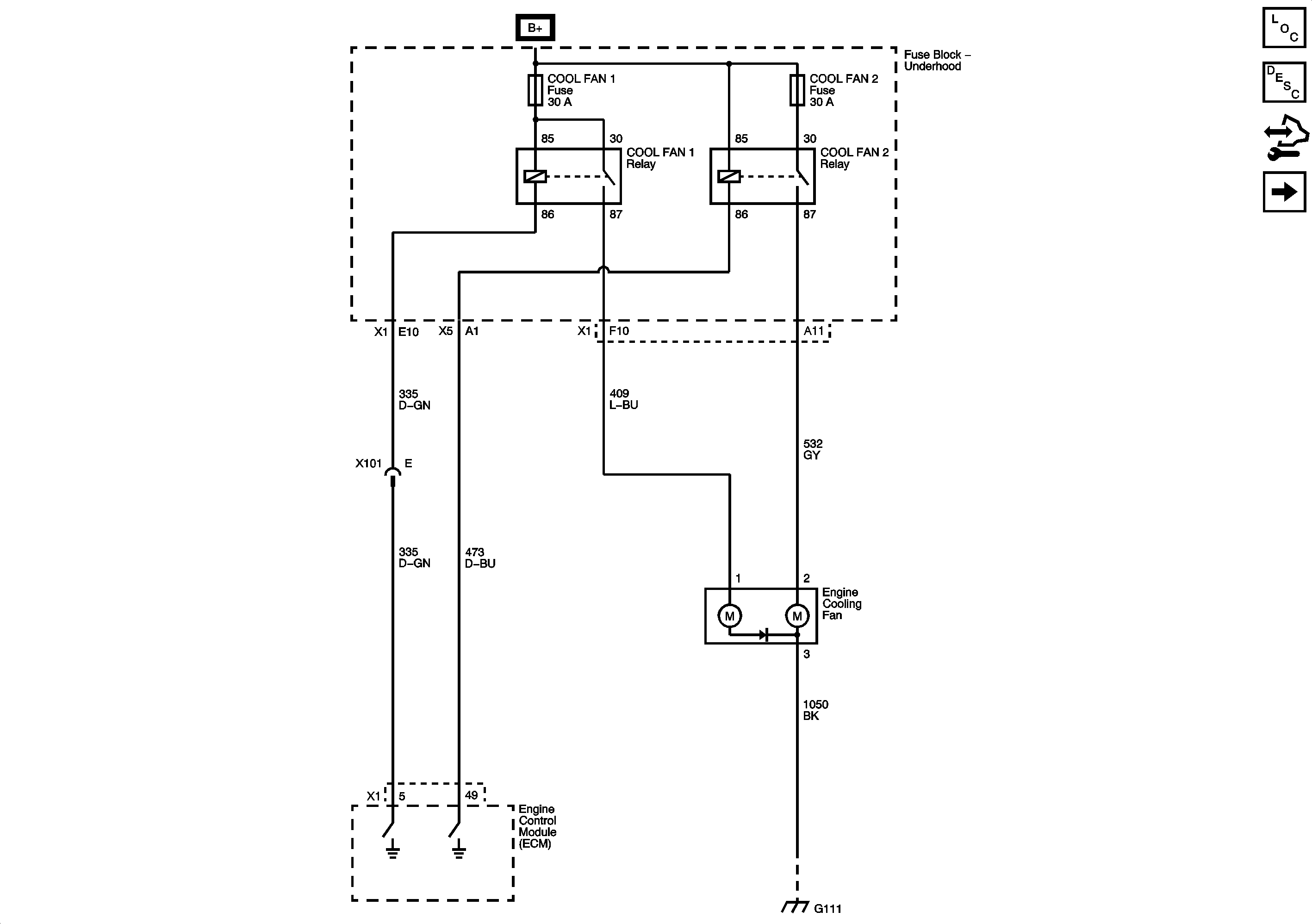
Figure 1:

L61


Object Number: 1963385  Size: FS
Master Electrical Component List
Cooling System Description and Operation
Control Module References
LNF
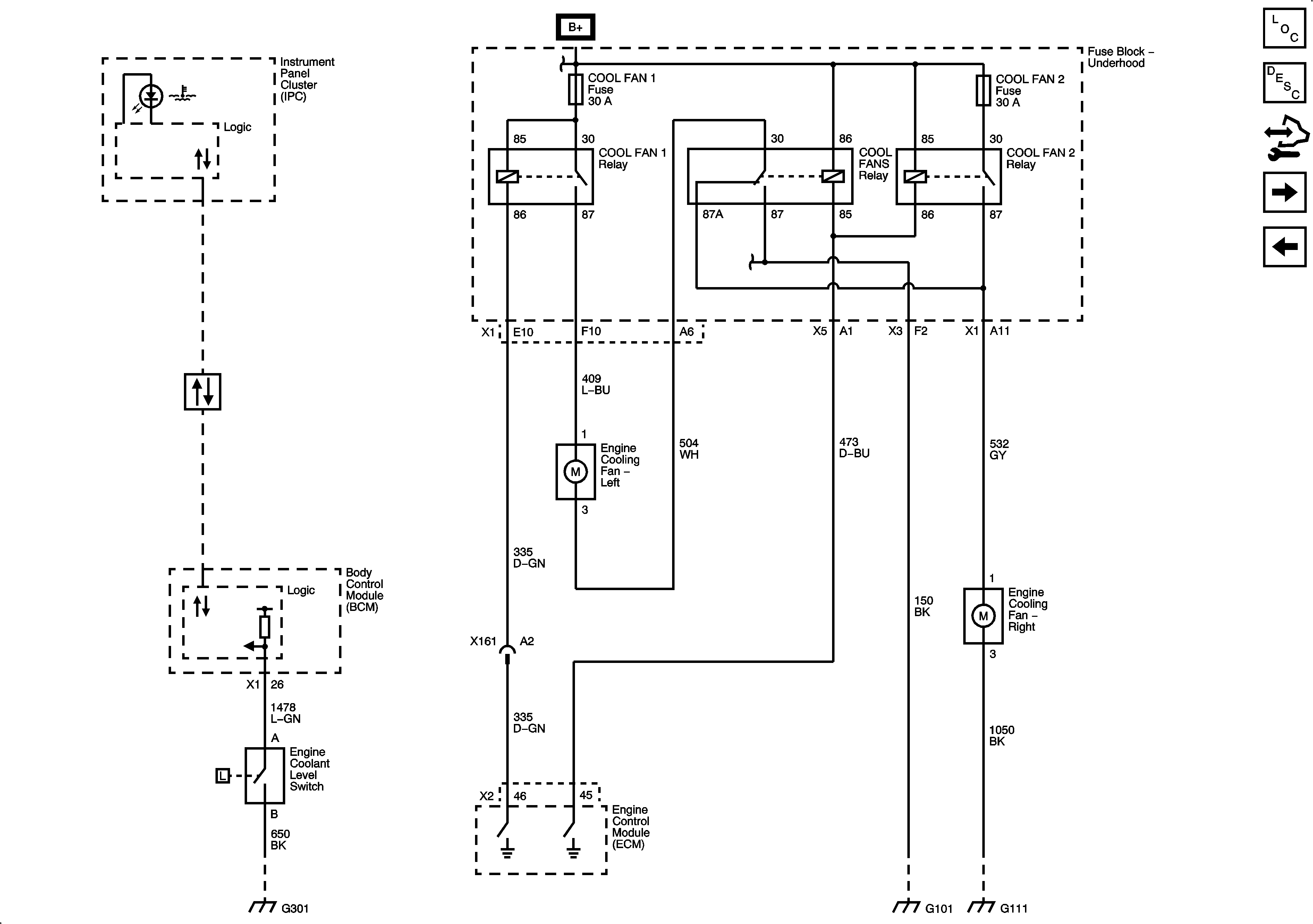
Figure 2:

LNF


Object Number: 1963387  Size: FS
Master Electrical Component List
Cooling System Description and Operation
Control Module References
LE5
L61
Figure 3:

LE5


Object Number: 1963389  Size: FS
Master Electrical Component List
Cooling System Description and Operation
Control Module References
LNF