GM Service Manual Online
For 1990-2009 cars only

Radiator Surge Tank Inlet Hose/Pipe Replacement LE5, L61

Special Tools

J 38185 Hose Clamp Pliers

Caution: With a pressurized cooling system, the coolant temperature in the radiator can be considerably higher than the boiling point of the solution at atmospheric pressure. Removal of the surge tank cap, while the cooling system is hot and under high pressure, causes the solution to boil instantaneously with explosive force. This will cause the solution to spew out over the engine, the fenders, and the person removing the cap. Serious bodily injury may result.

Removal Procedure

  1. Remove the intake manifold cover. Refer to Intake Manifold Cover Replacement .
  2. Remove the air cleaner outlet resonator. Refer to Air Cleaner Outlet Duct Replacement .

  3. Object Number: 2038276  Size: SH
  4. Remove the surge tank cap (1).

  5. Object Number: 2038280  Size: SH
  6. Reposition the surge tank inlet hose clamp (1) using J 38185 .
  7. Remove the surge tank inlet hose (2) from the surge tank.

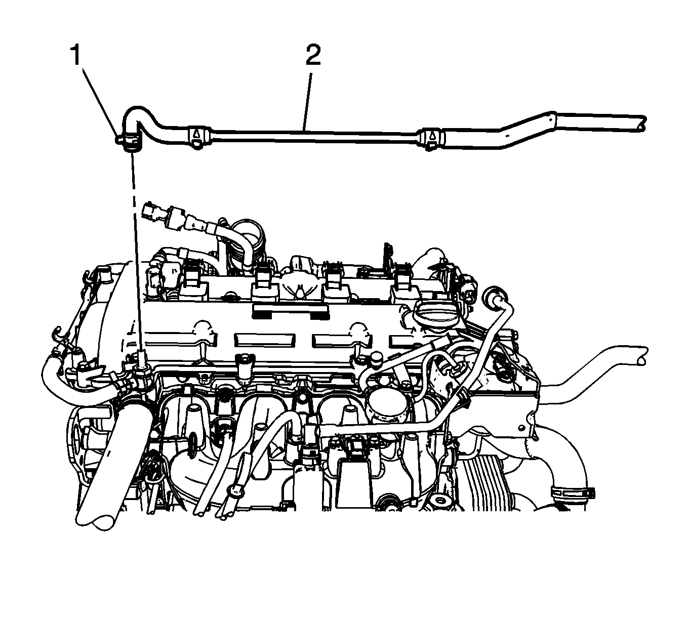
  8. Object Number: 2038284  Size: SH
  9. Reposition the surge tank inlet hose clamp (1) using J 38185 .
  10. Remove the surge tank inlet hose (2) from the engine.

Installation Procedure


    Object Number: 2038284  Size: SH
  1. Install the surge tank inlet hose (2) to the engine.
  2. Reposition the hose clamp (1) to secure the hose using J 38185 .

  3. Object Number: 2038280  Size: SH
  4. Install the surge tank inlet hose (2) to the surge tank.
  5. Reposition the hose clamp (1) to secure the hose using J 38185 .
  6. Install the air cleaner outlet resonator. Refer to Air Cleaner Outlet Duct Replacement .
  7. Install the intake manifold cover. Refer to Intake Manifold Cover Replacement .
  8. Fill the cooling system. Refer to Cooling System Draining and Filling .

Radiator Surge Tank Inlet Hose/Pipe Replacement LNF

Special Tools

J 38185 Hose Clamp Pliers

Caution: With a pressurized cooling system, the coolant temperature in the radiator can be considerably higher than the boiling point of the solution at atmospheric pressure. Removal of the surge tank cap, while the cooling system is hot and under high pressure, causes the solution to boil instantaneously with explosive force. This will cause the solution to spew out over the engine, the fenders, and the person removing the cap. Serious bodily injury may result.

Removal Procedure

  1. Remove the charge air cooler inlet pipe. Refer to Charge Air Cooler Inlet Pipe Replacement.

  2. Object Number: 2038276  Size: SH
  3. Remove the surge tank cap (1).

  4. Object Number: 2038280  Size: SH
  5. Reposition the surge tank inlet hose clamp (1) using J 38185 .
  6. Remove the surge tank inlet hose (2) from the surge tank.

  7. Object Number: 2038482  Size: SH
  8. Reposition the surge tank inlet hose clamp (1) using J 38185 .
  9. Remove the surge tank inlet hose (2) from the engine.

Installation Procedure


    Object Number: 2038482  Size: SH
  1. Install the surge tank inlet hose (2) to the engine.
  2. Reposition the hose clamp (1) to secure the hose using J 38185 .

  3. Object Number: 2038280  Size: SH
  4. Install the surge tank inlet hose (2) to the surge tank.
  5. Reposition the hose clamp (1) to secure the hose using J 38185 .
  6. Install the charge air cooler inlet pipe. Refer to Charge Air Cooler Inlet Pipe Replacement.
  7. Fill the cooling system. Refer to Cooling System Draining and Filling.