GM Service Manual Online
For 1990-2009 cars only
Makes
🢒
Pontiac
🢒
2008
🢒
G5
🢒
Diagnostic Navigation
🢒
Vehicle Diagnostic Information
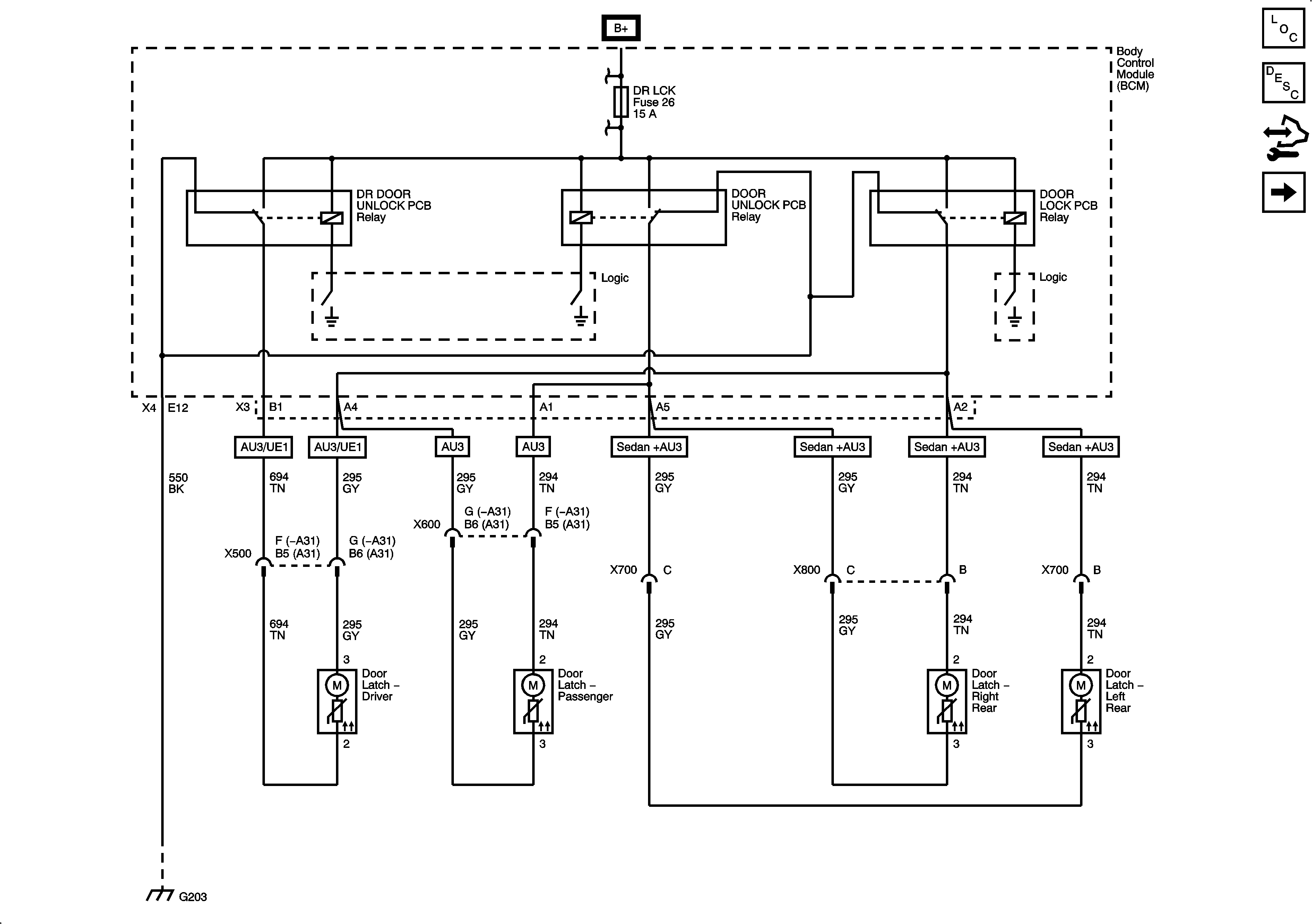
🢒 Door Lock/Indicator Schematics
Figure
1:
Door Latches
Master Electrical Component List
Power Door Locks Description and Operation
Control Module References
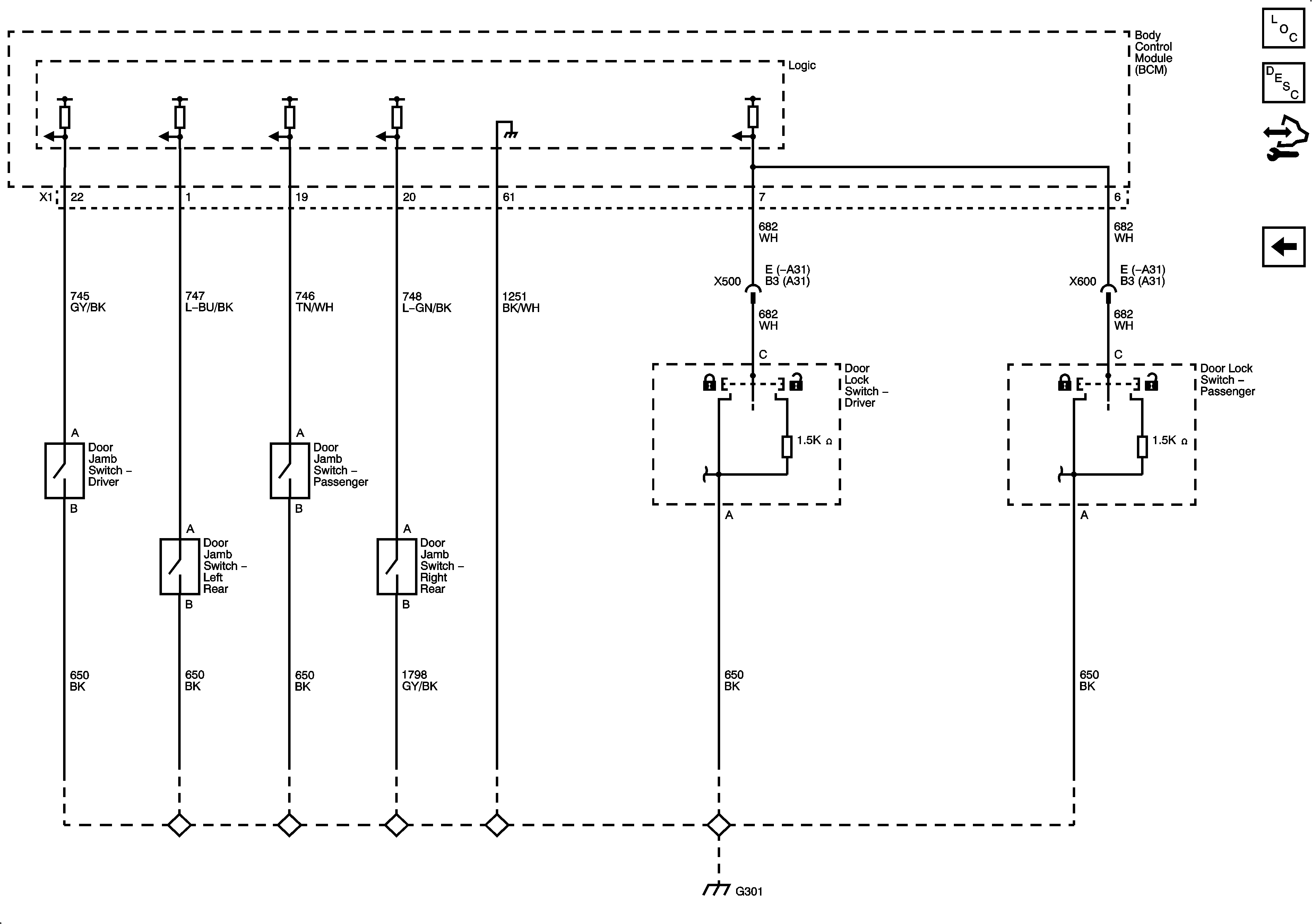
Door Switches
Figure
2:
Door Switches
Master Electrical Component List
Power Door Locks Description and Operation
Control Module References
Door Latches