GM Service Manual Online
For 1990-2009 cars only
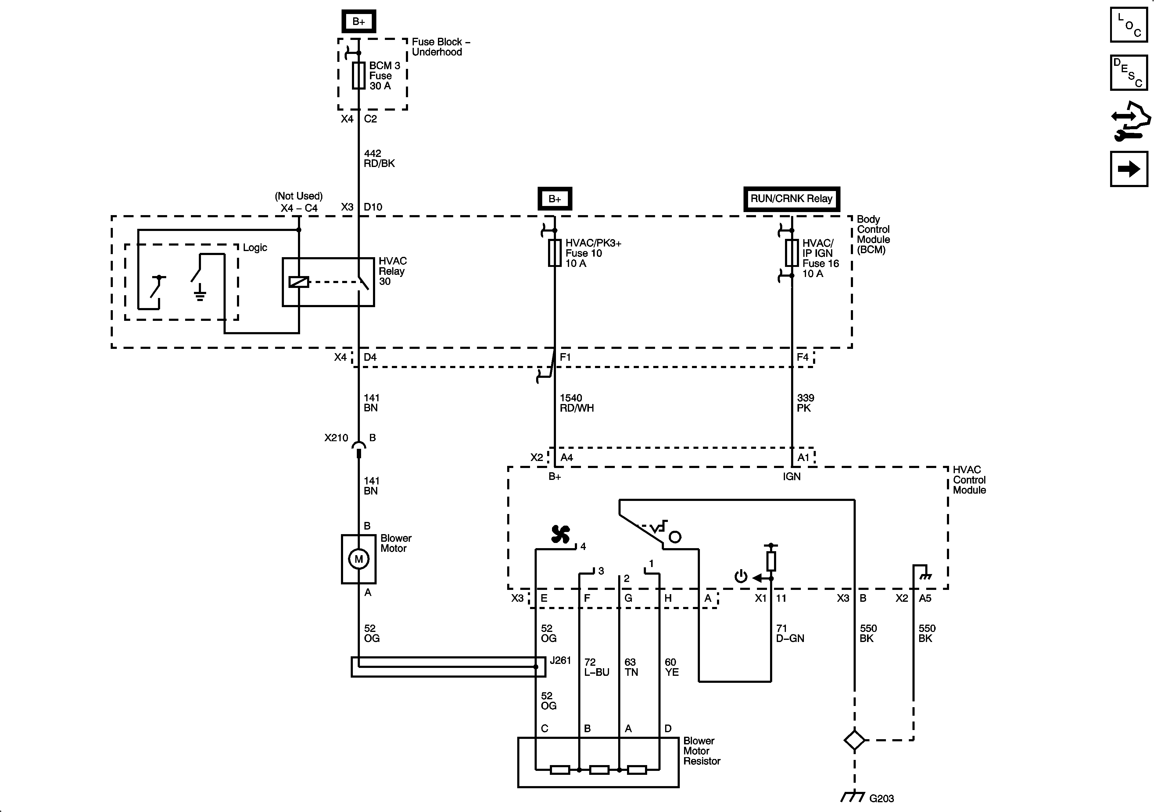
Figure 1:

Power, Ground, Blower Motor


Object Number: 1963105  Size: FS
Master Electrical Component List
Air Delivery Description and Operation
Control Module References
Compressor Controls
Figure 2:

Compressor Controls


Object Number: 1963108  Size: FS
Master Electrical Component List
Air Delivery Description and Operation
Control Module References
Mode and Temperature Controls
Power, Ground, Blower Motor
Figure 3:

Mode and Air Temperature Controls


Object Number: 1963111  Size: FS
Master Electrical Component List
Air Delivery Description and Operation
Control Module References
Compressor Controls