GM Service Manual Online
For 1990-2009 cars only
Makes
🢒
Pontiac
🢒
2008
🢒
G5
🢒
Diagnostic Navigation
🢒
Vehicle Diagnostic Information
🢒 Instrument Cluster Schematics
Figure
1:
Power, Ground, MIL
Master Electrical Component List
Instrument Cluster Description and Operation
Control Module References
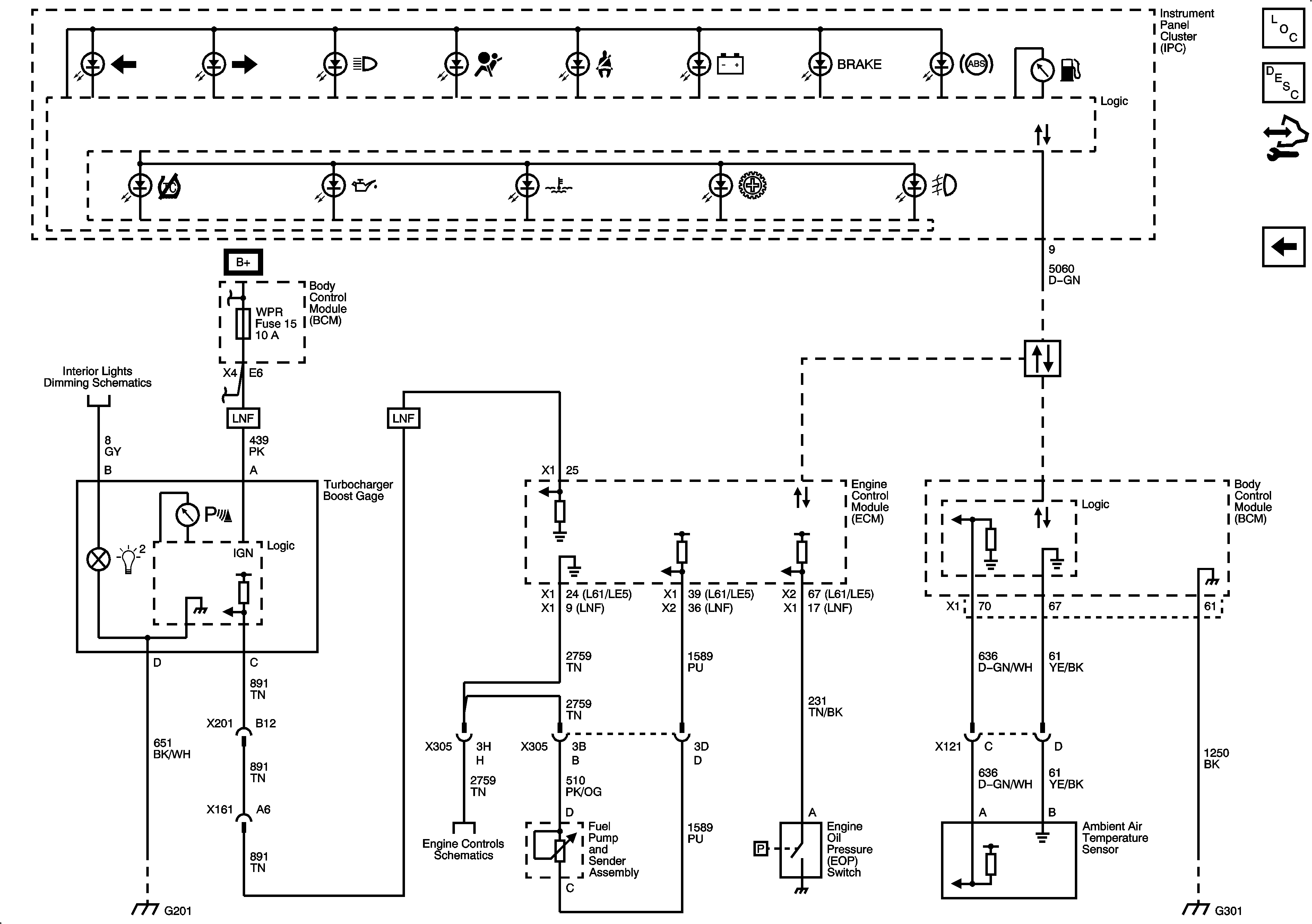
Sensors, Indicators
Figure
2:
Sensors, Indicators
Master Electrical Component List
Instrument Cluster Description and Operation
Control Module References
Power, Ground, MIL