GM Service Manual Online
For 1990-2009 cars only
Makes
🢒
Pontiac
🢒
2008
🢒
G5
🢒
Diagnostic Navigation
🢒
Vehicle Diagnostic Information
🢒 Interior Lights Schematics
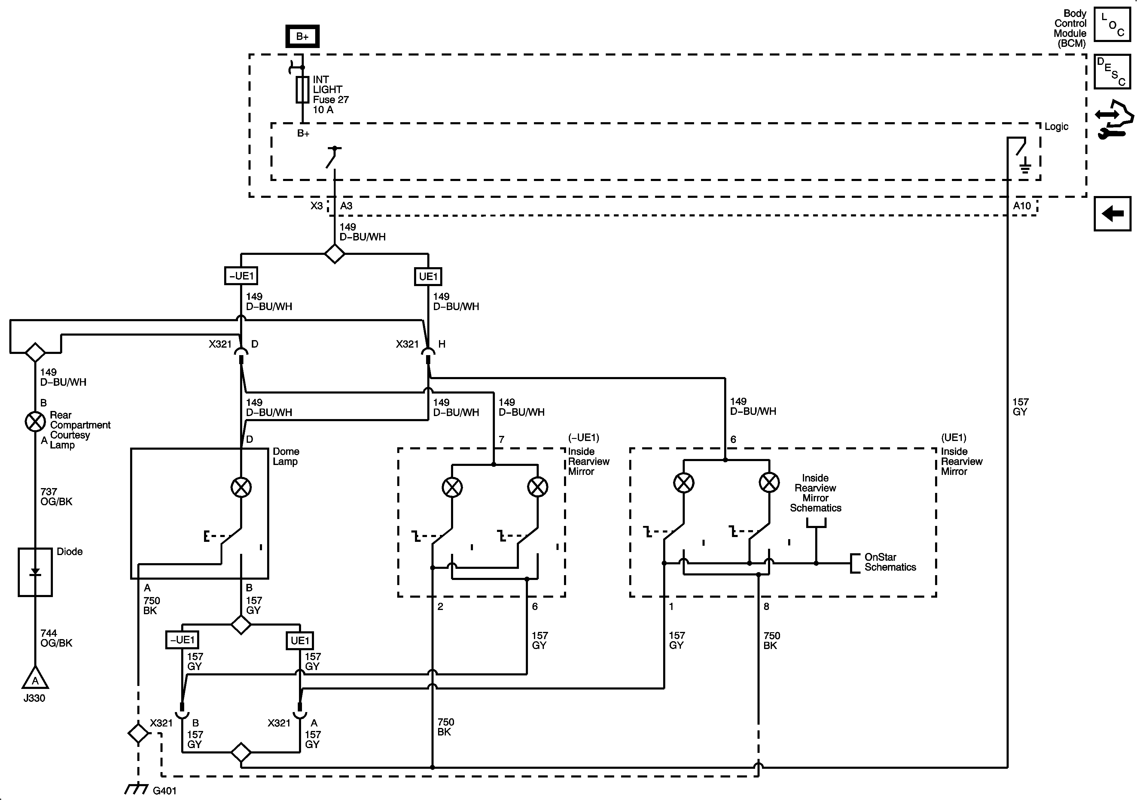
Figure
1:
Inputs
Master Electrical Component List
Interior Lighting Systems Description and Operation
Control Module References
Outputs
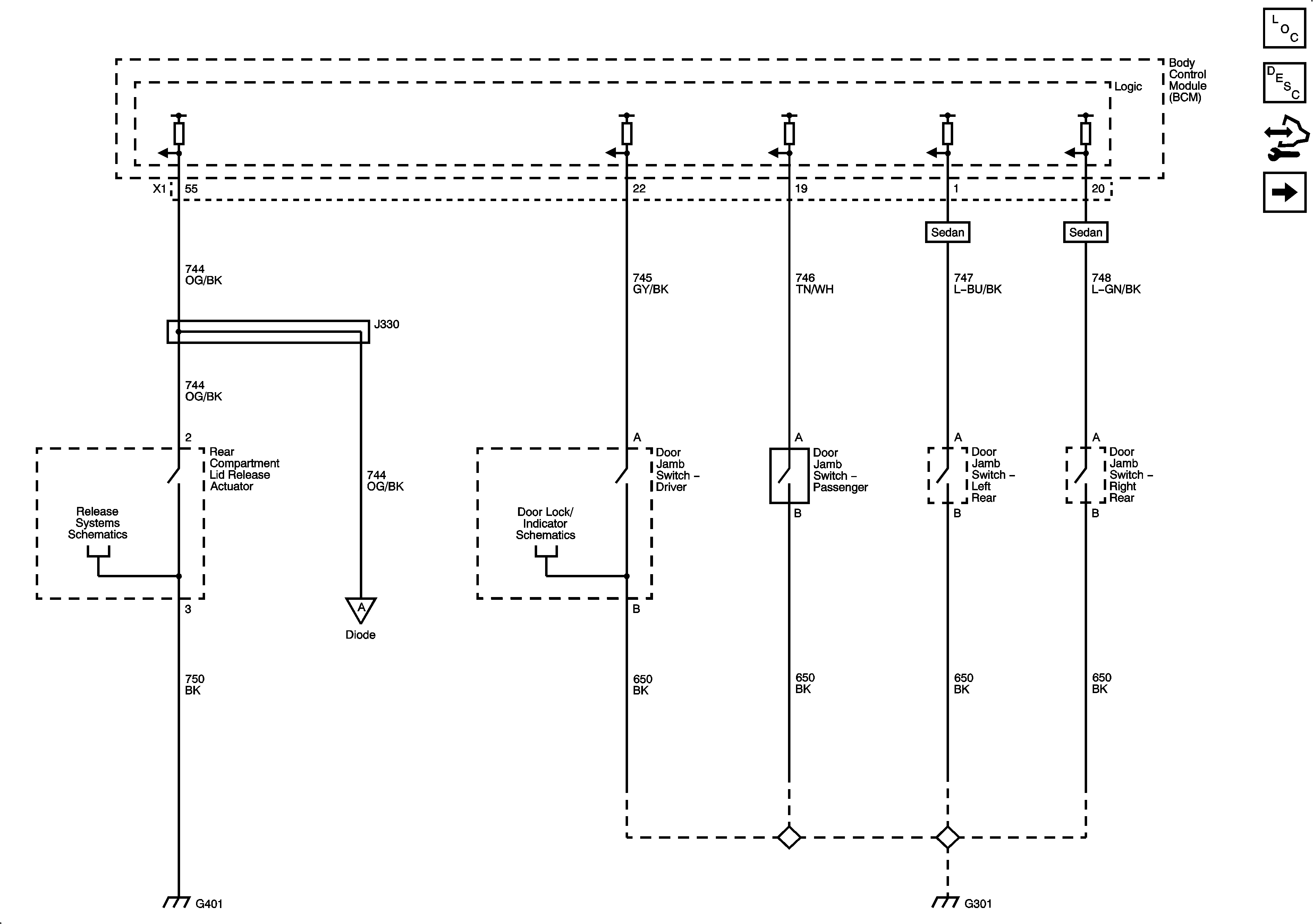
Figure
2:
Outputs
Master Electrical Component List
Interior Lighting Systems Description and Operation
Control Module References
Inputs