GM Service Manual Online
For 1990-2009 cars only
Makes
🢒
Pontiac
🢒
2008
🢒
G5
🢒
Diagnostic Navigation
🢒
Vehicle Diagnostic Information
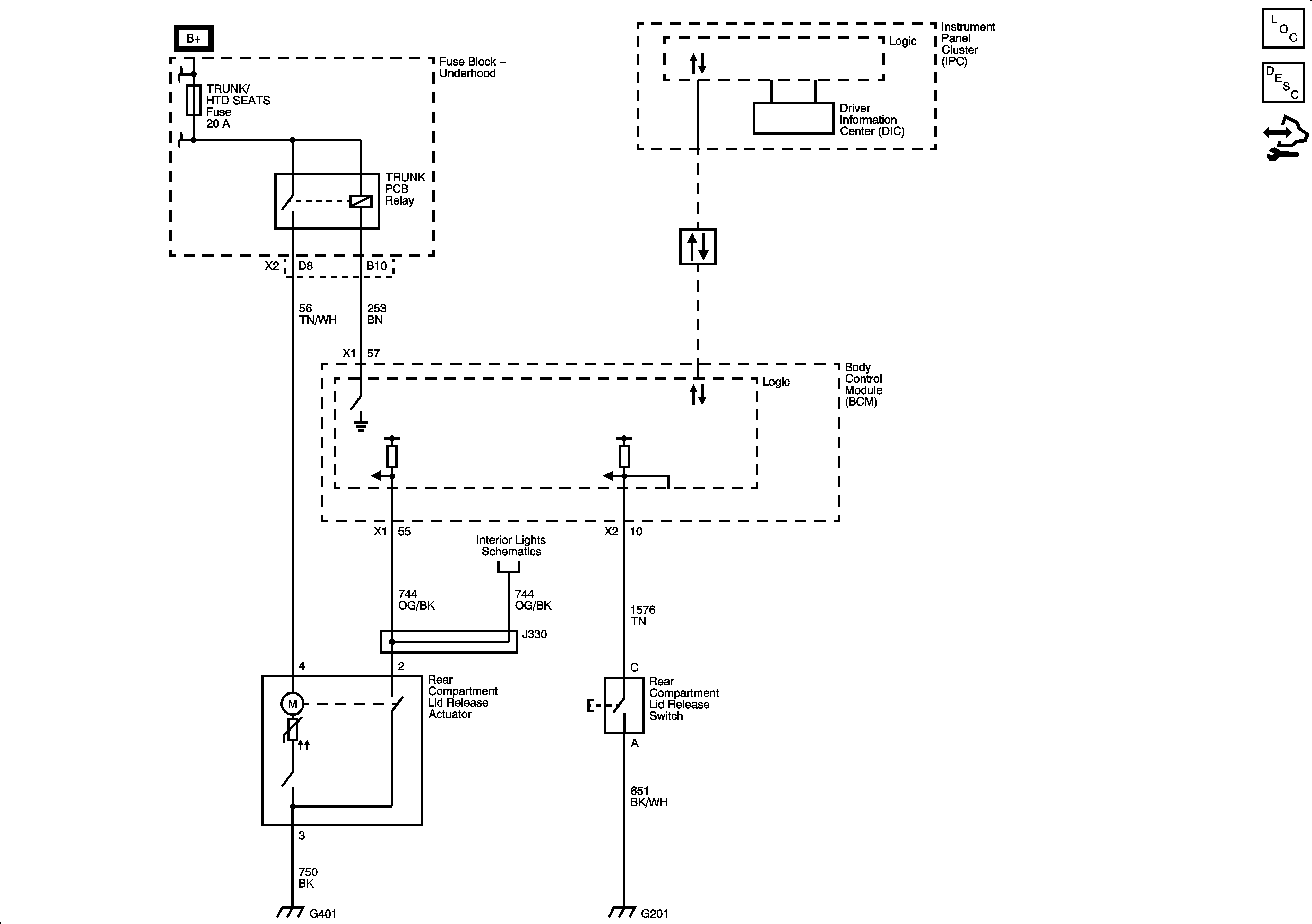
🢒 Release Systems Schematics
Rear Compartment Lid Release
Master Electrical Component List
Luggage Compartment Description and Operation (Sedan)
Control Module References