GM Service Manual Online
For 1990-2009 cars only
Makes
🢒
Pontiac
🢒
2008
🢒
G5
🢒
Brakes
🢒
Antilock Brake System
🢒 Antilock Brake System Schematics
Figure
1:
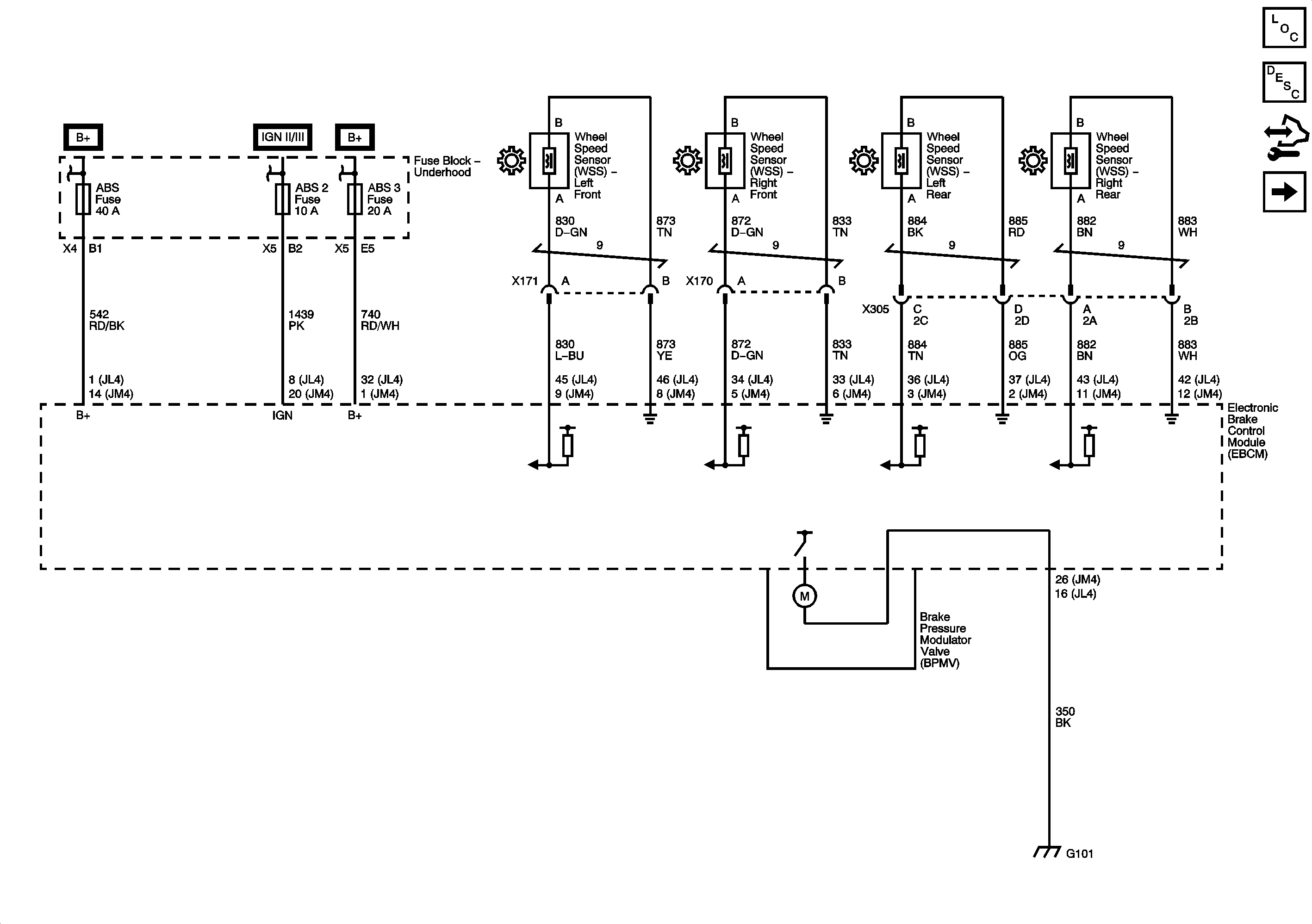
Power, Ground, Wheel Speed Sensors
Master Electrical Component List
ABS Description and Operation
Control Module References
Indicators
Figure
2:
Indicators
Master Electrical Component List
ABS Description and Operation
Control Module References
Power, Ground, Wheel Speed Sensors