GM Service Manual Online
For 1990-2009 cars only

Engine Controls Schematics 2.2L

Figure 1:

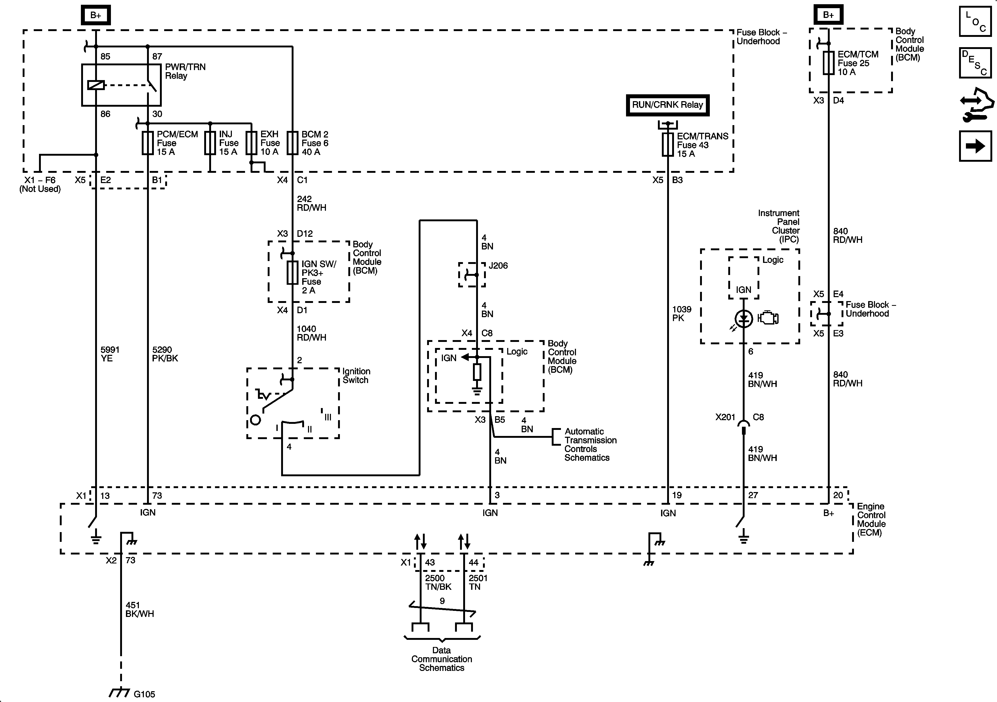
Power, Ground, MIL, Communication


Object Number: 2077401  Size: FS
Figure 2:

5-Volt and Low Reference Bussing


Object Number: 2077403  Size: FS
Figure 3:

Engine Data Sensors - Pressure, Temperature, MAF/IAT


Object Number: 2077409  Size: FS
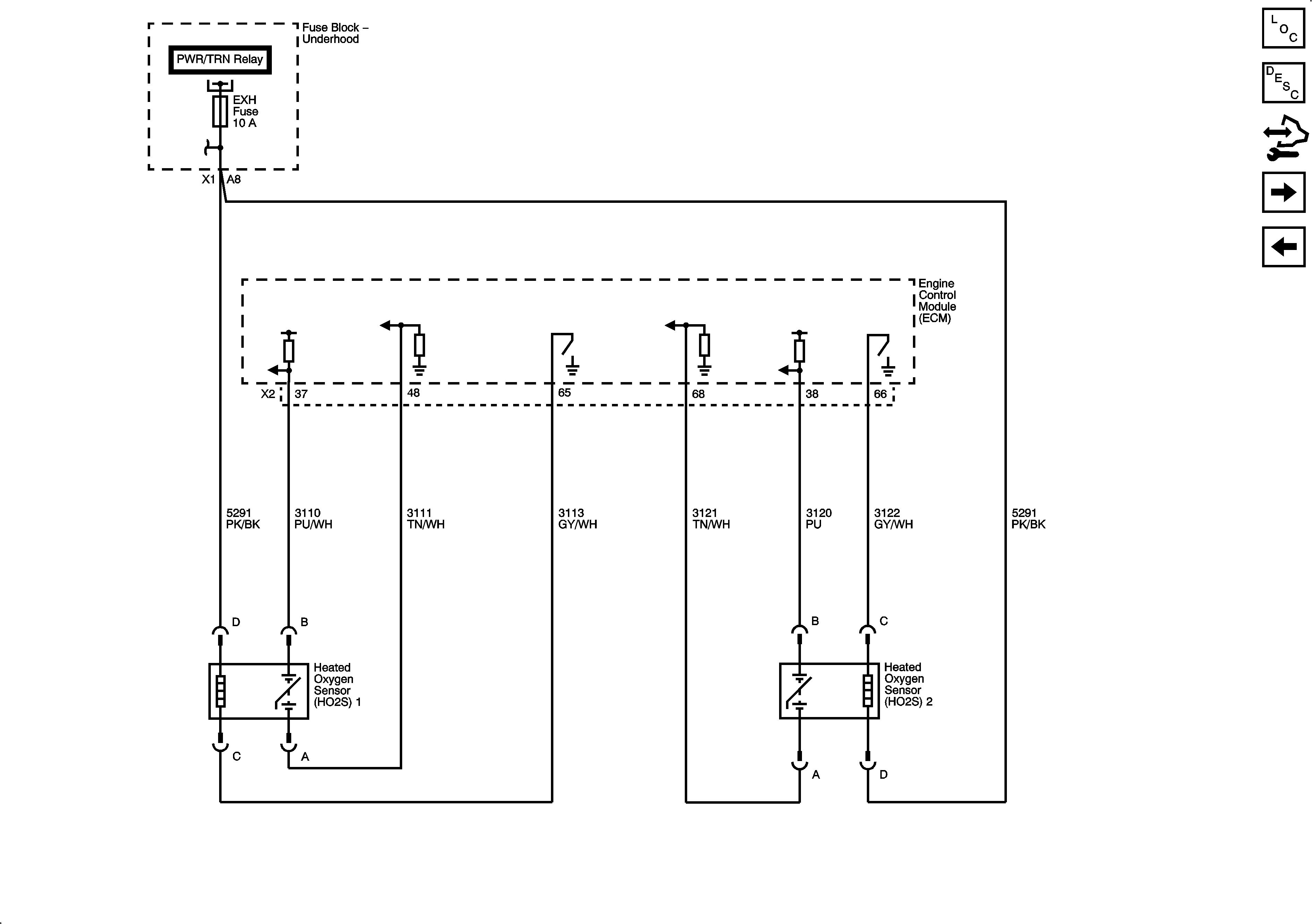
Figure 4:

Engine Data Sensors - Heated Oxygen Sensors (HO2S)


Object Number: 2077413  Size: FS
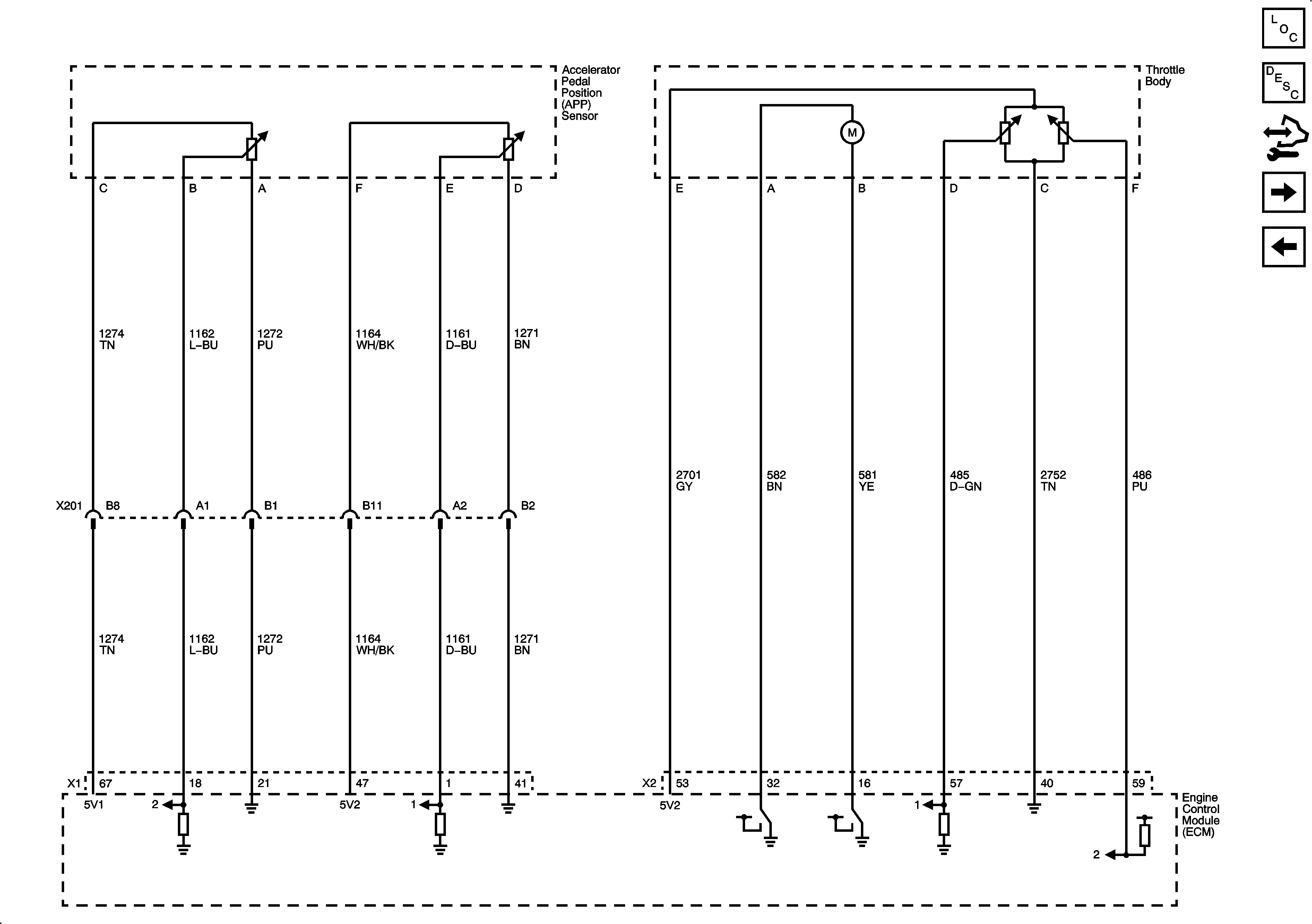
Figure 5:

Engine Data Sensors - APP, TAC


Object Number: 2077415  Size: FS
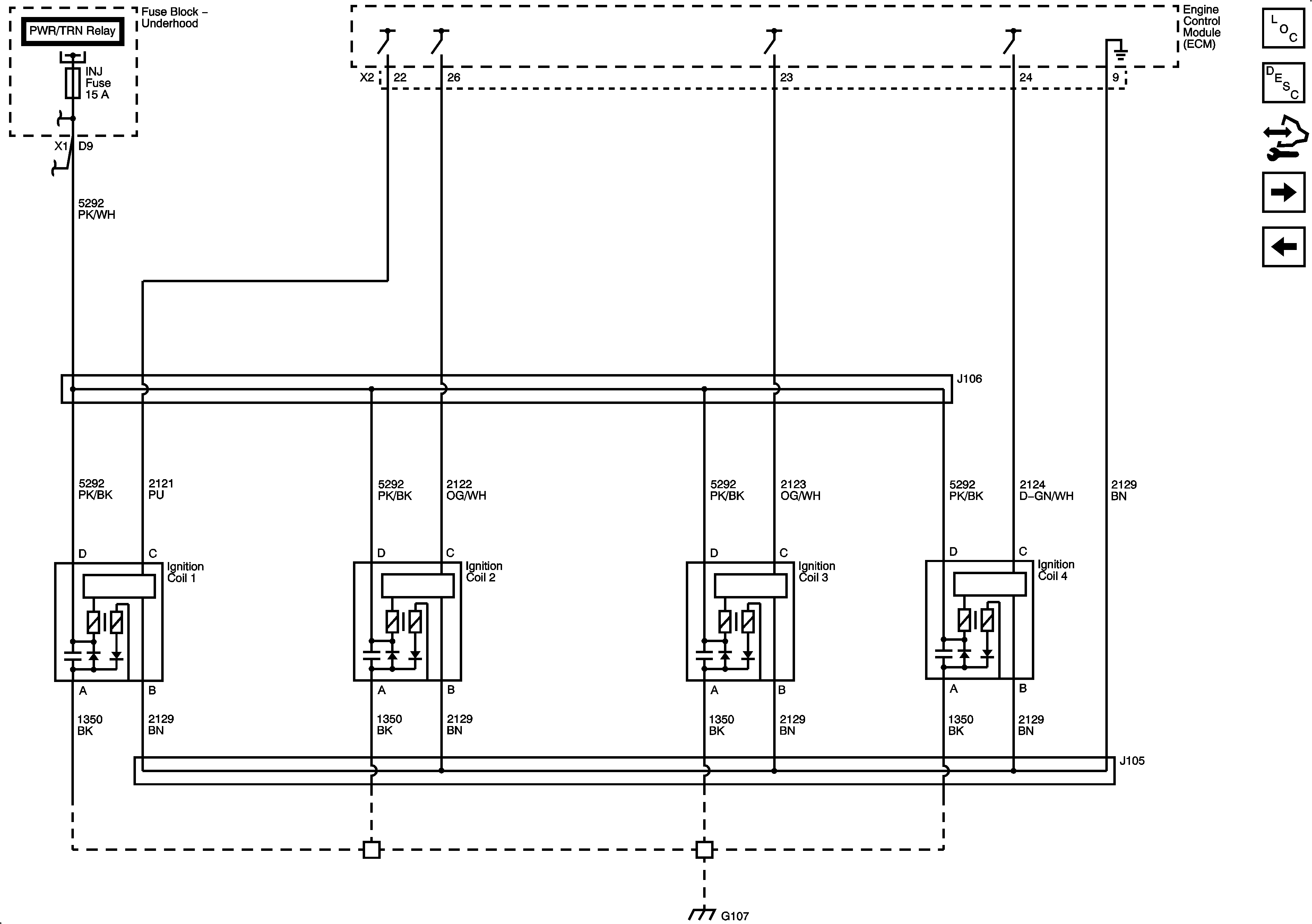
Figure 6:

Ignition Controls - Ignition System


Object Number: 2077416  Size: FS
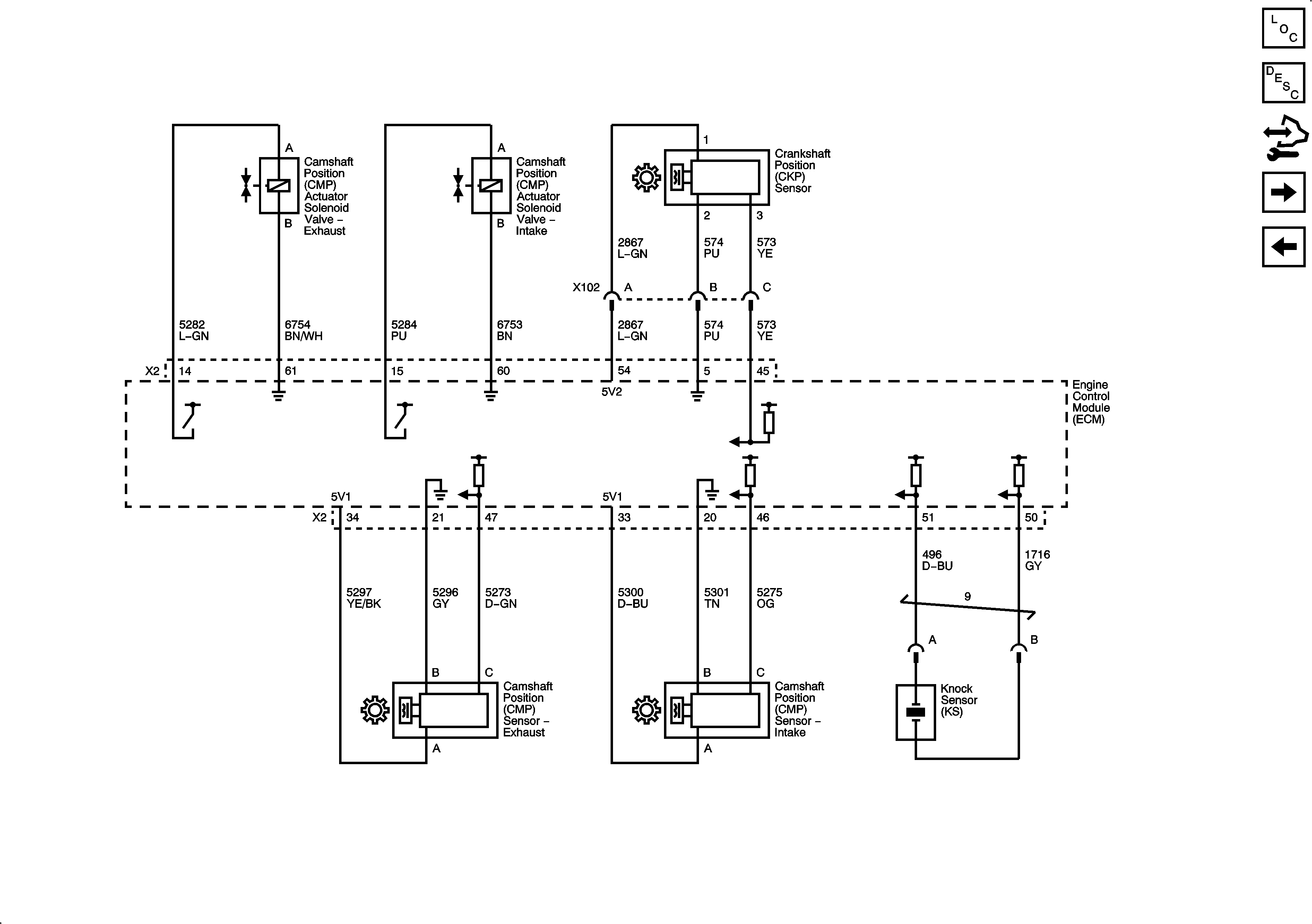
Figure 7:

Ignition Controls - Sensors


Object Number: 2077418  Size: FS
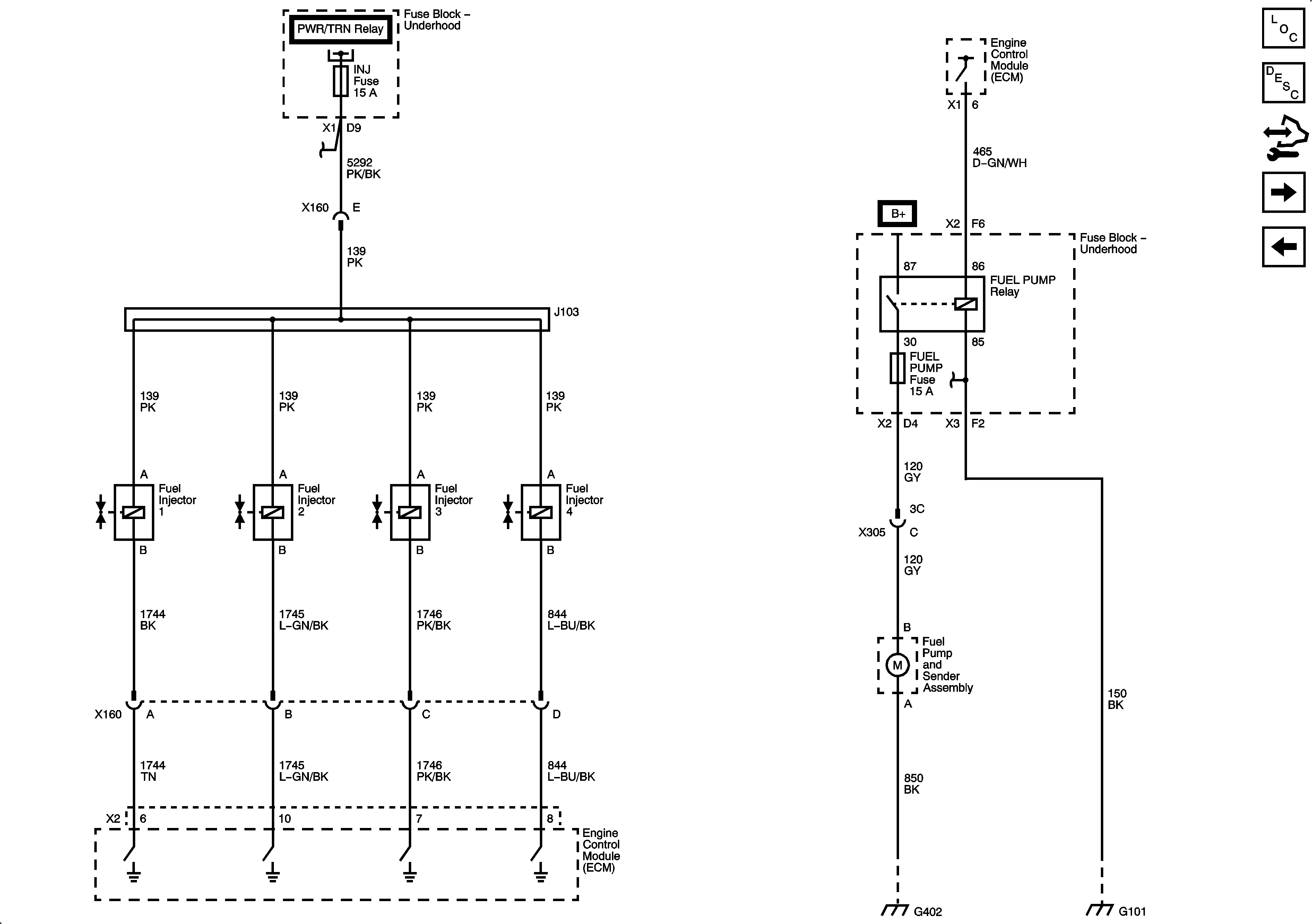
Figure 8:

Fuel Controls, Injectors


Object Number: 2077421  Size: FS
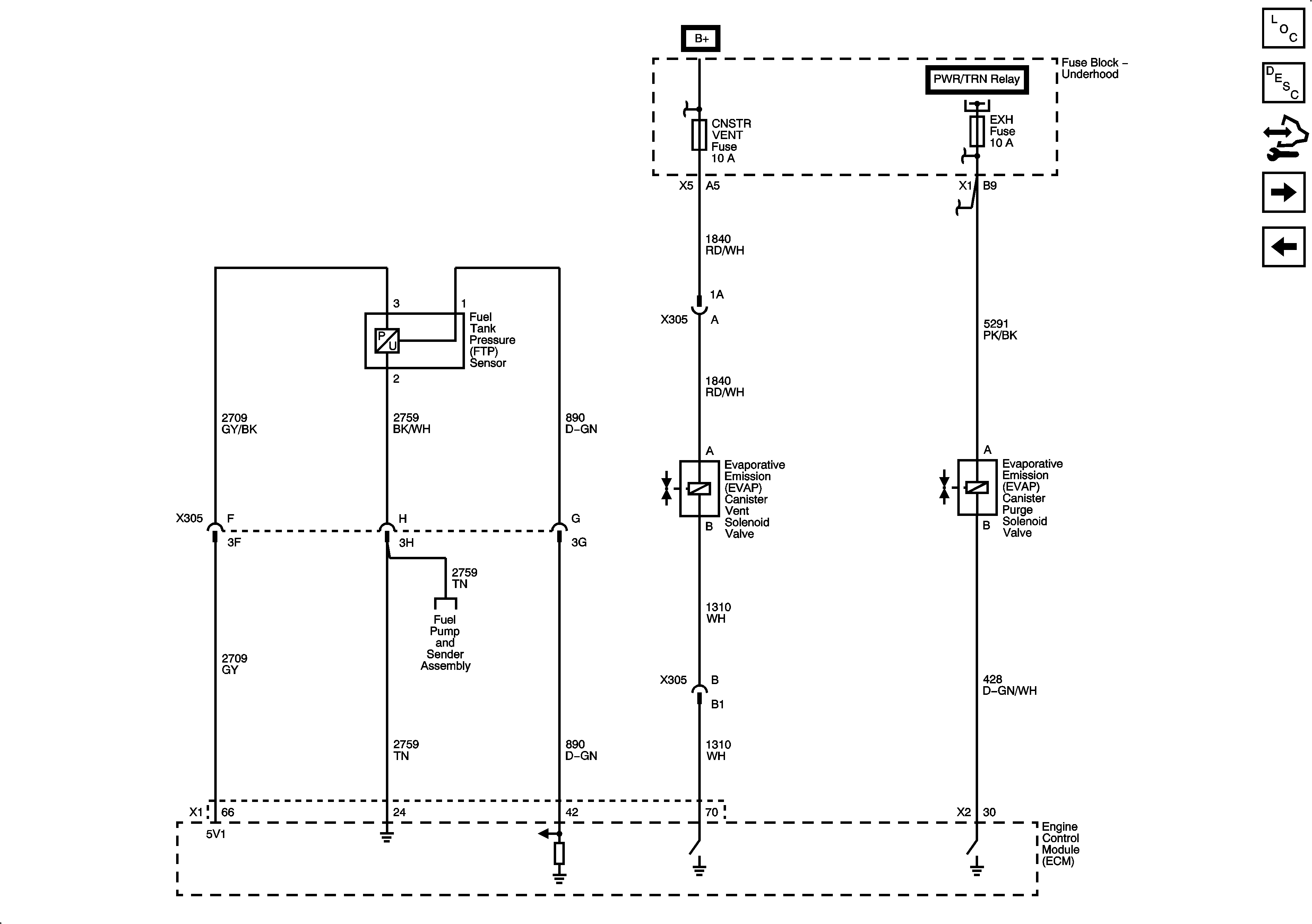
Figure 9:

EVAP Controls


Object Number: 2077422  Size: FS
Figure 10:

Controlled/Monitored Subsystem References


Object Number: 2077424  Size: FS
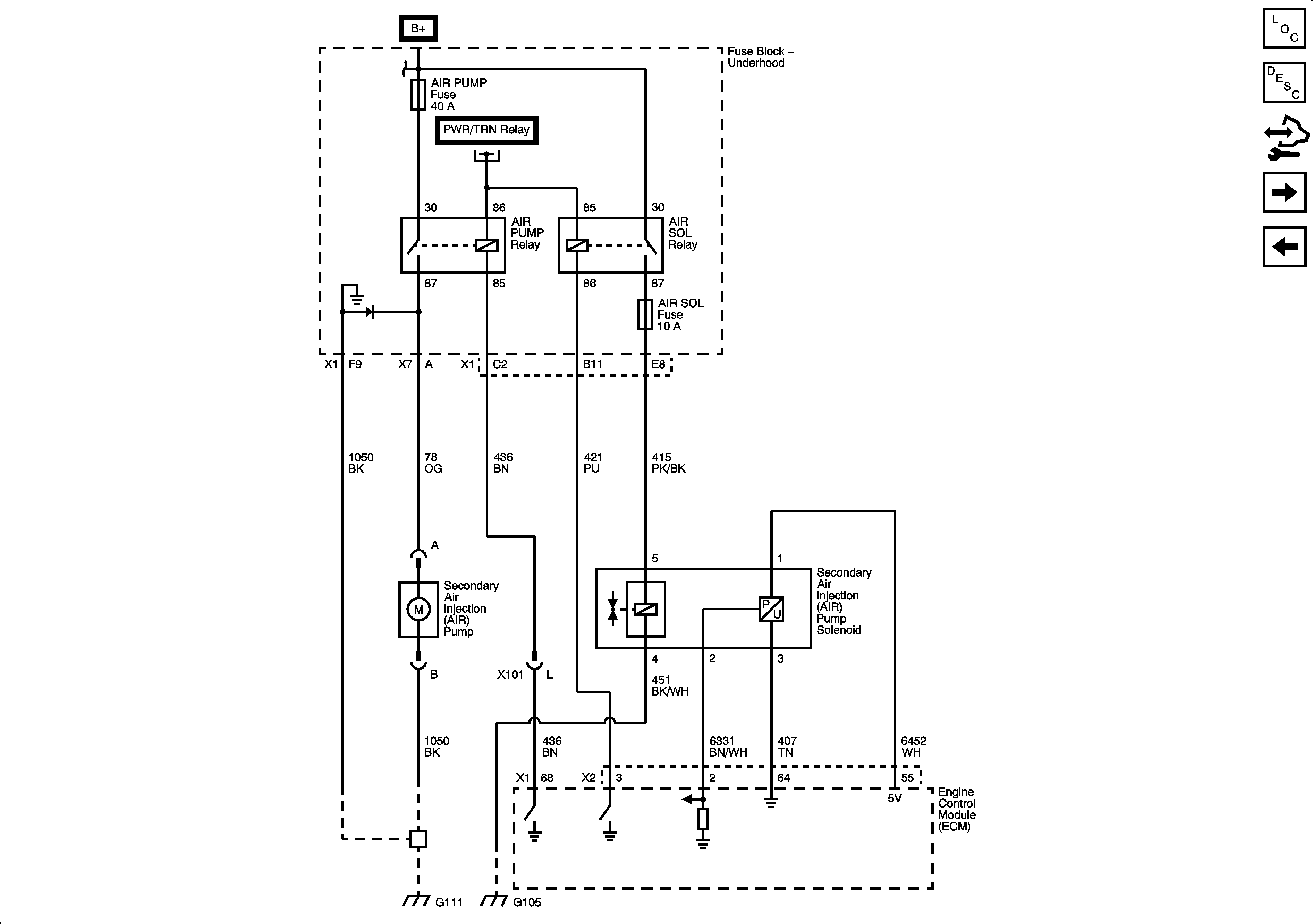
Figure 11:

Secondary Air Injection (AIR) System - NU6


Object Number: 2077427  Size: FS