GM Service Manual Online
For 1990-2009 cars only
Makes
🢒
Pontiac
🢒
2009
🢒
G5
🢒
Diagnostic Navigation
🢒
Vehicle Diagnostic Information
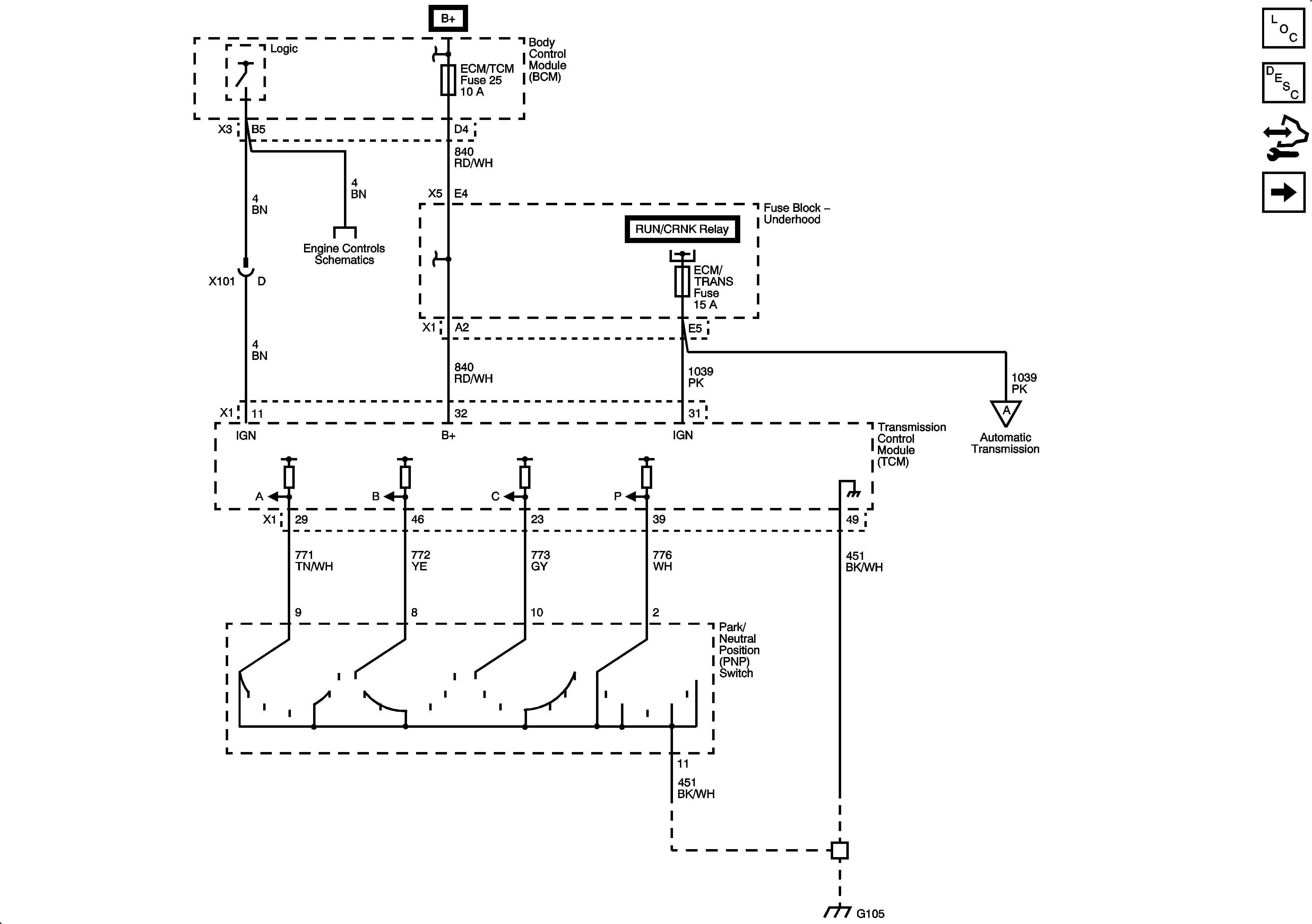
🢒 Automatic Transmission Controls Schematics
Figure
1:
Power, Ground, PNP Switch
Figure
2:
Solenoids, VSS
Figure
3:
Switches, TFT, ISS, Sensors