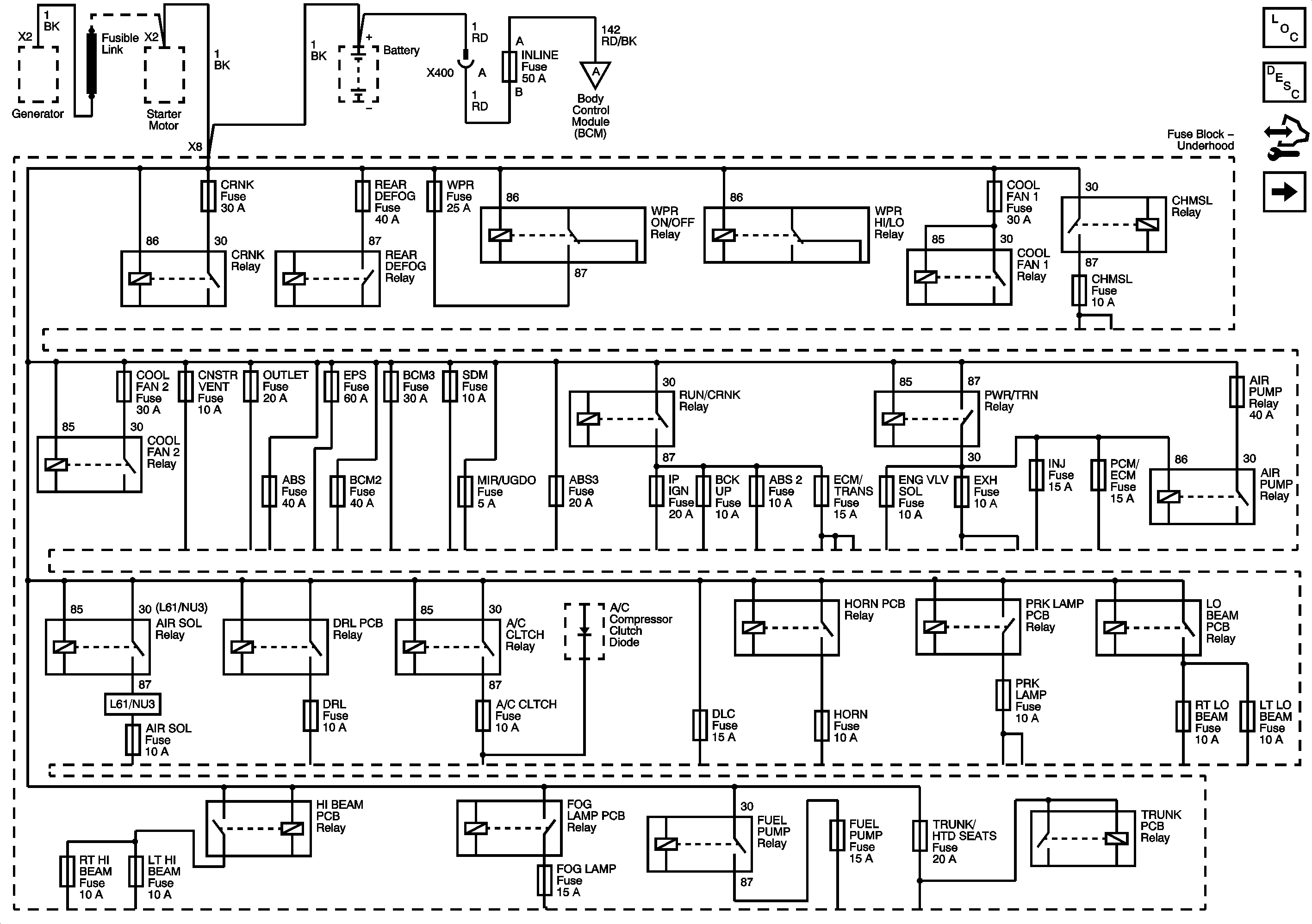
| Figure 1: |
B+ Bussing, Underhood Fuse Block B+ Bus
|
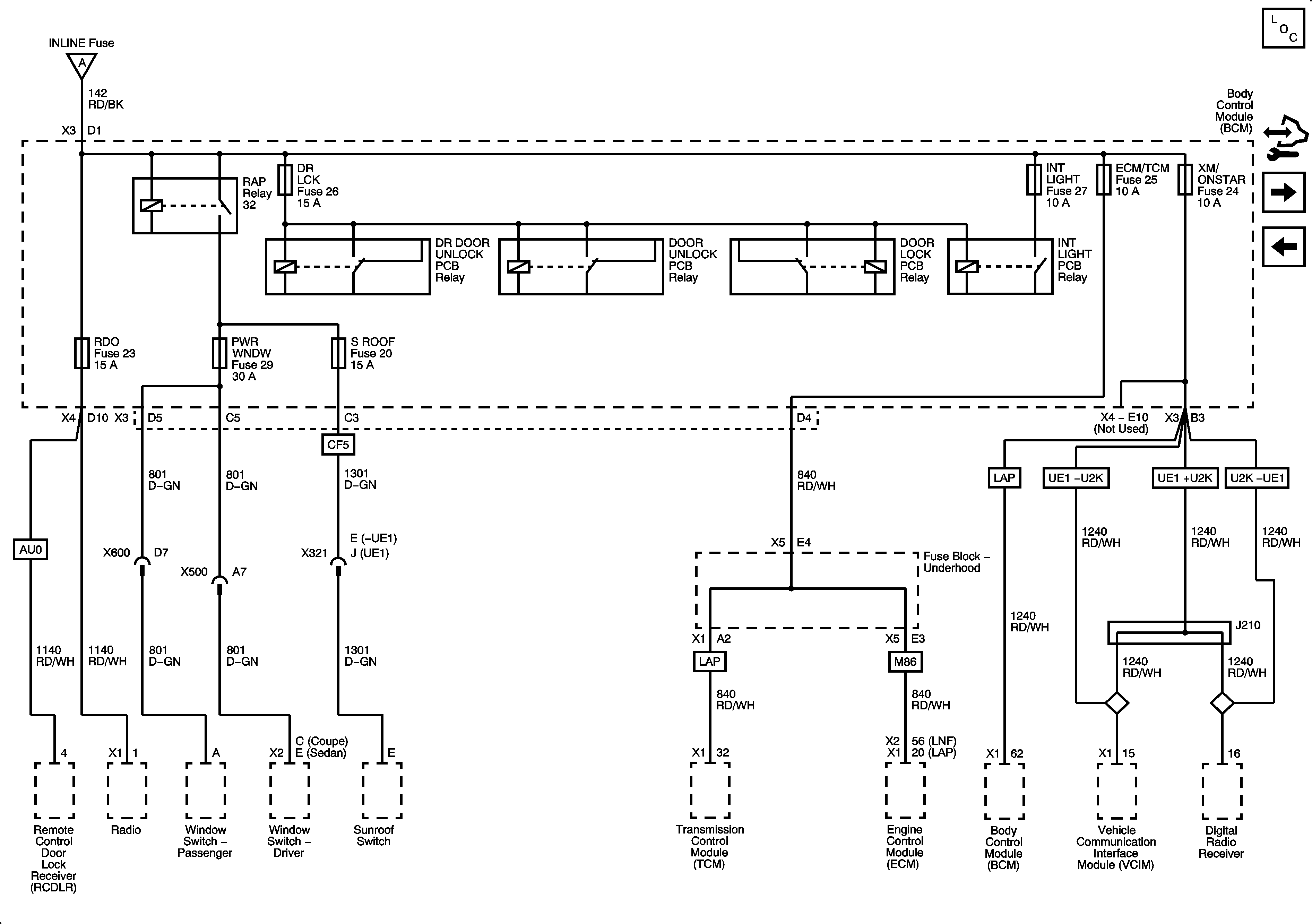
| Figure 2: |
BCM Fuses - DR LCK, ECM/TCM, INT LIGHT, PWR WNDW, RDO, SDM, S ROOF
|
| Figure 3: |
Underhood Fuse Block Fuses - ABS, ABS2, BCK UP, CNSTR VENT, ECM/TRANS, EPS, HTD SEATS, IP IGN, LTR, MIR, PRK/NEUT, S-BAND/ONSTAR, and RUN/CRANK Relay
|
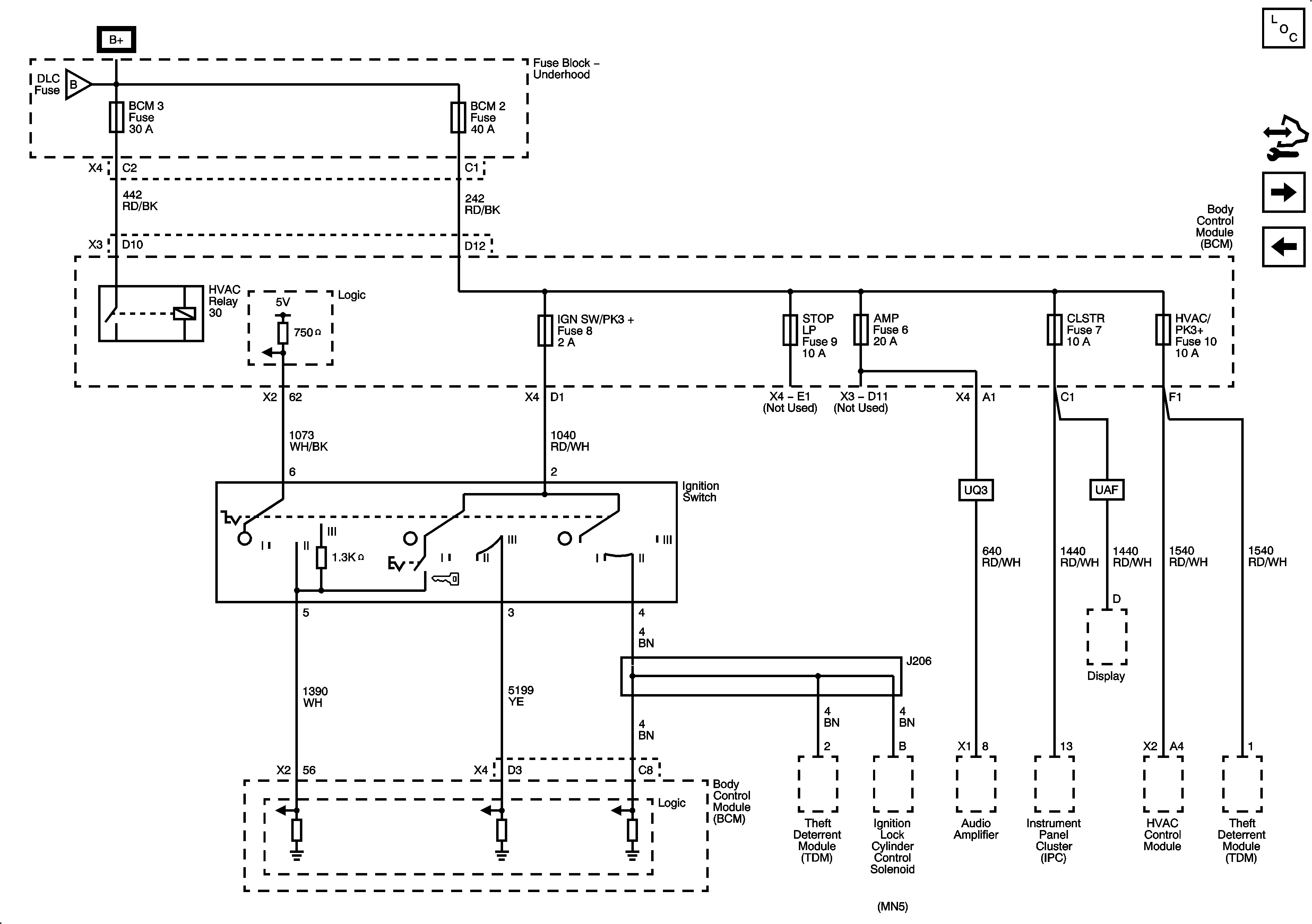
| Figure 4: |
Body Control Module - AUDIO AMPLIFIER Fuse, BCM2 Fuse, CLUSTER Fuse, IGN SW Fuse, STOP LPS Fuse
|
| Figure 5: |
Underhood Fuse Block Fuses - EMISN, FUEL PMP, INJ, PCM/ECM, and FUEL PMP Relay and PWR/TRN Relay
|
| Figure 6: |
Underhood Fuse Block Fuses - AFTERCOOL, AIR PMP, AIR SOL, FOG LP, HORN, TRUNK/OUTLET
|
| Figure 7: |
Underhood Fuse Block Fuses - LH HI BEAM, LH LO BEAM, PRK LPS, RH HI BEAM, RH LO BEAM
|
| Figure 8: |
Underhood Fuse Block I/P IGN Fuse, Body Control Module Fuses - AIRBAG, EPS/STR WHL CNTRL, HVAC/IP IGN, WPR
|