GM Service Manual Online
For 1990-2009 cars only
Figure 1:

G101, G102


Object Number: 2077621  Size: FS
Figure 2:

G103, G105, G107


Object Number: 2077622  Size: FS
Figure 3:

G201 (1 of 2)


Object Number: 2077623  Size: FS
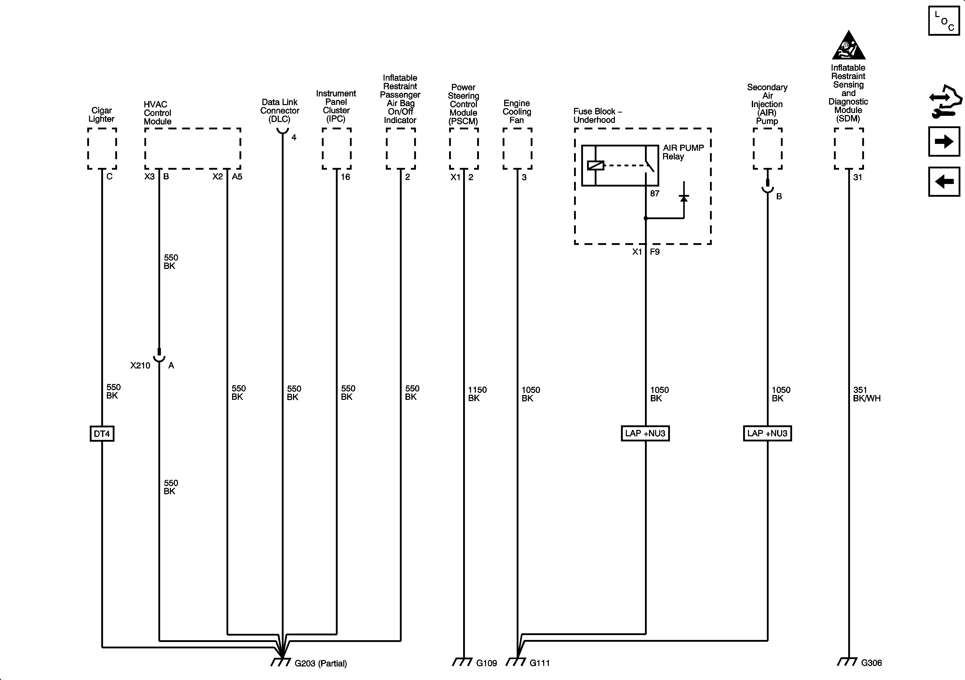
Figure 4:

G109, G111, G203 (1 of 2) and G306


Object Number: 2077624  Size: FS
Figure 5:

G201 (2 of 2) and G203 (2 of 2)


Object Number: 2077626  Size: FS
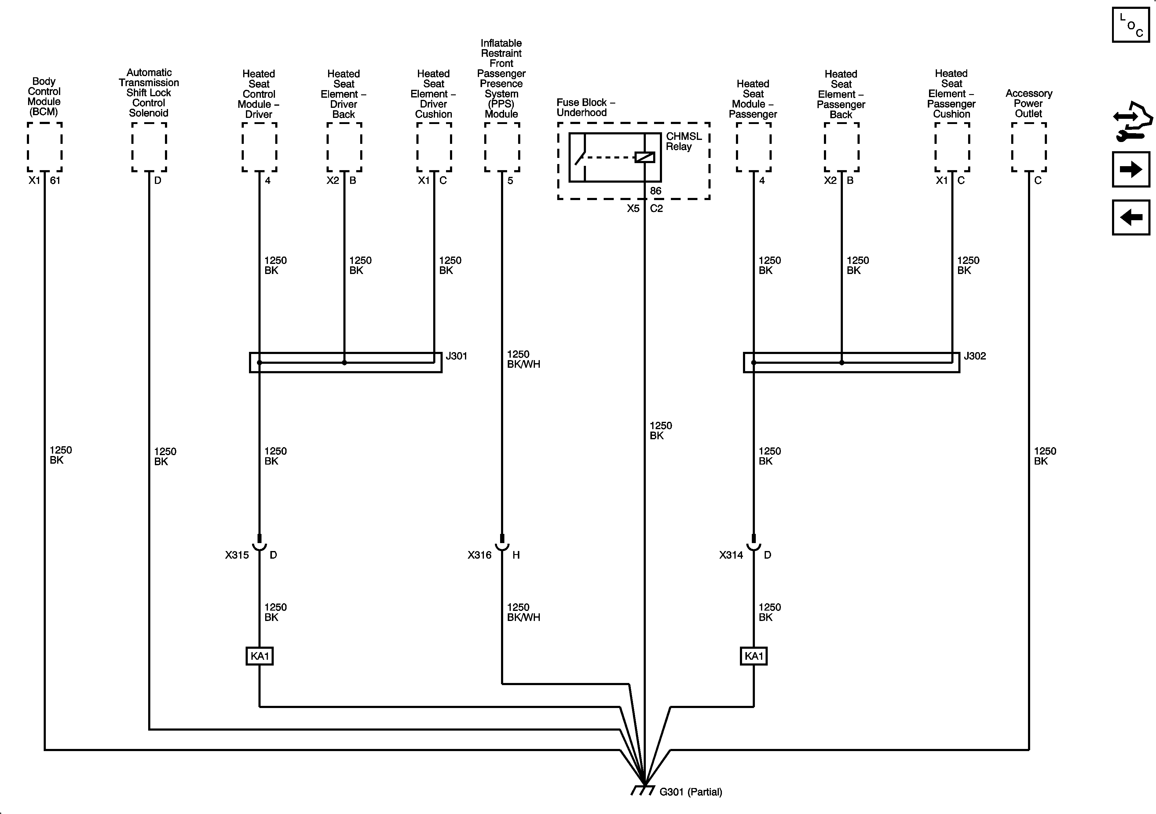
Figure 6:

G301 (1 of 2)


Object Number: 2077625  Size: FS
Figure 7:

G301 (2 of 2)


Object Number: 2077627  Size: FS
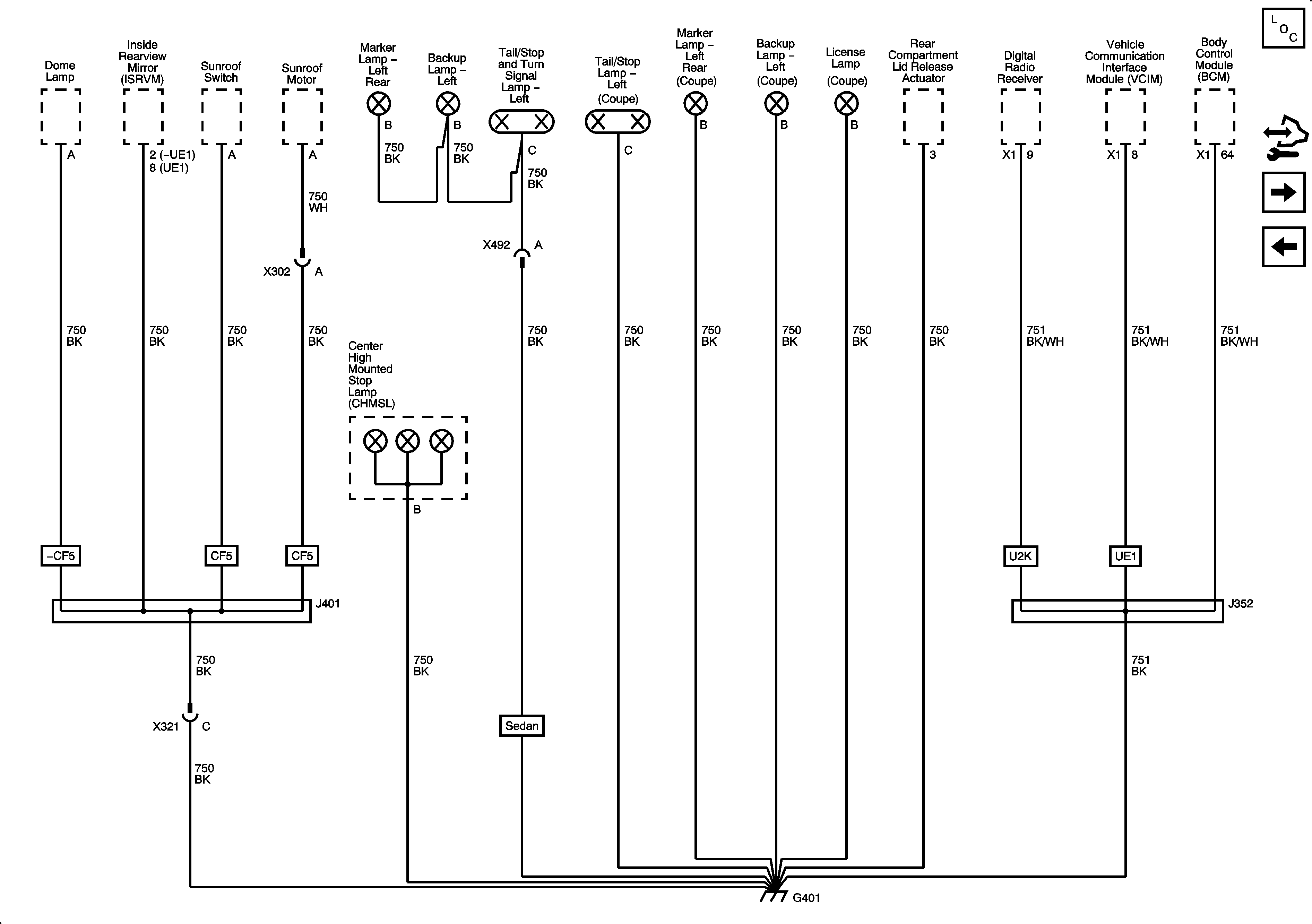
Figure 8:

G401


Object Number: 2077628  Size: FS
Figure 9:

G402, G403


Object Number: 2077629  Size: FS