GM Service Manual Online
For 1990-2009 cars only
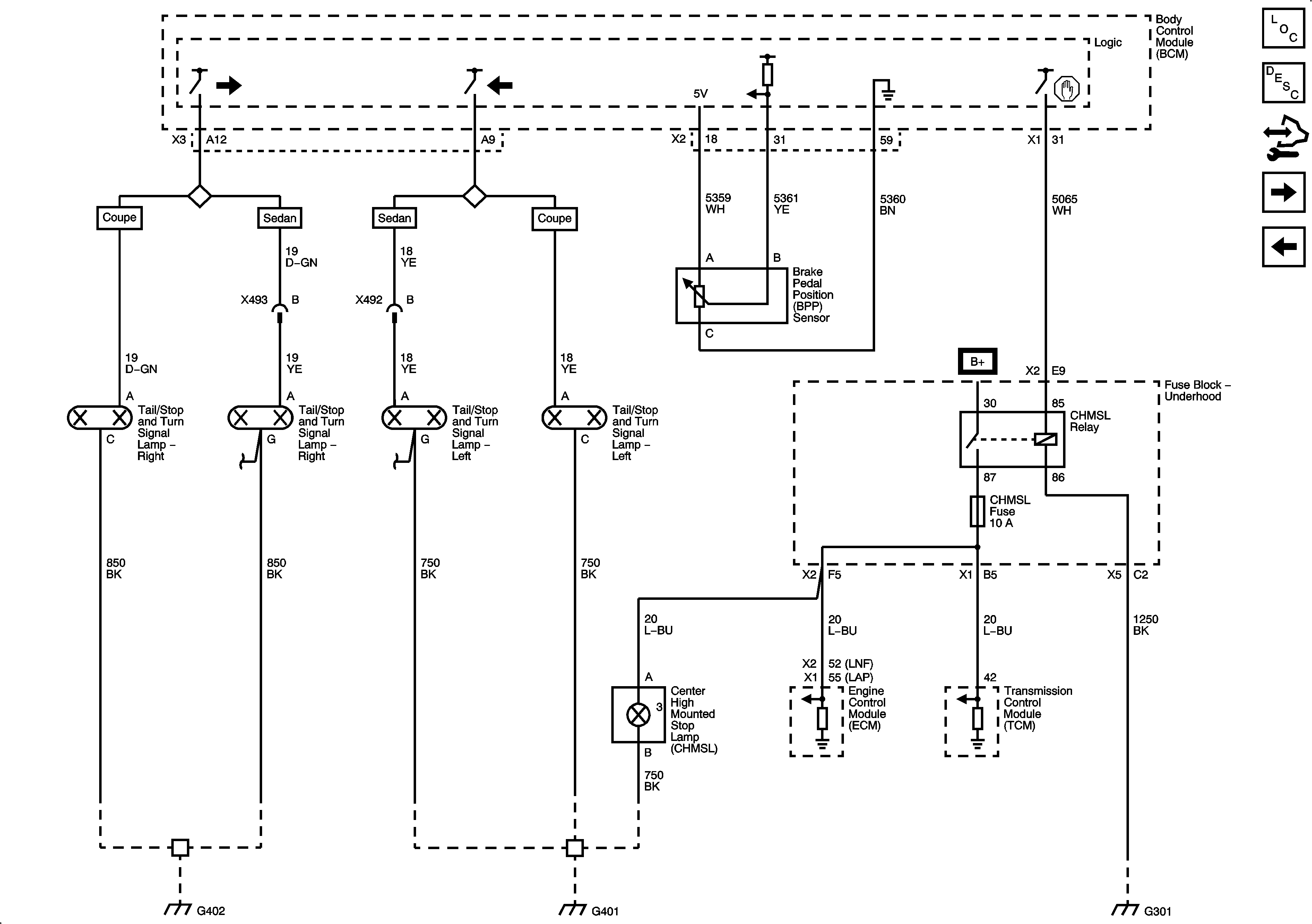
Figure 1:

Inputs


Object Number: 2077503  Size: FS
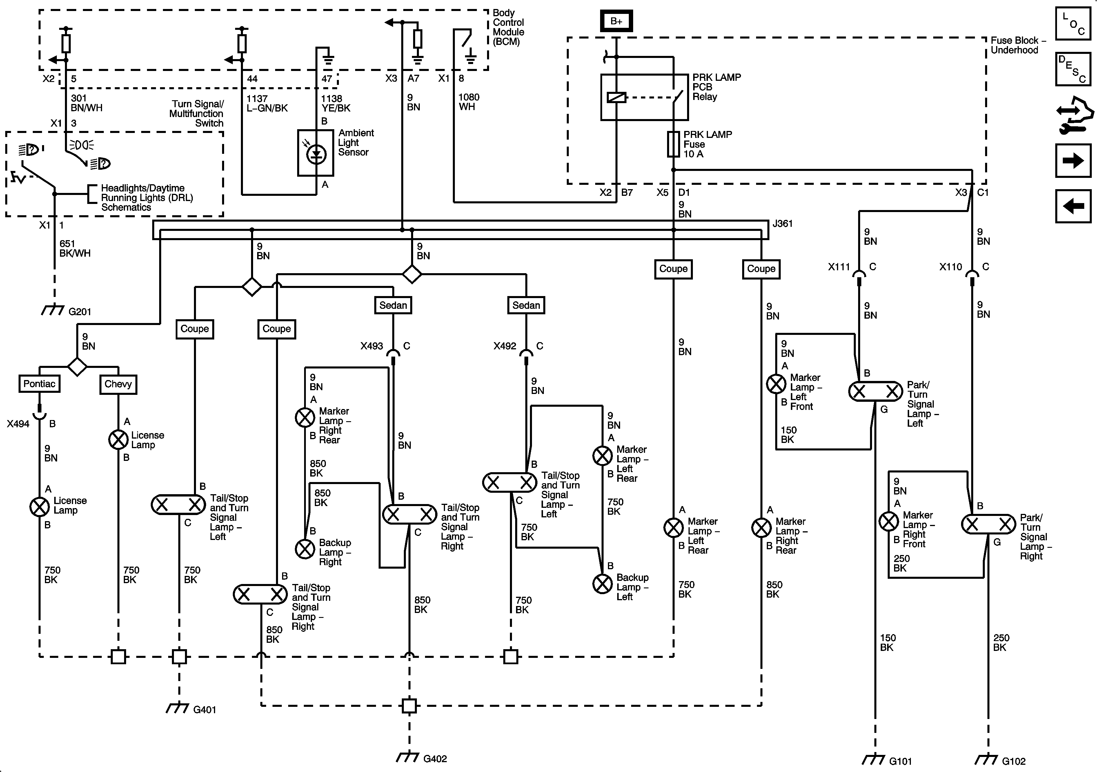
Figure 2:

Park Lamps


Object Number: 2077504  Size: FS
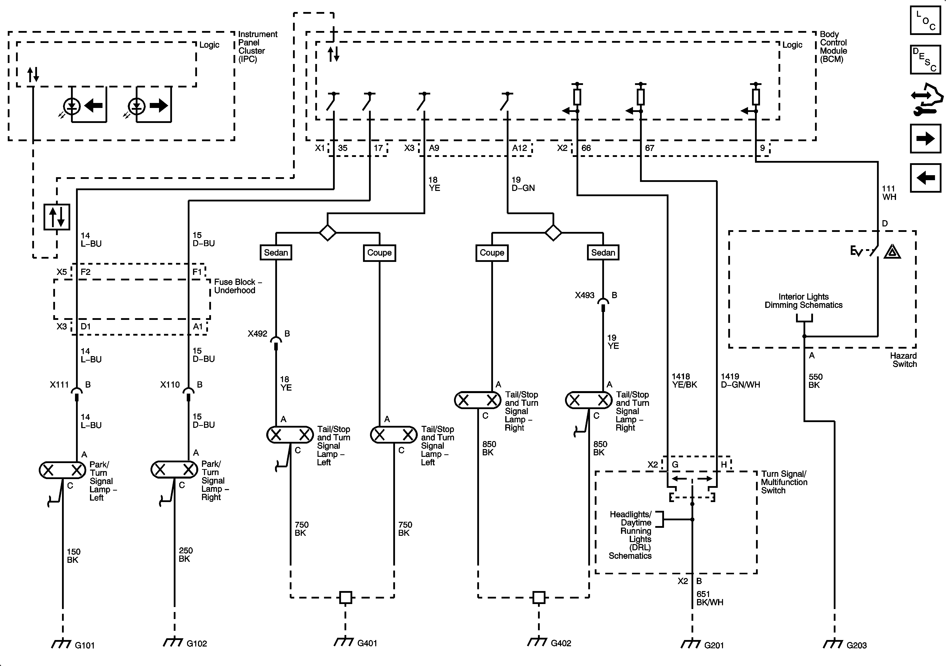
Figure 3:

Hazards, Turn Signals


Object Number: 2077507  Size: FS
Figure 4:

Stop Lamps


Object Number: 2077510  Size: FS
Figure 5:

Backup Lamps


Object Number: 2077511  Size: FS