GM Service Manual Online
For 1990-2009 cars only
Makes
🢒
Pontiac
🢒
2009
🢒
G5
🢒
Body Systems
🢒
Lighting
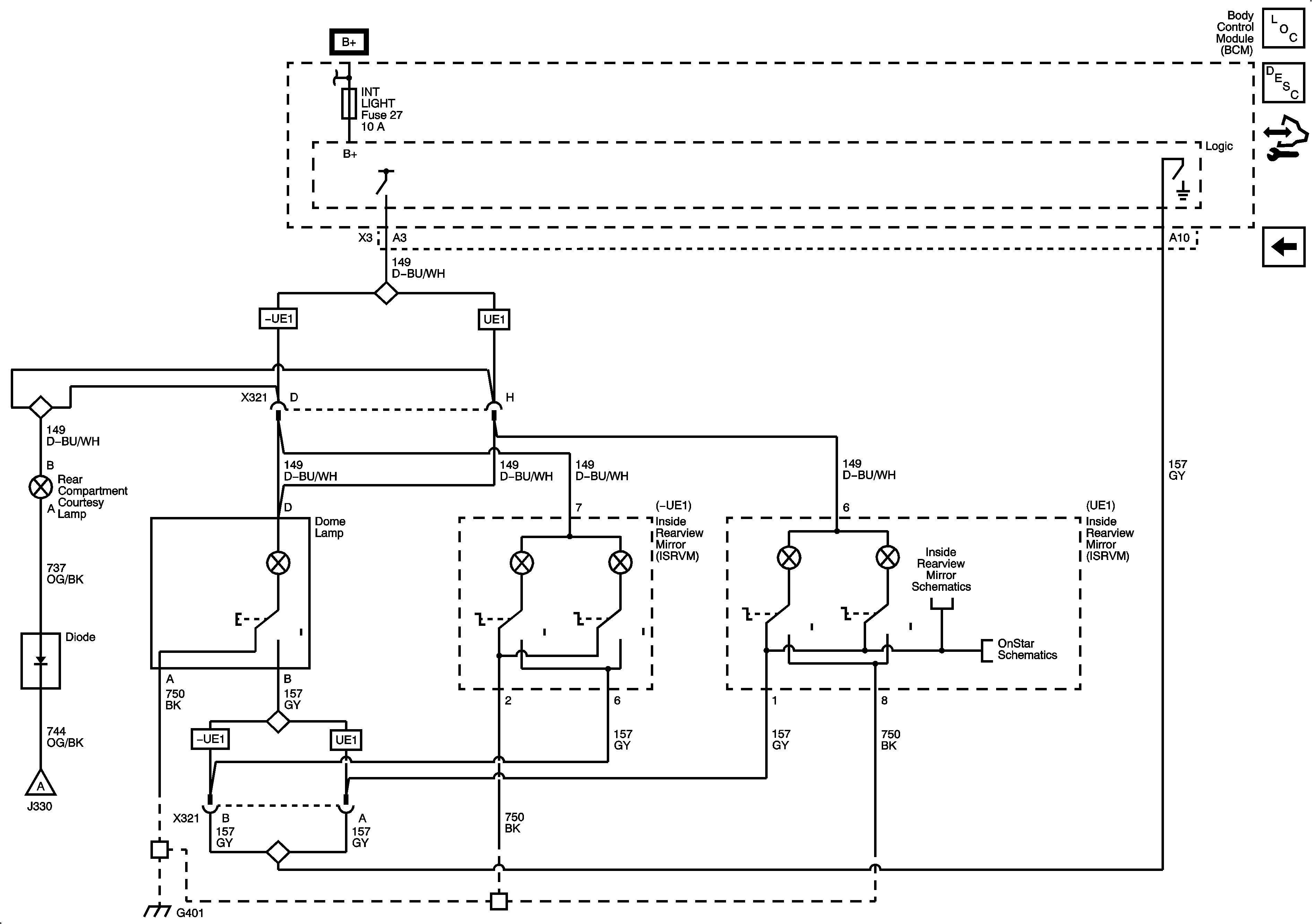
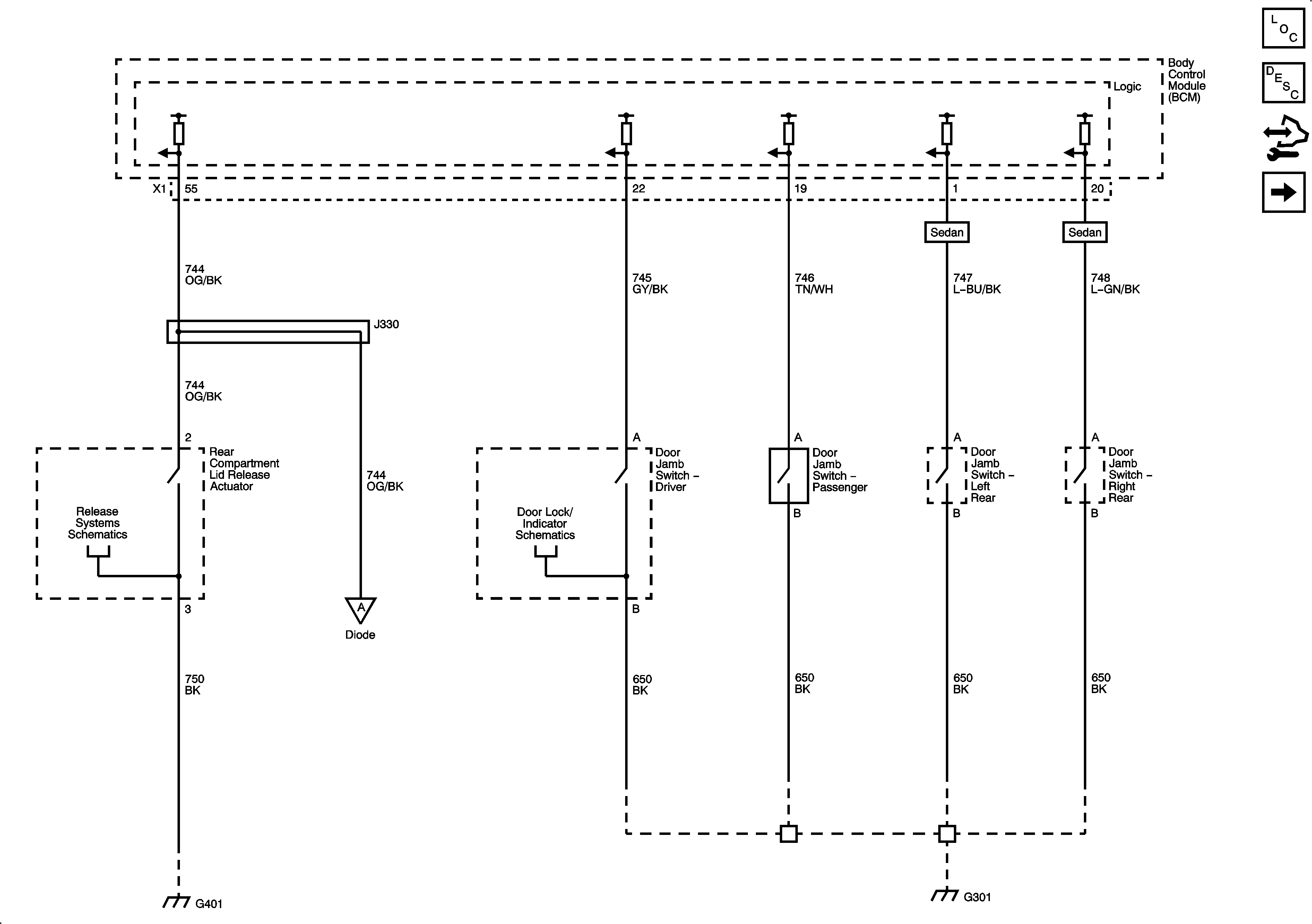
🢒 Interior Lights Schematics
Figure
1:
Inputs
Figure
2:
Outputs