GM Service Manual Online
For 1990-2009 cars only
Makes
🢒
Pontiac
🢒
2009
🢒
G5
🢒
Body Systems
🢒
Lighting
🢒 Interior Lights Dimming Schematics
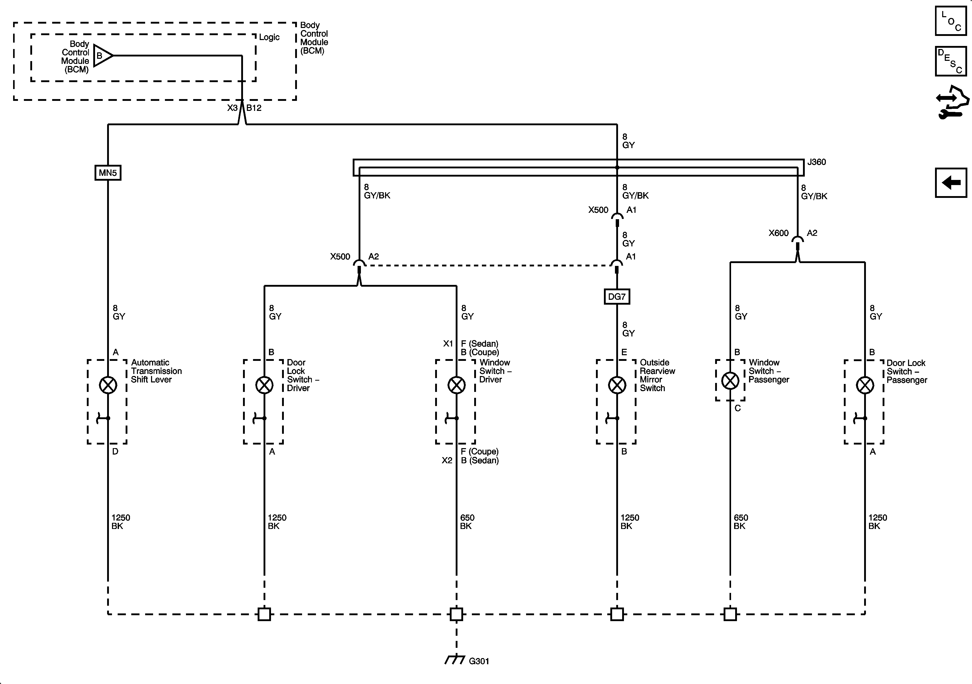
Figure
1:
Dimmer Switch Inputs
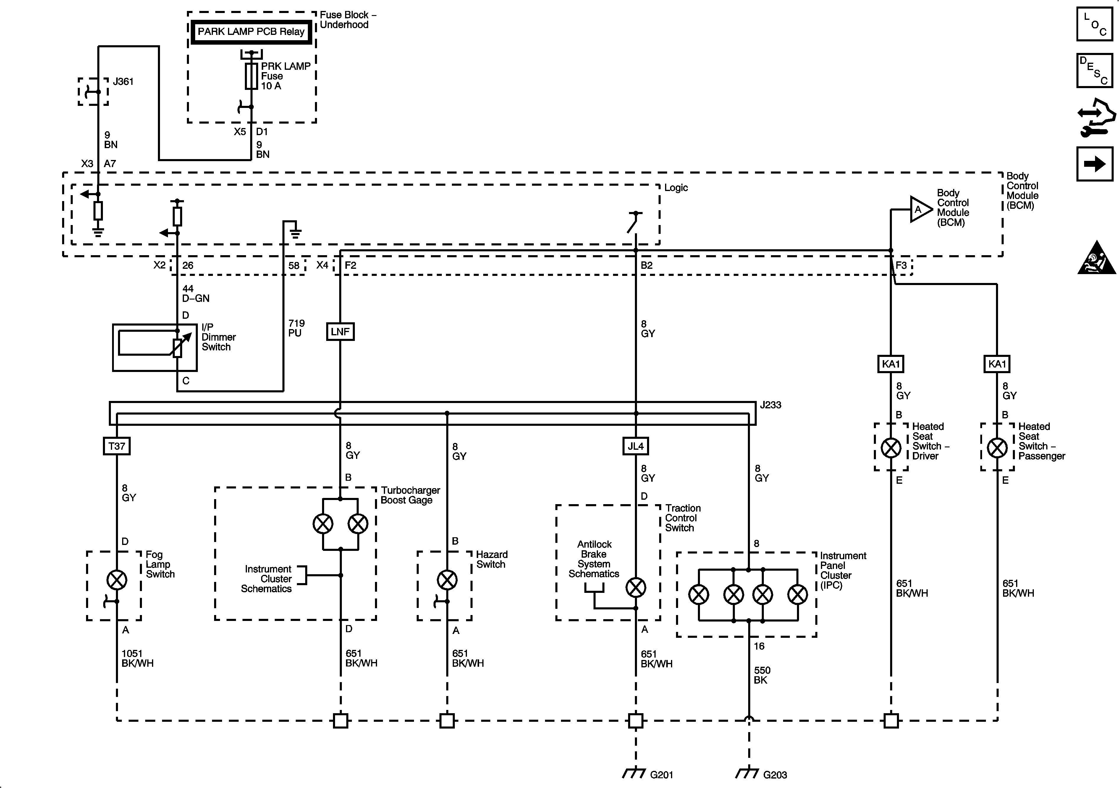
Figure
2:
I/P and Seat Lighting
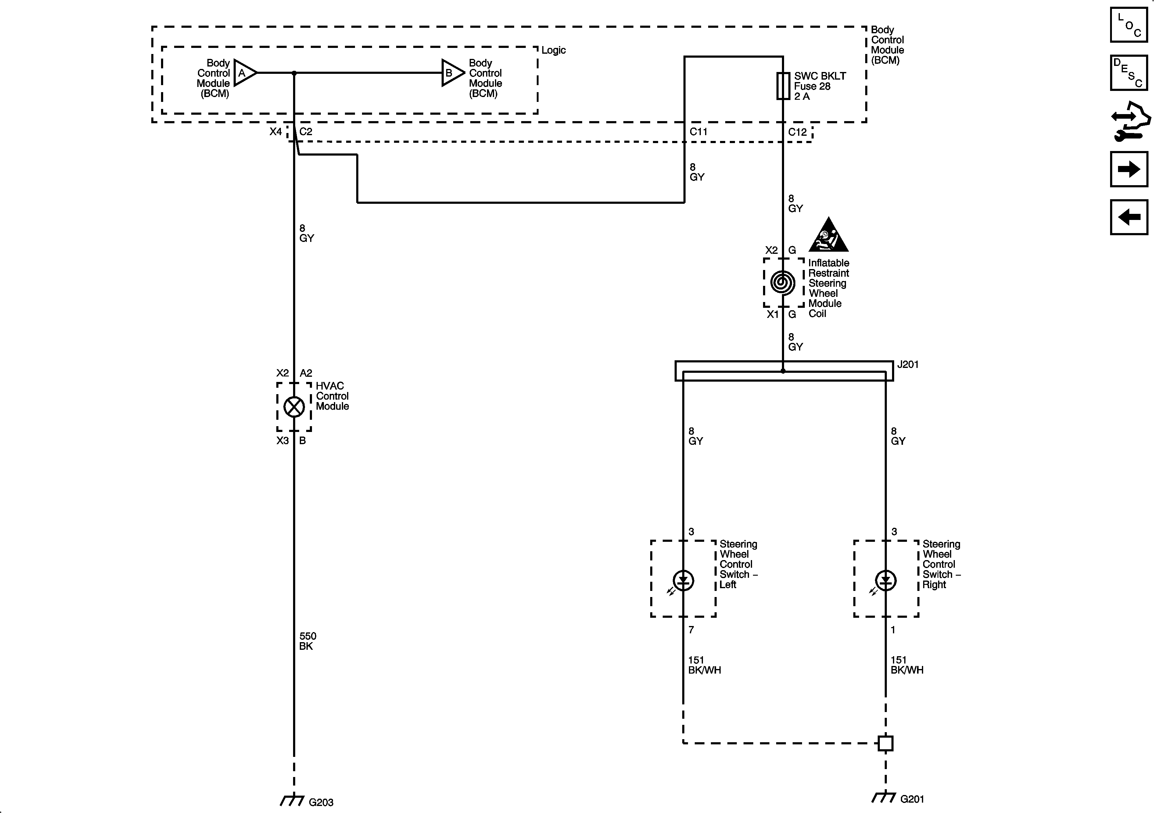
Figure
3:
Door and Seat Lighting