GM Service Manual Online
For 1990-2009 cars only
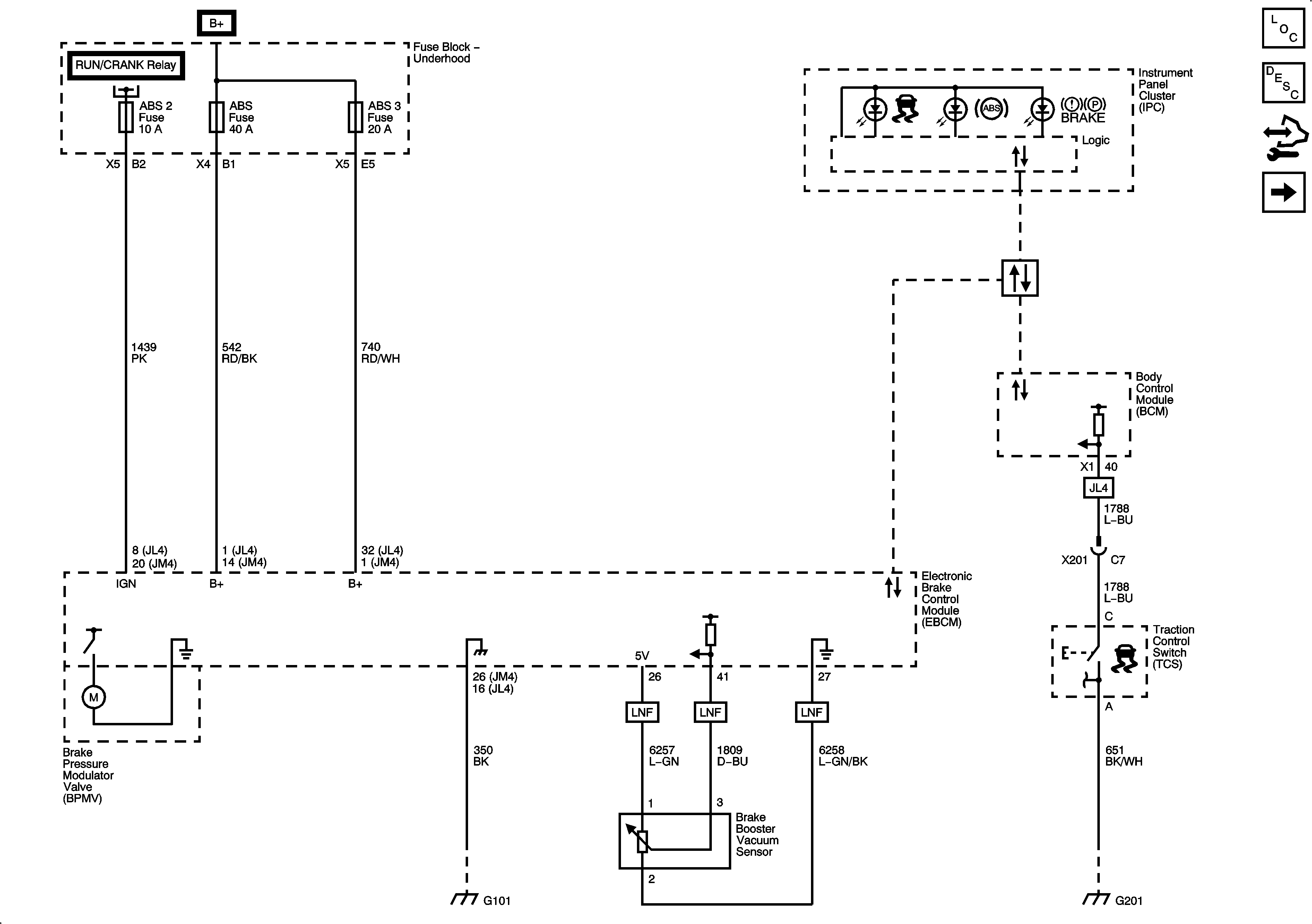
Figure 1:

Power, Ground, Wheel Speed Sensors


Object Number: 2077380  Size: FS
Figure 2:

Indicators


Object Number: 2077387  Size: FS
Figure 3:

Navigation Module


Object Number: 2147489  Size: FS