GM Service Manual Online
For 1990-2009 cars only
Figure 1:

Power, Ground, Blower Motor


Object Number: 2077690  Size: FS
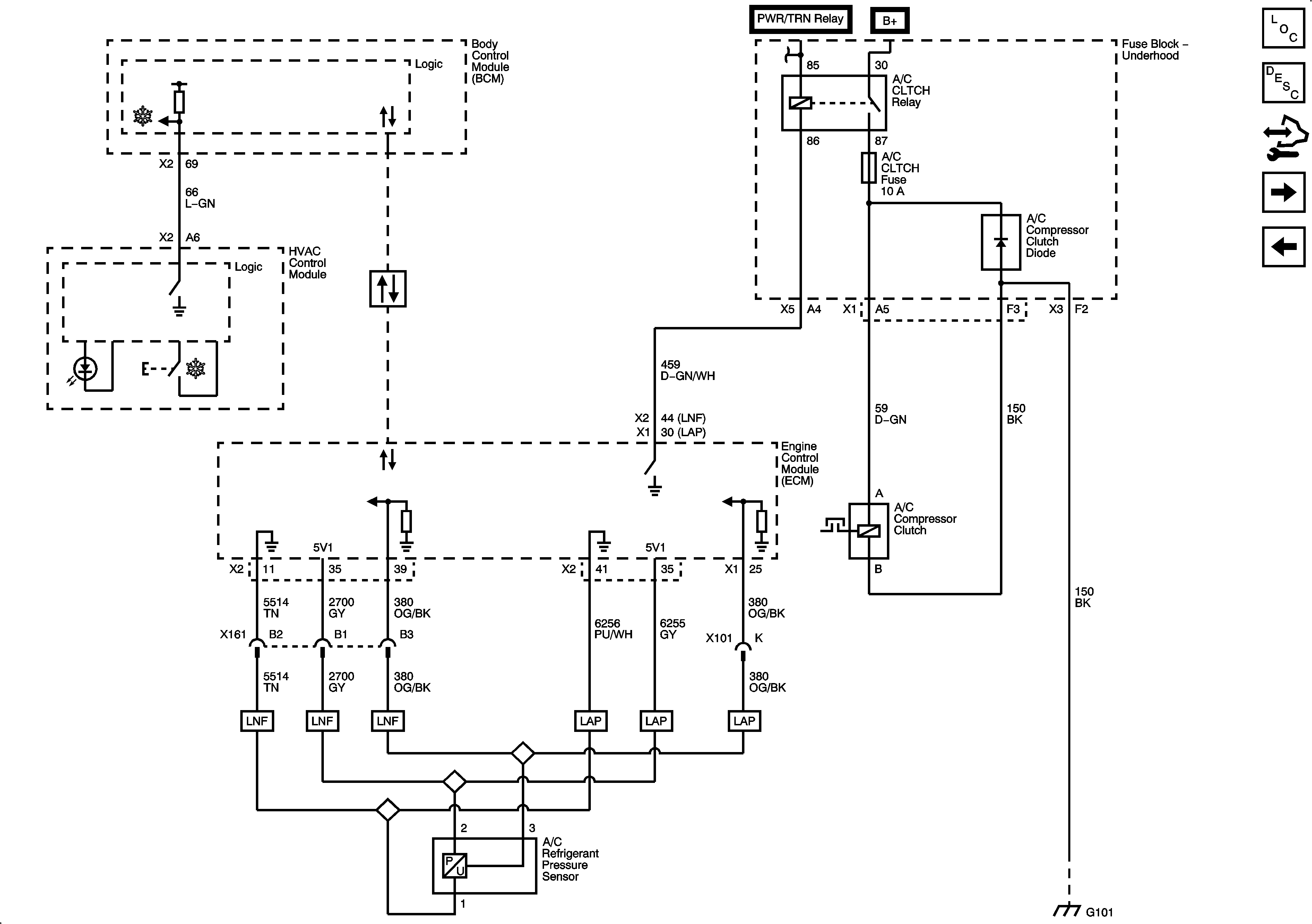
Figure 2:

Compressor Controls


Object Number: 2077693  Size: FS
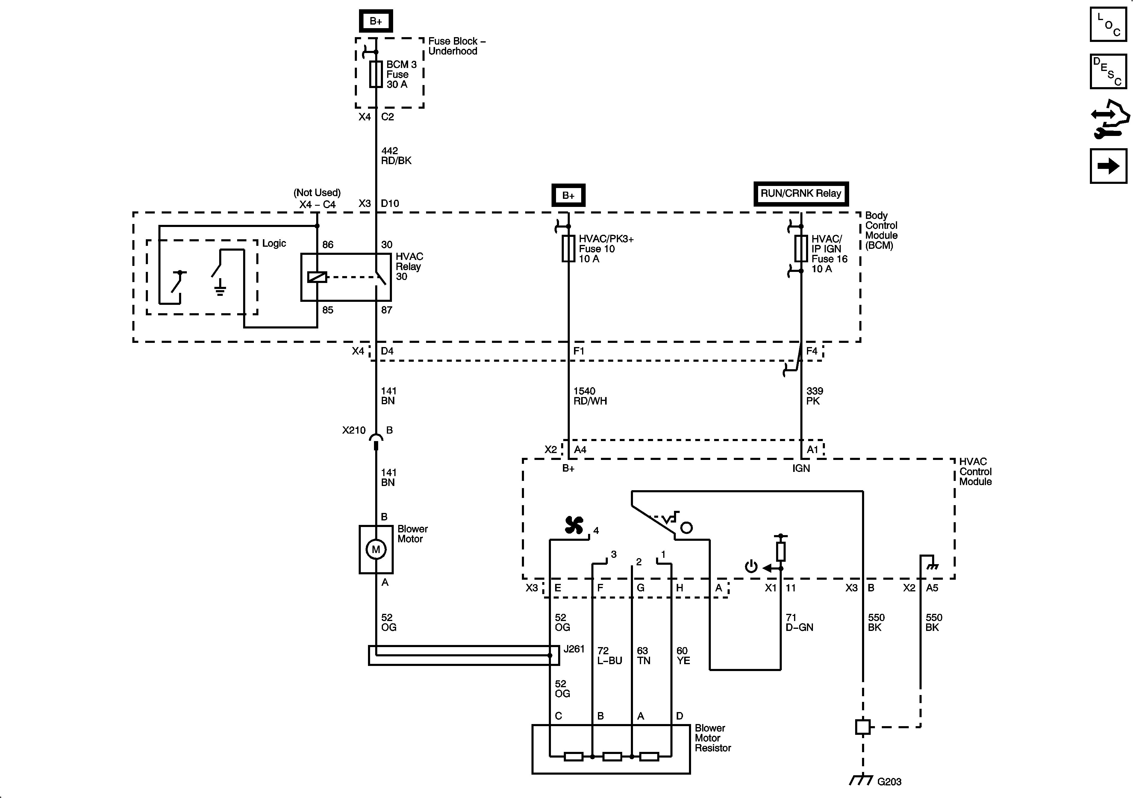
Figure 3:

Mode and Air Temperature Controls


Object Number: 2077369  Size: FS