GM Service Manual Online
For 1990-2009 cars only
Makes
🢒
Pontiac
🢒
2009
🢒
G5
🢒
Safety and Security
🢒
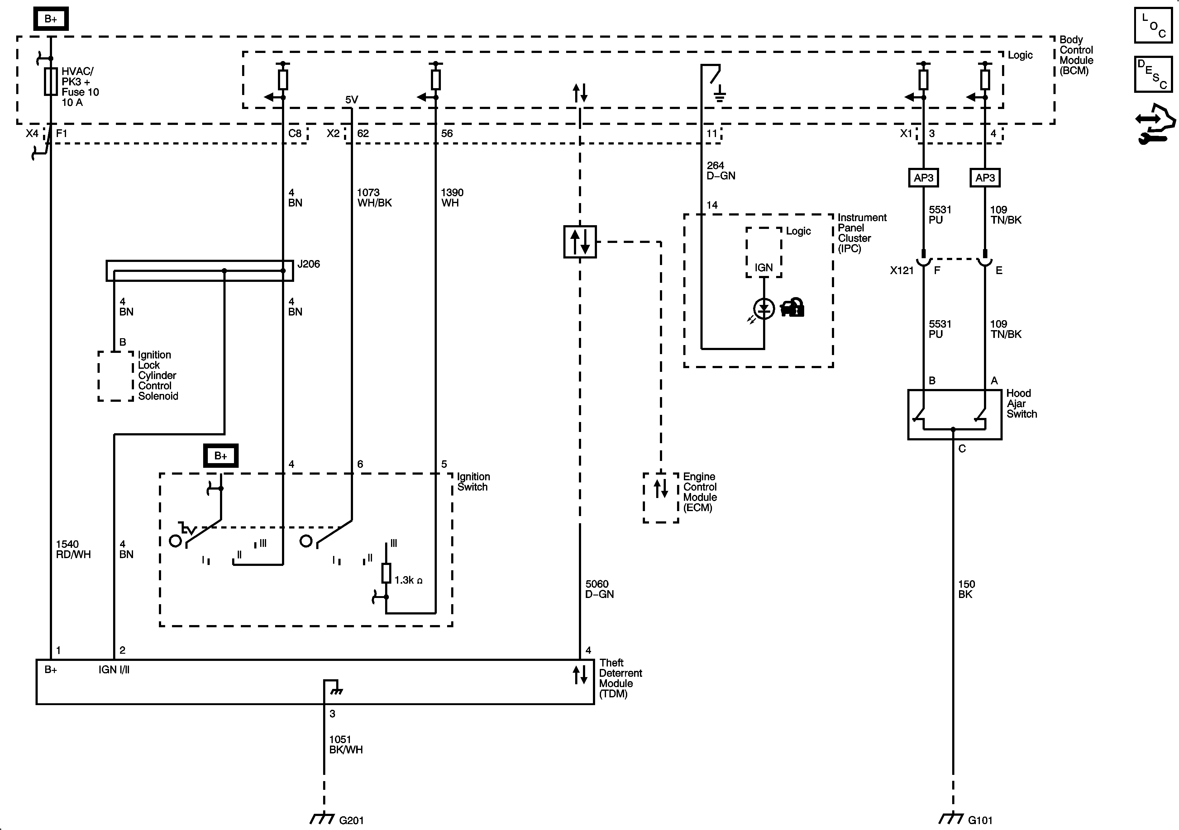
Immobilizer
🢒 Immobilizer Schematics