GM Service Manual Online
For 1990-2009 cars only
Figure 1:

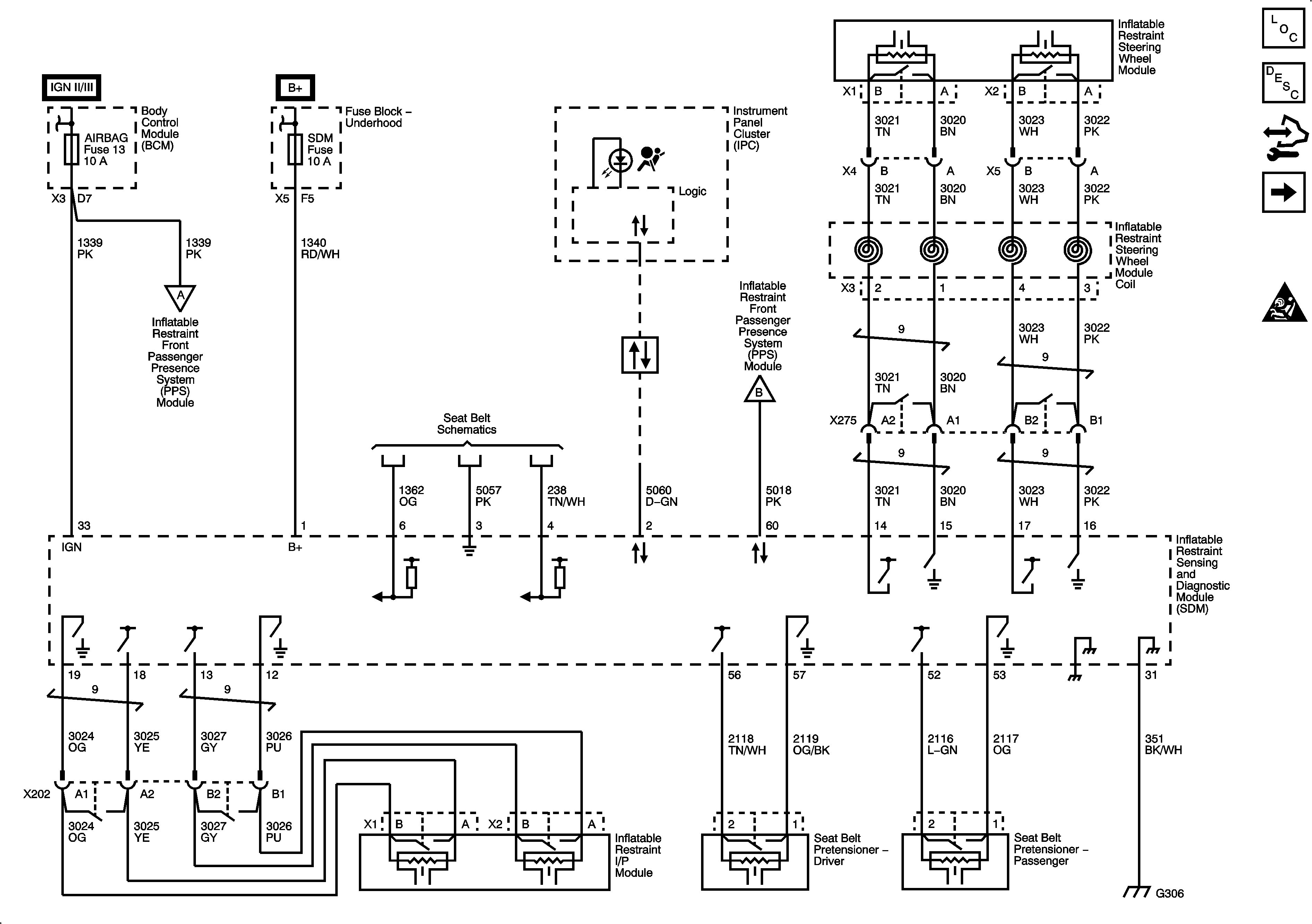
Power, Ground, Indicators, Pretensioners, Front Modules


Object Number: 2077562  Size: FS
Figure 2:

Front and Side Sensors


Object Number: 2077565  Size: FS
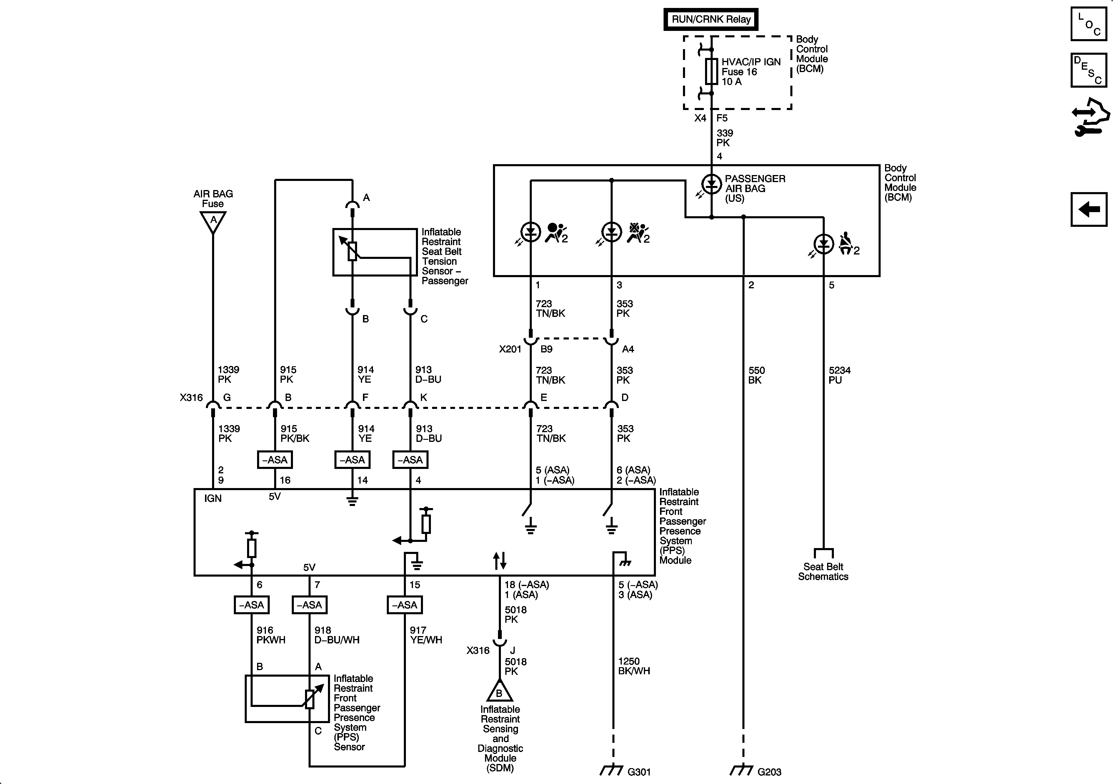
Figure 3:

Passenger Presence System


Object Number: 2077569  Size: FS