GM Service Manual Online
For 1990-2009 cars only

Removal Procedure


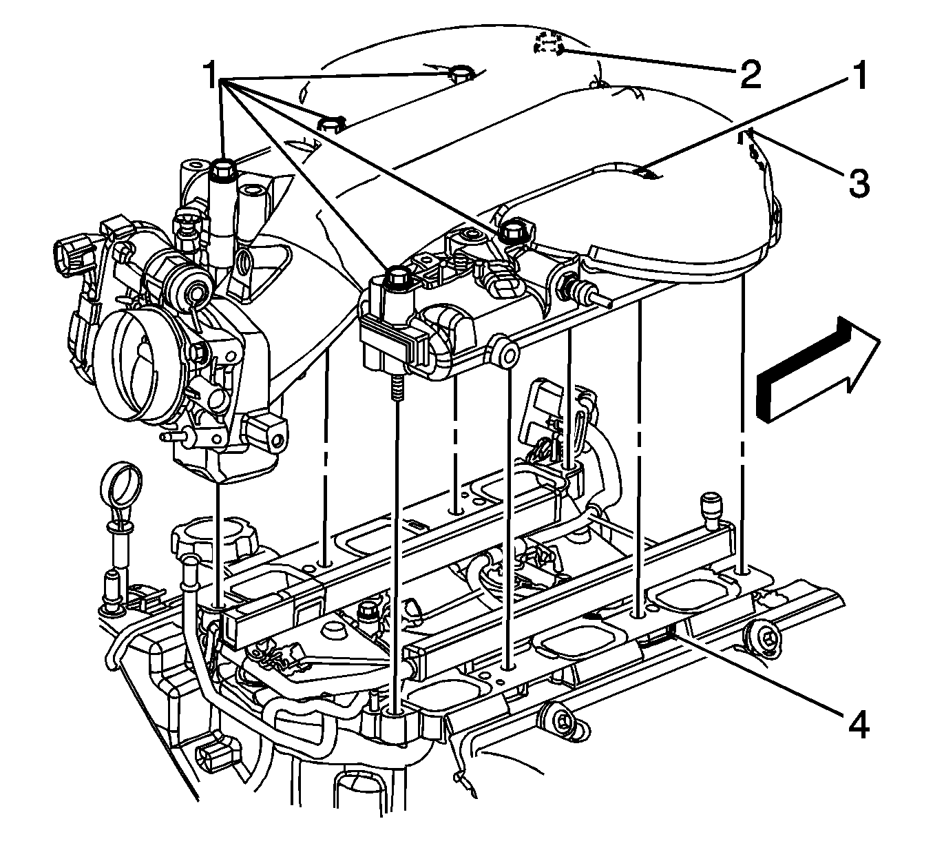
    Object Number: 1683887  Size: SH
  1. Remove the intake manifold cover. Refer to Intake Manifold Cover Replacement .
  2. Relieve the fuel system pressure. Refer to Fuel Pressure Relief .
  3. Disconnect the fuel feed pipe (3) quick connect fitting from the fuel rail. Refer to Metal Collar Quick Connect Fitting Service .
  4. Disconnect the evaporative (EVAP) emission pipe (1) from the purge solenoid. Refer to Plastic Collar Quick Connect Fitting Service .
  5. Open the retaining clip (2), and remove the fuel and EVAP pipes from the clip.

  6. Object Number: 1582009  Size: SH
  7. Drain the cooling system. Refer to Cooling System Draining and Filling .
  8. Remove the positive crankcase ventilation (PCV) fresh air tube. Refer to Plastic Collar Quick Connect Fitting Service .

  9. Object Number: 1582012  Size: SH
  10. Remove the PCV foul air tube. Refer to Plastic Collar Quick Connect Fitting Service .

  11. Object Number: 1582014  Size: SH
  12. Reposition the brake booster vacuum hose clamp at the intake manifold.
  13. Remove the vacuum hose (1) from the intake manifold.

  14. Object Number: 1582936  Size: SH
  15. Reposition the radiator surge tank inlet hose clamp.
  16. Remove the radiator surge tank inlet hose from the inlet pipe.

  17. Object Number: 1582937  Size: SH
  18. Remove the radiator surge tank inlet pipe bolts.
  19. Remove the radiator surge tank inlet pipe.

  20. Object Number: 1582011  Size: SH
  21. Disconnect the manifold absolute pressure (MAP) sensor electrical connector (1).

  22. Object Number: 1581869  Size: SH
  23. Disconnect the evaporative emission (EVAP) canister purge solenoid electrical connector (1).
  24. Disconnect the electronic throttle control (ETC) electrical connector (2).

  25. Object Number: 1582090  Size: SH
  26. Disconnect the inlet manifold valve electrical connector (1).

  27. Object Number: 1582091  Size: SH
  28. Remove the air cleaner outlet duct. Refer to Air Cleaner Outlet Duct Replacement .
  29. Disconnect the left side spark plug wires from the spark plugs.
  30. Disconnect the left side spark plug wires from the ignition coil.
  31. Disengage the spark plug wire retainer clips from the intake manifold bracket and the heater inlet/outlet pipe.
  32. Remove the left side spark plug wires.

  33. Object Number: 1582015  Size: SH
  34. Remove the heater inlet and outlet pipe nuts (1) from the throttle body studs.
  35. Remove the inlet and outlet pipe (2, 3) from the studs.

  36. Object Number: 1684628  Size: SH
  37. Remove the 2 ignition coil bolts (1).

  38. Object Number: 1584686  Size: SH
  39. Remove the generator upper bolt.
  40. Remove the generator ball stud.
  41. Remove the generator rear brace.

  42. Object Number: 1582016  Size: SH
  43. Remove the upper intake manifold bolts (1, 2) and stud (3).
  44. Separate and remove the upper intake manifold from the lower intake manifold.

  45. Object Number: 1582017  Size: SH
  46. Remove the upper to lower intake manifold gaskets.

  47. Object Number: 1557831  Size: SH
  48. Remove the inlet manifold tuning valve bolts and valve.

  49. Object Number: 1639213  Size: SH
  50. Remove the throttle body bolts/studs and throttle body.
  51. Remove the MAP sensor bracket and sensor (1).
  52. Remove the EVAP canister purge solenoid valve bolt (2) and valve (3).
  53. Clean the upper intake to lower intake gasket mating surfaces.

  54. Object Number: 1580024  Size: SH
  55. Inspect the intake manifold tuning valve seal for damage. The tuning valve blade attachment to the motor should be tight, with no looseness or slack present, Replace as necessary.
  56. Apply lubricant to the nose of the valve blade (1). Refer to Adhesives, Fluids, Lubricants, and Sealers for the correct part number.

Installation Procedure

    Notice: Refer to Fastener Notice in the Preface section.


    Object Number: 1639213  Size: SH
  1. Inspect the EVAP canister purge solenoid valve seal for damage, replace as necessary.
  2. Install the EVAP canister purge solenoid valve (3) and bolt (2).
  3. Tighten
    Tighten the bolt to 16 N·m (12 lb ft).

  4. Inspect the MAP sensor seal for damage, replace as necessary.
  5. Install the MAP sensor and bracket.
  6. Inspect the throttle body seal for damage, replace as necessary.
  7. Apply threadlock to the throttle body bolts/studs threads. Refer to Adhesives, Fluids, Lubricants, and Sealers for the correct part number.
  8. Install the throttle body and bolts/studs.
  9. Tighten
    Tighten the bolts/studs to 10 N·m (89 lb in).


    Object Number: 1557831  Size: SH
  10. Install the inlet manifold tuning valve, and bolts.
  11. Tighten
    Tighten the bolts to 10 N·m (89 lb in).


    Object Number: 1582017  Size: SH
  12. Install the NEW upper to lower intake manifold gaskets.

  13. Object Number: 1582016  Size: SH
  14. Set the upper intake manifold onto the lower intake manifold.
  15. Apply threadlock to the upper intake manifold bolts/stud threads. Refer to Adhesives, Fluids, Lubricants, and Sealers for the correct part number.
  16. Install the upper intake manifold bolts (1, 2) and stud (3).
  17. Tighten
    Tighten the bolts and stud to 25 N·m (18 lb ft).


    Object Number: 1584686  Size: SH
  18. Install the generator rear brace.
  19. Install the generator ball stud.
  20. Tighten
    Tighten the bolt to 20 N·m (15 lb ft).

  21. Install the generator upper bolt.
  22. Tighten
    Tighten the bolt to 50 N·m (37 lb ft).


    Object Number: 1684628  Size: SH
  23. Install the 2 ignition coil bolts (1).
  24. Tighten
    Tighten the bolts to 25 N·m (18 lb ft).


    Object Number: 1582015  Size: SH
  25. Install the inlet and outlet pipe (2, 3) to the studs.
  26. Install the heater inlet and outlet pipe nuts (1) to the throttle body studs.
  27. Tighten
    Tighten the nuts to 10 N·m (89 lb in).


    Object Number: 1582091  Size: SH
  28. Install the left side spark plug wires.
  29. Connect the left side spark plug wires to the spark plugs.
  30. Connect the left side spark plug wires to the ignition coil.
  31. Engage the spark plug wire retainer clips to the intake manifold bracket and the heater inlet/outlet pipe.
  32. Install the air cleaner outlet duct. Refer to Air Cleaner Outlet Duct Replacement .

  33. Object Number: 1582090  Size: SH
  34. Connect the inlet manifold valve electrical connector (1).

  35. Object Number: 1581869  Size: SH
  36. Connect the EVAP canister purge solenoid electrical connector (1).
  37. Connect the ETC electrical connector (2).

  38. Object Number: 1582011  Size: SH
  39. Connect the MAP sensor electrical connector (1).

  40. Object Number: 1582937  Size: SH
  41. Install the radiator surge tank inlet pipe.
  42. Install the radiator surge tank inlet pipe bolts.
  43. Tighten
    Tighten the bolts to 10 N·m (89 lb in).


    Object Number: 1582936  Size: SH
  44. Install the radiator surge tank inlet hose to the inlet pipe.
  45. Position the radiator surge tank inlet hose clamp.

  46. Object Number: 1582014  Size: SH
  47. Install the brake booster vacuum hose (1) to the intake manifold.
  48. Position the vacuum hose clamp at the intake manifold.

  49. Object Number: 1582012  Size: SH
  50. Install the PCV foul air tube. Refer to Plastic Collar Quick Connect Fitting Service .

  51. Object Number: 1582009  Size: SH
  52. Install the PCV fresh air tube. Refer to Plastic Collar Quick Connect Fitting Service .

  53. Object Number: 1683887  Size: SH
  54. Install the fuel and EVAP pipes to the retainer clip (2) and close the clip.
  55. Connect the fuel feed pipe (3) quick connect fitting to the fuel rail. Refer to Metal Collar Quick Connect Fitting Service .
  56. Connect the EVAP emission pipe (1) to the purge solenoid. Refer to Plastic Collar Quick Connect Fitting Service .
  57. Fill the cooling system. Refer to Cooling System Draining and Filling .
  58. Install the intake manifold cover. Refer to Intake Manifold Cover Replacement .
  59. Connect the negative battery cable. Refer to Battery Negative Cable Disconnection and Connection .