GM Service Manual Online
For 1990-2009 cars only

Removal Procedure


    Object Number: 1492073  Size: SH
  1. Remove the positive crankcase ventilation (PCV) fresh air tube from the air cleaner intake duct.

  2. Object Number: 1459596  Size: SH
  3. Loosen the air cleaner intake duct clamps at the mass airflow (MAF) sensor and throttle body.
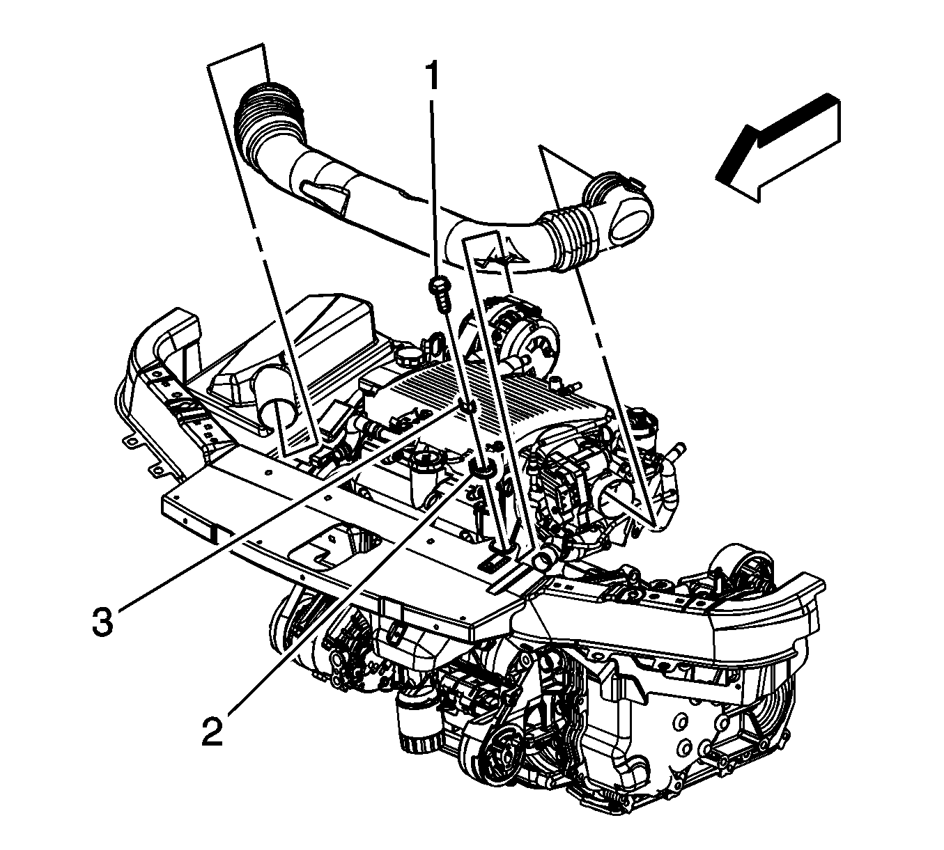
  4. Remove the air intake duct bolt (1).
  5. Remove the air cleaner intake duct.

Installation Procedure

    Notice: Refer to Fastener Notice in the Preface section.


    Object Number: 1459596  Size: SH
  1. Install the air cleaner intake duct.
  2. Install the air intake duct bolt (1).
  3. Tighten
    Tighten the bolt to 10 N·m (89 lb in).

  4. Tighten the air cleaner intake duct clamps at the MAF sensor and throttle body.
  5. Tighten
    Tighten the clamps to 2 N·m (18 lb in).


    Object Number: 1492073  Size: SH
  6. Install the PCV fresh air tube to the air cleaner intake duct.