GM Service Manual Online
For 1990-2009 cars only

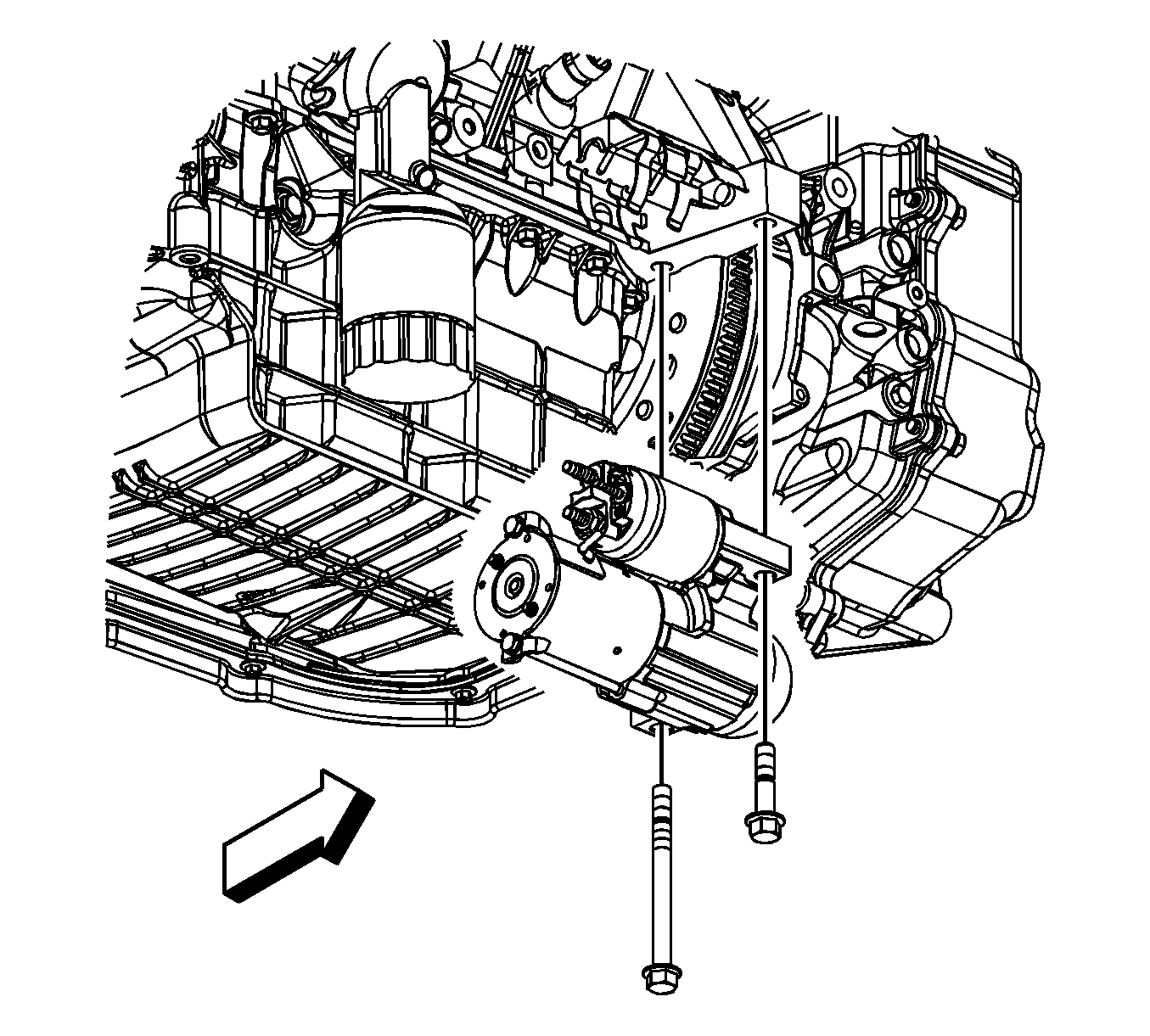
Starter Replacement LX9

Removal Procedure


    Object Number: 368799  Size: SH
  1. Disconnect the negative battery cable. Refer to Battery Negative Cable Disconnection and Connection .
  2. Raise the vehicle. Refer to Lifting and Jacking the Vehicle .
  3. Remove the flywheel inspection cover bolts.
  4. Remove the flywheel inspection cover.
  5. Remove the electrical connections from the starter motor.

  6. Object Number: 211449  Size: SH
  7. Remove the starter motor mounting bolts.
  8. Remove the starter motor.

Installation Procedure

    Notice: Before installing the starter motor to the engine, tighten the nut next to the cap on the solenoid BAT terminal. If this terminal is not tight in the solenoid cap, the cap may be damaged during installation of electrical connections and cause the starter motor to fail later.


    Object Number: 211449  Size: SH
  1. Install the starter motor to the engine.
  2. Notice: Use the correct fastener in the correct location. Replacement fasteners must be the correct part number for that application. Fasteners requiring replacement or fasteners requiring the use of thread locking compound or sealant are identified in the service procedure. Do not use paints, lubricants, or corrosion inhibitors on fasteners or fastener joint surfaces unless specified. These coatings affect fastener torque and joint clamping force and may damage the fastener. Use the correct tightening sequence and specifications when installing fasteners in order to avoid damage to parts and systems.

  3. Install the starter motor mounting bolts.
  4. Tighten
    Tighten the bolts to 40 N·m (30 lb ft).


    Object Number: 368799  Size: SH
  5. Install the electrical connection to the battery terminal on the solenoid.
  6. Tighten
    Tighten the battery terminal nut to 17 N·m (13 lb ft).

  7. Install the electrical connections to the S terminal on the solenoid.
  8. Tighten
    Tighten solenoid S terminal nut to 3 N·m (27 lb in).

  9. Install the flywheel inspection cover.
  10. Install the flywheel inspection cover bolts.
  11. Tighten
    Tighten the flywheel inspection cover bolts to 10 N·m (89 lb in).

  12. Lower vehicle.
  13. Connect the negative battery cable. Refer to Battery Negative Cable Disconnection and Connection .

Starter Replacement LE5

Removal Procedure


    Object Number: 1578424  Size: SH
  1. Disconnect the negative battery cable. Refer to Battery Negative Cable Disconnection and Connection.
  2. Raise and support the vehicle. Refer to Lifting and Jacking the Vehicle.
  3. Remove the "S" terminal connector from the starter solenoid.
  4. Remove the engine harness lead (2) from the starter.

  5. Object Number: 1578421  Size: SH
  6. Remove the positive battery cable nut (2) from the starter solenoid.
  7. Remove the positive battery cable (3) and engine harness terminal (4) from the starter solenoid.

  8. Object Number: 1578423  Size: SH
  9. Remove the starter motor bolts.
  10. Remove the starter motor.

Installation Procedure


    Object Number: 1578423  Size: SH
  1. Install the starter motor.
  2. Notice: Refer to Fastener Notice in the Preface section.

  3. Install the starter motor bolts.
  4. Tighten
    Tighten the bolts to 40 N·m (30 lb ft).


    Object Number: 1578421  Size: SH
  5. Install the engine harness terminal (4) and positive battery cable (3) to the starter solenoid.
  6. Install the positive battery cable nut (2) to the starter solenoid.
  7. Tighten
    Tighten the nut to 10 N·m (89 lb in).


    Object Number: 1578424  Size: SH
  8. Install the engine harness lead (2) to the starter.
  9. Install the "S" terminal connector to the starter solenoid.
  10. Lower the vehicle.
  11. Connect the negative battery cable. Refer to Battery Negative Cable Disconnection and Connection.

Starter Replacement LZ9

Removal Procedure


    Object Number: 1584669  Size: SH
  1. Disconnect the negative battery cable. Refer to Battery Negative Cable Disconnection and Connection .
  2. Raise and support the vehicle. Refer to Lifting and Jacking the Vehicle .
  3. Remove the flywheel inspection cover bolts and cover.
  4. Disconnect the engine harness electrical connector from the starter.

  5. Object Number: 1584682  Size: SH
  6. Remove the engine harness terminal nut (3).
  7. Remove the positive battery cable terminal (1) from the starter.
  8. Remove the engine harness terminal (2) from the starter.

  9. Object Number: 1584683  Size: SH
  10. Remove the starter motor bolts.
  11. Remove the starter motor.

Installation Procedure

    Notice: Refer to Fastener Notice in the Preface section.

    Notice: Before installing the starter motor to the engine, tighten the nut next to the cap on the solenoid BAT terminal. If this terminal is not tight in the solenoid cap, the cap may be damaged during installation of electrical connections and cause the starter motor to fail later.


    Object Number: 1584683  Size: SH
  1. Install the starter motor.
  2. Install the starter motor bolts.
  3. Tighten
    Tighten the bolts to 40 N·m (30 lb ft).


    Object Number: 1584682  Size: SH
  4. Install the engine harness terminal (2) to the starter.
  5. Install the positive battery cable terminal (1) to the starter.
  6. Install the engine harness terminal nut (3).
  7. Tighten
    Tighten the battery terminal nut to 17 N·m (13 lb ft).


    Object Number: 1584669  Size: SH
  8. Connect the engine harness electrical connector to the starter.
  9. Install the flywheel inspection cover and bolts.
  10. Tighten
    Tighten the bolts to 10 N·m (89 lb in).

  11. Lower vehicle.
  12. Connect the negative battery cable. Refer to Battery Negative Cable Disconnection and Connection .