GM Service Manual Online
For 1990-2009 cars only

Frame Replacement Coupe 3.5L, 3.9L

Special Tools

J 39580 Engine Support Stand

Removal Procedure

  1. Install the engine support fixture. Refer to Engine Support Fixture for the 3.5L engine or Engine Support Fixture for the 3.9L engine.
  2. Raise the vehicle on a hoist. Refer to Lifting and Jacking the Vehicle .
  3. Remove the tire and wheel assemblies. Refer to Tire and Wheel Removal and Installation .
  4. Remove the radiator air lower baffle. Refer to Radiator Air Lower Baffle and Deflector Replacement .
  5. Disconnect the antilock brake system (ABS) sensor from the wheel speed sensor and frame.

  6. Object Number: 1237957  Size: SH
  7. Remove the lower ball joints from the steering knuckles. Refer to Lower Control Arm Replacement .
  8. Remove the tie rod ends from the steering knuckles. Refer to Steering Linkage Outer Tie Rod Replacement .
  9. Remove both stabilizer links from the stabilizer bar.
  10. Remove the power steering gear mounting bolts and secure the gear out of the way using mechanics wire or equivalent, being sure not to overextend the intermediate shaft. Refer to Steering Gear Replacement .
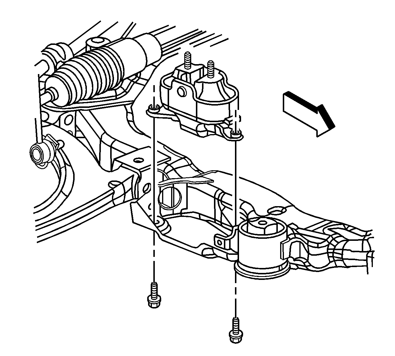
  11. Remove the engine mount nuts from the frame. Refer to Engine Mount Replacement for the 3.5L engine or Engine Mount Replacement for the 3.9L engine.
  12. Remove the front transmission mount bolt from the frame. Refer to Transmission Front Mount Replacement for the F40 transmission, Transmission Front Mount Replacement for the 4T45-E transmission, or Transmission Front Mount Replacement for the 4T65-E transmission.
  13. Remove the left transmission mount nuts from the frame. Refer to Transmission Mount Replacement - Left Side for the F40 transmission, Transmission Mount Replacement - Left Side for the 4T45-E transmission, or Transmission Mount Replacement - Left Side for the 4T65-E transmission.
  14. Remove the rear transmission mount bracket nuts from the frame. Refer to Transmission Rear Mount Bracket Replacement for the F40 transmission, Transmission Rear Mount Replacement for the 4T45-E transmission, or Transmission Rear Mount Bracket Replacement for the 4T65-E transmission.
  15. Remove the brake lines from the retainers on the frame.

  16. Object Number: 333118  Size: SH
  17. Lower the vehicle until the frame contacts the J 39580 .

  18. Object Number: 1580124  Size: SH
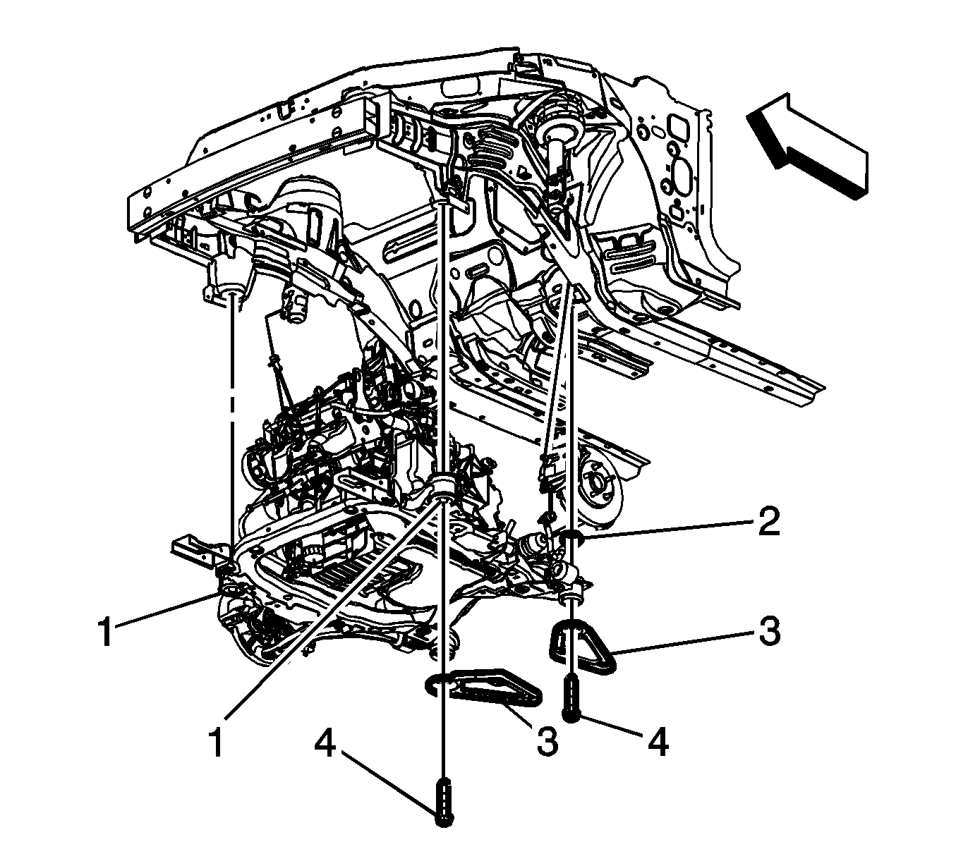
  19. Remove the reinforcement bolts (1).

  20. Object Number: 1580120  Size: SH
  21. Remove the front frame bolts (1).
  22. Remove the rear frame bolts (4).
  23. Remove the frame reinforcements (3).
  24. Raise the vehicle off of the frame.
  25. Remove the following components if replacing the frame:
  26. • The lower control arms--Refer to Lower Control Arm Replacement .
    • 
    • The stabilizer shaft--Refer to Stabilizer Shaft Replacement .
    • 

Installation Procedure

  1. Install the following components on the suspension crossmember if removed:
  2. • The stabilizer shaft--Refer to Stabilizer Shaft Replacement .
    • The lower control arms--Refer to Lower Control Arm Replacement .

    Object Number: 1580120  Size: SH
  3. Lower the vehicle on to the frame.
  4. Install the frame reinforcements (3).
  5. Notice: Refer to Fastener Notice in the Preface section.

  6. Install the rear frame bolts (4).
  7. Tighten
    Tighten the bolts to 100 N·m (74 lb ft) plus 180 degrees rotation.

  8. Install the front frame bolts (1).
  9. Tighten
    Tighten the bolts to 100 N·m (74 lb ft) plus 180 degrees rotation.


    Object Number: 1580124  Size: SH
  10. Install the reinforcement bolts (1).
  11. Tighten
    Tighten the bolts to 50 N·m (37 lb ft).

  12. Raise the vehicle.
  13. Install the brake lines to the retainers on the frame.
  14. Install the rear transmission mount bracket nuts. Refer to Transmission Rear Mount Bracket Replacement for the F40 transmission, Transmission Rear Mount Replacement for the 4T45-E transmission, or Transmission Rear Mount Bracket Replacement for the 4T65-E transmission.
  15. Install the left transmission mount nuts to the frame. Refer to Transmission Mount Replacement - Left Side for the F40 transmission, Transmission Mount Replacement - Left Side for the 4T45-E transmission, or Transmission Mount Replacement - Left Side for the 4T65-E transmission.
  16. Install the front transmission mount bracket bolt. Refer to Transmission Front Mount Replacement for the F40 transmission, Transmission Front Mount Replacement for the 4T45-E transmission, or Transmission Front Mount Replacement for the 4T65-E transmission.

  17. Object Number: 1229784  Size: SH
  18. Install the engine mount nuts to the frame. Refer to Engine Mount Replacement for the 3.5L engine or Engine Mount Replacement for the 3.9L engine.
  19. Install the power steering gear mounting bolts. Refer to Steering Gear Replacement .

  20. Object Number: 1229970  Size: SH
  21. Install both stabilizer links to the stabilizer bar.
  22. Tighten
    Tighten the stabilizer link nut to 65 N·m (48 lb ft) plus 180 degrees rotation.

  23. Install the tie rod ends to the steering knuckles. Refer to Steering Linkage Outer Tie Rod Replacement .

  24. Object Number: 1237957  Size: SH
  25. Install the lower ball joints to the steering knuckles.
  26. Tighten
    Tighten the ball stud to steering knuckle pinch nut to 50 N·m (37 lb ft). Reverse the nut ¾ of a turn. Tighten to 50 N·m (37 lb ft) plus 60 degrees.

  27. Connect the ABS sensor to the wheel speed sensor and frame.
  28. Install the radiator air lower baffle. Refer to Radiator Air Lower Baffle and Deflector Replacement .
  29. Install the tire and wheel assemblies. Refer to Tire and Wheel Removal and Installation .
  30. Remove the engine support fixture.
  31. Bleed the power steering system. Refer to Power Steering System Bleeding .

Frame Replacement Coupe 2.4L

Special Tools

J 39580 Engine Support Stand

Removal Procedure

  1. Install the engine support fixture. Refer to Engine Support Fixture .
  2. Raise the vehicle on a hoist. Refer to Lifting and Jacking the Vehicle .
  3. Remove the tire and wheel assemblies. Refer to Tire and Wheel Removal and Installation .
  4. Remove the radiator air lower baffle. Refer to Radiator Air Lower Baffle and Deflector Replacement .
  5. Disconnect the antilock brake system (ABS) sensor from the wheel speed sensor and frame.

  6. Object Number: 1237957  Size: SH
  7. Remove the lower ball joints from the steering knuckles.
  8. Remove the tie rod ends from the steering knuckles. Refer to Steering Linkage Outer Tie Rod Replacement .

  9. Object Number: 1229970  Size: SH
  10. Remove both stabilizer links from the stabilizer bar. Refer to Stabilizer Shaft Link Replacement .
  11. Remove the power steering gear mounting bolts and secure the gear out of the way using mechanics wire or equivalent, being sure not to overextend the intermediate shaft. Refer to Steering Gear Replacement .
  12. Remove the front transmission mount bolt from the frame. Refer to Transmission Front Mount Replacement .
  13. Remove the left transmission mount nuts from the frame. Refer to Transmission Mount Replacement - Left Side .
  14. Remove the rear transmission mount bracket nuts from the frame. Refer to Transmission Rear Mount Replacement .
  15. Remove the brake lines from the retainers on the frame.

  16. Object Number: 333118  Size: SH
  17. Lower the vehicle until the frame contacts the J 39580 .

  18. Object Number: 1580124  Size: SH
  19. Remove the reinforcement bolts (1).

  20. Object Number: 1580120  Size: SH
  21. Remove the front frame bolts (1).
  22. Remove the rear frame bolts (4).
  23. Remove the frame reinforcements (3).
  24. Raise the vehicle off of the frame.
  25. Remove the following components if replacing the frame:
  26. • The lower control arms--Refer to Lower Control Arm Replacement .
    • The stabilizer shaft--Refer to Stabilizer Shaft Replacement .

Installation Procedure

  1. Install the following components on the suspension crossmember if removed:
  2. • The stabilizer shaft--Refer to Stabilizer Shaft Replacement .
    • 
    • The lower control arms--Refer to Lower Control Arm Replacement .

    Object Number: 1580120  Size: SH
  3. Lower the vehicle on to the frame.
  4. Install the frame reinforcements (3).
  5. Notice: Refer to Fastener Notice in the Preface section.

  6. Install the rear frame bolts (4).
  7. Tighten
    Tighten the bolts to 100 N·m (74 lb ft) plus 180 degrees rotation.

  8. Install the front frame bolts (1).
  9. Tighten
    Tighten the bolts to 100 N·m (74 lb ft) plus 180 degrees rotation.


    Object Number: 1580124  Size: SH
  10. Install the reinforcement bolts (1).
  11. Tighten
    Tighten the bolts to 50 N·m (37 lb ft).

  12. Raise the vehicle.
  13. Install the brake lines to the retainers on the frame.
  14. Install the rear transmission mount bracket nuts. Refer to Transmission Rear Mount Replacement .
  15. Install the left transmission mount nuts to the frame. Refer to Transmission Mount Replacement - Left Side .

  16. Object Number: 1229805  Size: SH
  17. Install the front transmission mount bracket bolt. Refer to Transmission Front Mount Replacement .
  18. Install the power steering gear mounting bolts. Refer to Steering Gear Replacement .

  19. Object Number: 1229970  Size: SH
  20. Install both stabilizer links to the stabilizer bar.
  21. Tighten
    Tighten the stabilizer link nut to 65 N·m (48 lb ft).

  22. Install the tie rod ends to the steering knuckles. Refer to Steering Linkage Outer Tie Rod Replacement .

  23. Object Number: 1237957  Size: SH
  24. Install the lower ball joints to the steering knuckles.
  25. Tighten
    Tighten the ball stud to steering knuckle pinch nut to 50 N·m (37 lb ft). Reverse the nut ¾ of a turn. Tighten to 50 N·m (37 lb ft) plus 60 degrees.

  26. Connect the ABS sensor to the wheel speed sensor and frame.
  27. Install the radiator air lower baffle. Refer to Radiator Air Lower Baffle and Deflector Replacement .
  28. Install the tire and wheel assemblies. Refer to Tire and Wheel Removal and Installation .
  29. Remove the engine support fixture. Refer to Engine Support Fixture .
  30. Bleed the power steering system. Refer to Power Steering System Bleeding .

Frame Replacement Convertible

Special Tools

J 39580 Engine Support Stand

Removal Procedure

  1. Support the radiator and condenser from above.
  2. Raise the vehicle on a hoist. Refer to Lifting and Jacking the Vehicle.
  3. Remove the tire and wheel assemblies. Refer to Tire and Wheel Removal and Installation.
  4. Remove the radiator air lower baffle. Refer to Radiator Air Lower Baffle and Deflector Replacement.
  5. Disconnect the antilock brake system (ABS) sensor from the wheel speed sensor and frame.

  6. Object Number: 1237957  Size: SH
  7. Remove the lower ball joints from the steering knuckles.
  8. Remove the tie rod ends from the steering knuckles. Refer to Steering Linkage Outer Tie Rod Replacement.

  9. Object Number: 1229970  Size: SH
  10. Remove both stabilizer links from the stabilizer bar.
  11. Remove the power steering gear mounting bolts and secure the gear out of the way using mechanics wire or equivalent, being sure not to overextend the intermediate shaft. Refer to Steering Gear Replacement.
  12. Remove the engine mount nuts from the frame. Refer to Engine Mount Replacement for the 3.5L engine or Engine Mount Replacement for the 3.9L engine.
  13. Remove the front transmission mount bolt from the frame. Refer to Transmission Front Mount Replacement for the F40 transmission, Transmission Front Mount Replacementfor the 4T45-E transmission, or Transmission Front Mount Replacement for the 4T65-E transmission.
  14. Remove the left transmission mount nuts from the frame. Refer to Transmission Mount Replacement - Left Side for the F40 transmission.
  15. Remove the rear transmission mount bracket nuts from the frame. Refer to Transmission Rear Mount Bracket Replacement for the F40 transmission, Transmission Rear Mount Replacement for the 4T45-E transmission, or Transmission Rear Mount Bracket Replacement for the 4T65-E transmission.
  16. Remove the brake lines from the retainers on the frame.
  17. Remove the catalytic converter. Refer to Catalytic Converter Replacement - Left Side or Catalytic Converter Replacement - Right Side.
  18. Remove the power steering gear mounting bolts and secure the gear out of the way using mechanics wire or equivalent. Refer to Steering Gear Replacement.
  19. Ensure NOT to over extend the intermediate shaft.


    Object Number: 333118  Size: SH
  20. Lower the vehicle until the frame contacts the J 39580 .

  21. Object Number: 1580131  Size: SH
  22. Remove the frame reinforcement bolts (2) and frame brace bolts (1).

  23. Object Number: 1580127  Size: SH
  24. Remove the front frame bolts (1).
  25. Remove the rear frame bolts (5).
  26. Remove the frame reinforcements (2).
  27. Raise the vehicle off of the frame.
  28. Remove the following components if replacing the frame:
  29. • The lower control arms--Refer to Lower Control Arm Replacement.
    • The stabilizer shaft--Refer to Stabilizer Shaft Replacement.

Installation Procedure

  1. Install the following components on the suspension crossmember if removed:
  2. • The stabilizer shaft--Refer to Stabilizer Shaft Replacement.
    • The lower control arms--Refer to Lower Control Arm Replacement.

    Object Number: 1580127  Size: SH
  3. Lower the vehicle on to the frame.
  4. Install the power steering mounting bolts. Refer to Steering Gear Replacement.
  5. Install the frame reinforcements (2).
  6. Notice: Refer to Fastener Notice in the Preface section.

  7. Install the rear frame bolts (5).
  8. Tighten
    Tighten the bolts to 100 N·m (74 lb ft) plus 180 degrees rotation.

  9. Install the front frame bolts (1).
  10. Tighten
    Tighten the bolts to 100 N·m (74 lb ft) plus 180 degrees rotation.


    Object Number: 1580131  Size: SH
  11. Install the frame reinforcement bolts (2) and frame brace bolts (1).
  12. Tighten
    Tighten the bolts to 50 N·m (37 lb ft).

  13. Raise the vehicle.
  14. Install the brake lines to the retainers on the frame.
  15. Install the rear transmission mount bracket nuts. Refer to Transmission Rear Mount Bracket Replacement for the F40 transmission, Transmission Rear Mount Replacementfor the 4T45-E transmission, or Transmission Rear Mount Bracket Replacement for the 4T65-E transmission.
  16. Install the left transmission mount nuts to the frame. Refer to Transmission Mount Replacement - Left Side for the F40 transmission.
  17. Install the front transmission mount bracket bolt. Refer to Transmission Front Mount Replacement for the F40 transmission, Transmission Front Mount Replacement for the 4T45-E transmission, or Transmission Front Mount Replacement for the 4T65-E transmission.
  18. Install the engine mount nuts to the frame. Refer to Engine Mount Replacement for the 3.5L engine or Engine Mount Replacement for the 3.9L engine.
  19. Install the power steering gear mounting bolts. Refer to Steering Gear Replacement.

  20. Object Number: 1229970  Size: SH
  21. Install both stabilizer links to the stabilizer bar.
  22. Tighten
    Tighten the stabilizer link nut to 65 N·m (48 lb ft) plus 180 degrees rotation.

  23. Install the tie rod ends to the steering knuckles. Refer to Steering Linkage Outer Tie Rod Replacement.

  24. Object Number: 1237957  Size: SH
  25. Install the lower ball joints to the steering knuckles.
  26. Tighten
    Tighten the ball stud to steering knuckle pinch nut to 50 N·m (37 lb ft). Reverse the nut ¾ of a turn. Tighten to 50 N·m (37 lb ft) plus 60 degrees.

  27. Install the rear catalytic converter. Refer to Catalytic Converter Replacement - Left Side or Catalytic Converter Replacement - Right Side.
  28. Connect the ABS sensor to the wheel speed sensor and frame.
  29. Install the radiator air lower baffle. Refer to Radiator Air Lower Baffle and Deflector Replacement.
  30. Install the tire and wheel assemblies. Refer to Tire and Wheel Removal and Installation.
  31. Remove the engine support fixture.
  32. Bleed the power steering system. Refer to Power Steering System Bleeding.