GM Service Manual Online
For 1990-2009 cars only
Makes
🢒
Pontiac
🢒
2006
🢒
G6
🢒
Vehicle Control Systems
🢒
Vehicle DTC Information
🢒 Door Lock/Indicator Schematics
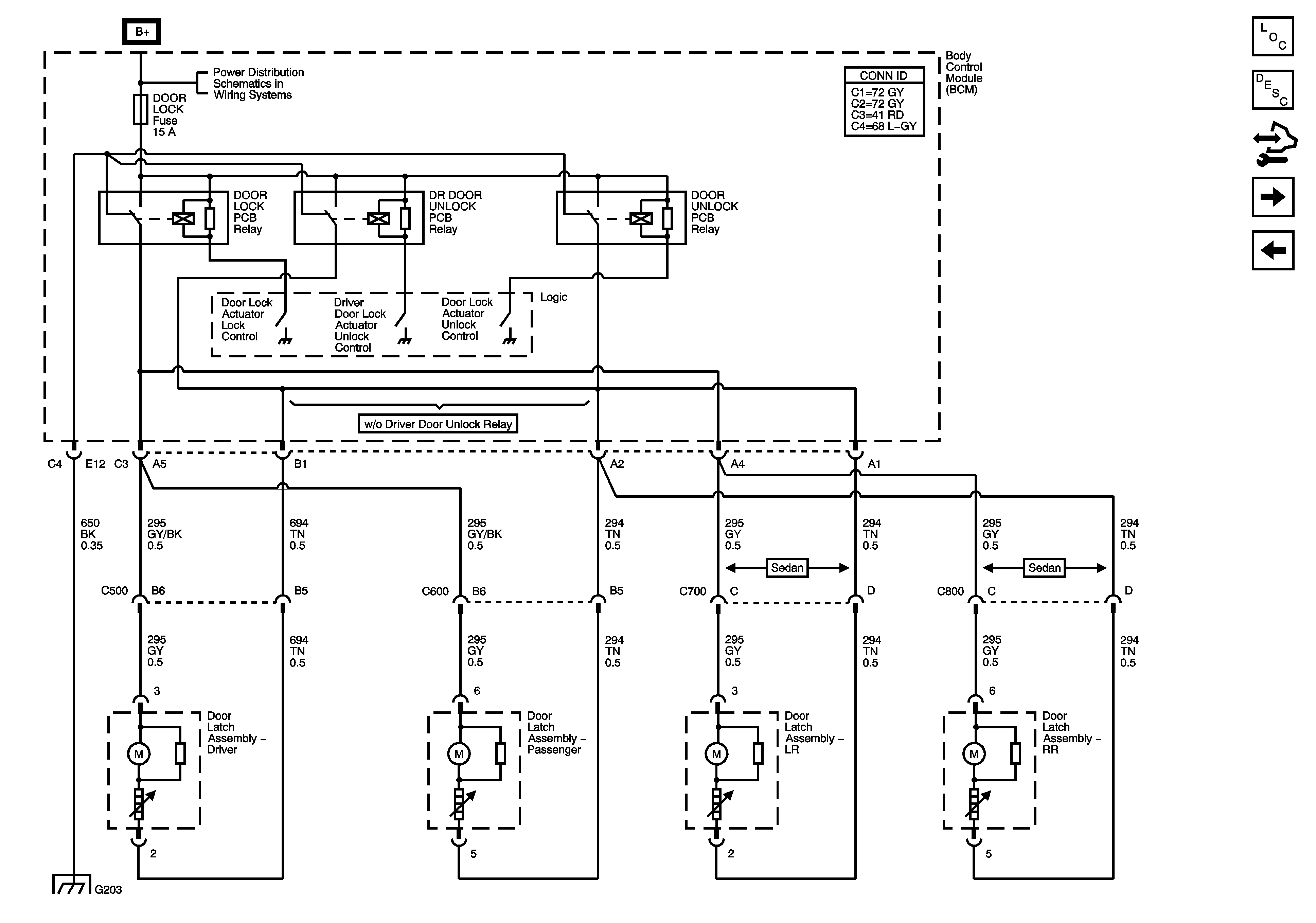
Figure
1:
Door Lock Switches
Master Electrical Component List
Power Door Locks Description and Operation
Control Module References
Door Lock Actuators
Door Ajar Indicators
Steering Wheel and Doors
G301
Steering Wheel and Doors
G301
G304 and G305
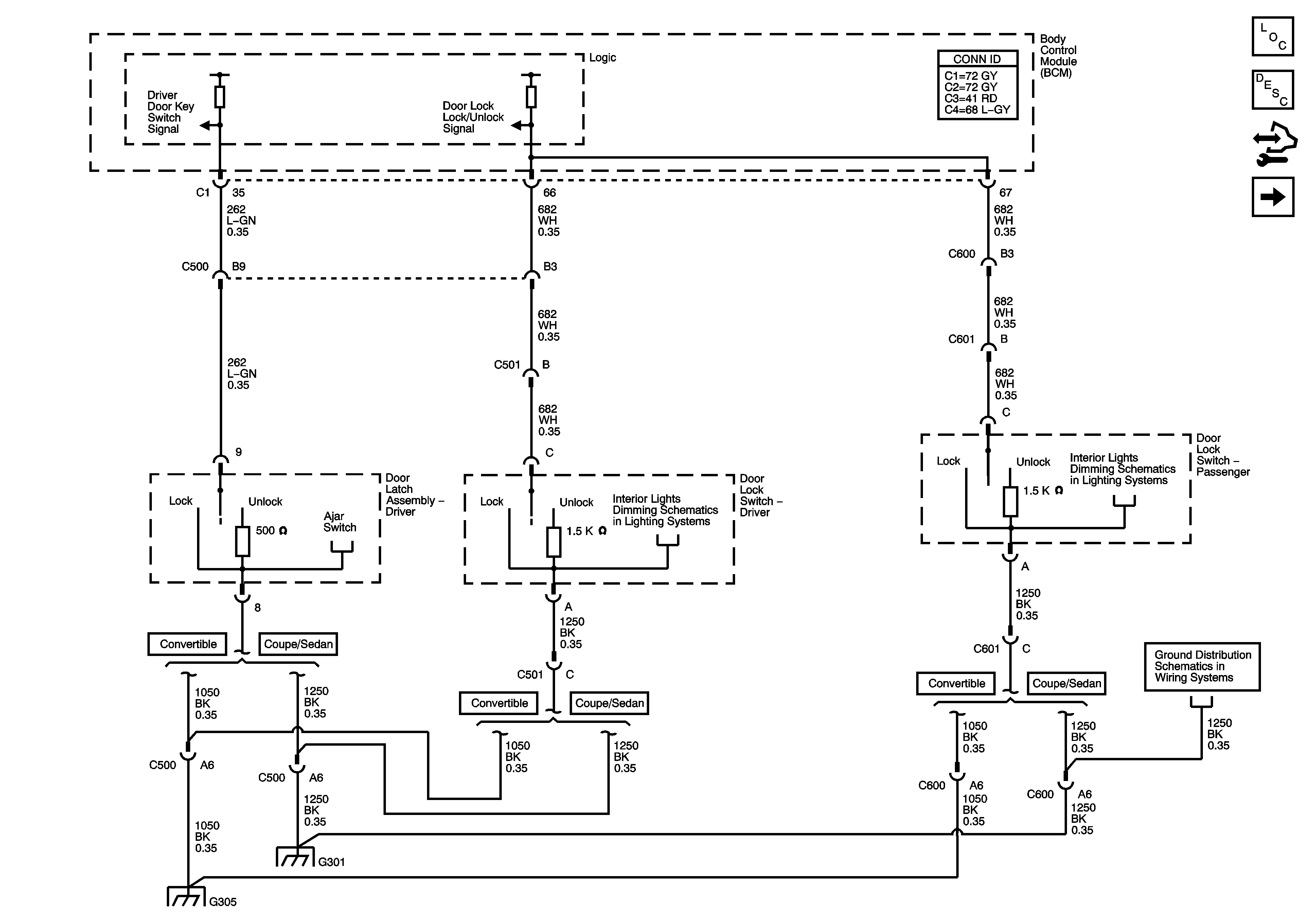
Figure
2:
Door Lock Actuators
Master Electrical Component List
Power Door Locks Description and Operation
Control Module References
Door Ajar Indicators
Door Lock Switches
Underhood Fuse Block IBCM 2, Body Control Module (BCM) ACCESSORY Relay, DOOR LOCK, POWER WINDOWS, ROOF/HEAT SEAT and WPR SW Fuses
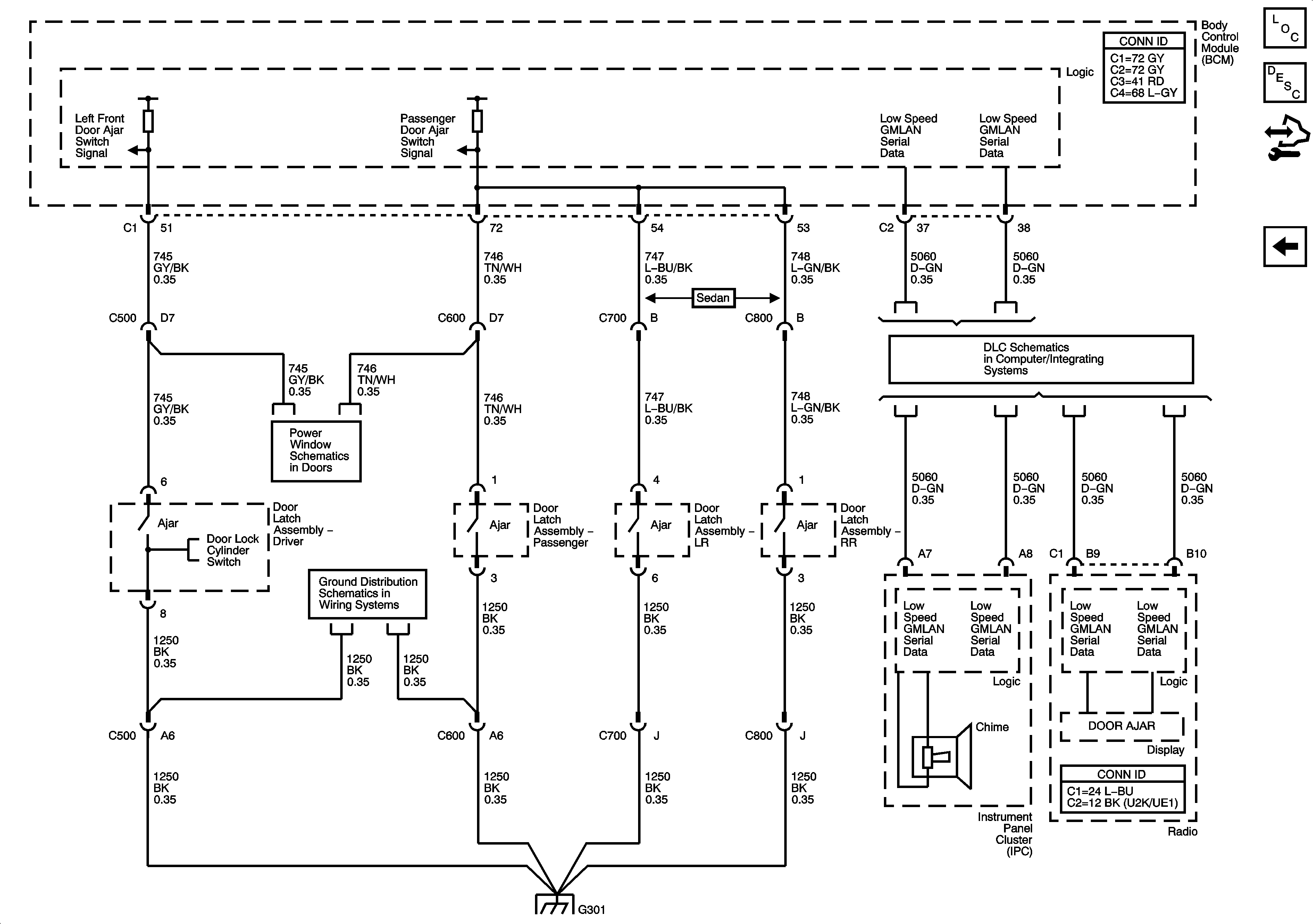
Figure
3:
Door Ajar Indicators
Master Electrical Component List
Power Door Locks Description and Operation
Control Module References
Door Lock Actuators
Ajar Switches - Coupe/Convertible
G301
Low Speed Serial Data
G301